VIDEO SEVEN

V7 VEGA DELUXE

Category

Video

Video Types Supported

EGA

Video Processor

Unidentified

Highest Resolution Supported

752 x 410

Data Bus Type

8-bit ISA

Memory Type

Unidentified

Maximum Onboard Memory

256KB

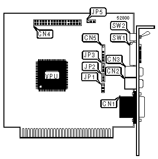
CONNECTIONS

Purpose

Location

Purpose

Location

15-pin analog video connector

CN1

VGA feature connector

CN4

RCA Video connector 1

CN2

Light pen connector

CN5

RCA Video connector 2

CN3

   

PRIMARY ADAPTER SELECT

Monitor

SW1/1

SW1/2

SW1/3

SW1/4

Monochrome Display

Off

Off

On

Off

Color display/EGA (40 x 25)

On

Off

Off

On

Color display/EGA (80 x 25)

Off

Off

Off

On

EGA standard

On

On

On

Off

EGA enhanced

Off

On

On

Off

SECONDARY MONOCHROME DISPLAY SELECT

Secondary Monitor

SW1/1

SW1/2

SW1/3

SW1/4

CGA/EGA (40 x 25)

On

Off

Off

On

CGA/EGA (80 x 25)

Off

Off

Off

On

EGA standard

On

On

On

Off

EGA Enhanced

Off

On

On

Off

Note: This setup is with the VEGA Deluxe board as primary and a MDA adapter as secondary.

VEGA AS SECONDARY DISPLAY SELECT

Monitor Type

SW1/1

SW1/2

SW1/3

SW1/4

CGA/EGA (40 x 25)

On

On

On

On

CGA/EGA (80 x 25)

Off

On

On

On

EGA standard

On

Off

On

On

EGA Enhanced

Off

Off

On

On

Note: This setup is with the MDA adapter as primary monitor and VEGA as secondary.

VEGA/CGA DISPLAY CONFIGURATION

Monitor Type

SW1/1

SW1/2

SW1/3

SW1/4

CGA mode (40 x 25)

On

On

Off

On

CGA mode (80 x 25)

Off

On

Off

On

Note: This setup is with the VEGA adapter as primary monitor and CGA as secondary.

CGA/VEGA DISPLAY CONFIGURATION

Monitor Type

SW1/1

SW1/2

SW1/3

SW1/4

CGA mode (40 x 25)

On

Off

On

Off

CGA mode (80 x 25)

Off

Off

On

Off

Note: This setup is with the CGA adapter as primary monitor and VEGA as secondary.

DELUXE EMULATION CONFIGURATION

Monitor Type

SW1/5

VEGA Deluxe functions enable

On

VEGA Deluxe functions disable

Off

FACTORY CONFIGURED SETTING

Setting

JP1

Do not alter

N/A

SLOT 8 SETTING

Setting

JP2

Enable

Pins 1 & 2 closed

Disable

Pins 2 & 3 closed

Note:Slot 8 on the IBM XT had a different timing than the other 7 slots, this board provides for the option of changing it nature to fit this difference.

ADDRESS RANGE SETTING

Address

JP3

Enable address in the 2XX range

Pins 1 & 2 closed

Enable address in the 2XX/3XX range

Pins 2 & 3 closed

FEATURE CONNECTOR CLOCK SETTING

Setting

JP5

Enable

Pins 2 & 3 closed

Disable

Pins 1 & 2 closed

MONITOR TOGGLE SETTING

Setting

SW2

EGA

To the Right

CGA or Mono

To the Left