UNIDENTIFIED

VGA-PC/D

Category

Video

Video Type

CGA/EGA/Monochrome/VGA

Video Processor

Unknown

Highest Resolution Supported

800 x 600

Data Bus Type

8-bit ISA

Memory Type

DRAM

Maximum Onboard Memory

256KB (Location unknown)

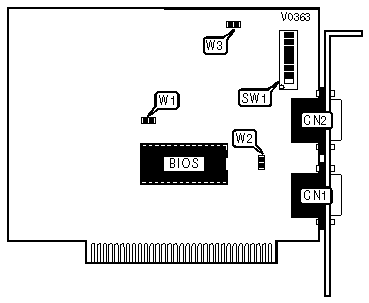
CONNECTIONS

Purpose

Location

Purpose

Location

9-pin analog video port

CN1

9-pin TTL analog video port

CN2

I/O ADDRESS SELECT

Address Range

W1

»

3xxh

Open

 

2xxh

Closed

MONITOR TYPE SELECT

Type

SW1/1

SW1/2

SW1/3

SW1/4

»

Analog Multifrequency

Off

On

On

Off

 

Monochrome

On

On

On

On

 

CGA

Off

On

On

On

 

EGA

On

Off

On

On

 

TTL Multifrequency

Off

Off

On

On

 

PS/2 Color/Mono

On

On

On

Off

PRIMARY/SECONDARY DISPLAY CONFIGURATION

Setting

SW1/5

»

VGA-PC/D primary display

On

 

VGA-PC/D secondary display

Off

DISPLAY CONFIGURATION

Setting

SW1/6

SW1/7

SW1/8

»

Automatic

On

On

On

 

Monochrome

On

Off

On

 

CGA

Off

On

On

 

EGA

Off

Off

On

 

VGA

On

On

Off

 

VGA protected

Off

On

Off

SLOT TYPE CONFIGURATION

Slot

W2

»

Other

Open

 

Slot 8 on a PC compatible

Closed

FACTORY CONFIGURED SETTINGS

Jumper

Setting

W3

N/A