WISECOM, INC.

WS-2814IM6

Card Type

Modem (asynchronous)

Chipset

Rockwell

Maximum Data Rate

33.6Kbps

Maximum Fax Rate

14.4Kbps

Data Bus

8-bit ISA

Fax Class

Class I & II

Data Modulation

Bell 103A/212A

ITU-T V.21, V.22, V.22bis, V.23, V.32, V.32bis, V.34

Rockwell V.FC

Fax Modulation

ITU-T V.17, V.21CH2, V.27ter, V.29

Error Correction/Compression

MNP5, V.42, V.42bis

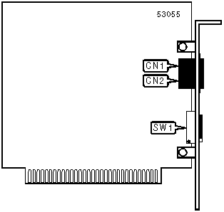
CONNECTIONS

Function

Label

Function

Label

Line in

CN1

Line out

CN2

SERIAL PORT ADDRESS SELECTION

Setting

SW1/1

SW1/2

3F8h (COM1:)

On

On

2F8h (COM2:)

Off

On

3E8h (COM3:)

On

Off

2E8h (COM4:)

Off

Off

INTERRUPT SELECTION

Setting

SW1/3

SW1/4

SW1/5

SW1/6

IRQ2

On

Off

Off

Off

IRQ3

Off

On

Off

Off

IRQ4

Off

Off

On

Off

IRQ5

Off

Off

Off

On

SUPPORTED STANDARD COMMANDS

Basic AT Commands

+++, ‘comma’, A/

A, B, D, E, H, L, M, N, O, P, Q, T, V, W, X, Y, Z

&C, &D, &F, &G, &K, &P, &S, &T, &V, &W, &Y, &Z

Extended AT Commands

\A, \B, \K, \N

%C, %E, %L, %Q

Special AT Commands

+MS

S-Registers

S0, S1, S2, S3, S4, S5, S6, S7, S8, S9, S10, S11, S12, S14, S16, S18, S21, S22, S23, S24, S25

S26, S27, S29, S30, S31, S32, S33, S36, S38, S39, S40, S41, S46, S48, S82, S86, S91, S92, S95

Note: See MHI documentation for complete information.

UNIDENTIFIED COMMANDS

Command

Default

S37

0

Proprietary AT Command Set

DISPLAY INFORMATION

Type:

Immediate

Format:

AT [cmds] In [cmds]

Description:

Displays information requested about the modem.

Command

Function

I0

Reports product identification code.

I1

Reports ROM checksum.

I2

Tests and reports ROM checksum.

I3

Reports firmware revision and model ID.

I6

Reports data pump ID.

PROTOCOL/SPEED

Type:

Configuration

Format:

AT [cmds] Fn [cmds]

Description:

Selects the protocol and speed the modem will attempt to connect at.

Command

Function

F0

Auto-detect the highest common connect speed.

F1

Select V.21 or Bell 103 at 300bps speed.

F3

Select V.23 at 75/1200bps speed.

F4

Select V.22 or Bell 212A at 1200bps speed.

F5

Select V.22bis at 2400bps speed.

F6

Select V.32 or V.32bis at 4800bps speed.

F7

Select V.32bis at 7200bps speed.

F8

Select V.32bis or V.32 at 9600bps speed.

F9

Select V.32bis at 12Kbps speed.

F10

Select V.32bis at 14.4Kbps speed.