UNIDENTIFIED

2400BS MODEM

Card Type

Modem (asynchronous)

Chip Set

Unidentified

Maximum Data Rate

2400bps

Data Bus

8-bit ISA

Data Modulation Protocol

Bell 103/212A

ITU-T V.21, V.22, V.22bis

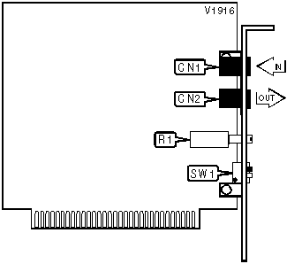
CONNECTIONS

Function

Label

Function

Label

Line in

CN1

Volume

R1

Line out

CN2

   

SERIAL PORT ADDRESS AND INTERRUPT

Setting

Setting

SW1/1

SW1/2

COM1 (3F8h)

IRQ 4

On

On

COM2 (2F8h)

IRQ 3

Off

On

COM3 (3E8h)

IRQ 4

On

Off

COM4 (2E8h)

IRQ 3

Off

Off

Proprietary AT Command Set

BIT-MAPPED REGISTER S14

Format

AT [cmds] S14=n [cmds]

Default:

170

Range:

0-174

Unit:

Bit-mapped

Description:

Controls echo, result codes and display, dial mode, and answer/originate mode.

Bit

Value

Function

0

0

Not used

1

0

í 1

Command echo disabled

Command echo enabled

2

í 0

1

Result codes enabled

Result codes disabled

3

0

í 1

Display result codes in numeric format

Display result codes in verbose format

4

0

Not used

5

0

í 1

Tone dial enabled

Pulse dial enabled

6

0

Not used

7

0

í 1

Answer mode enabled

Originate mode enabled

BIT-MAPPED REGISTER S21

Format

AT [cmds] S21=n [cmds]

Default:

48

Range:

0-252

Unit:

Bit-mapped

Description:

Selects CTS/DCD/DSR signals, low DTR action, and the long space disconnect function.

Bit

Value

Function

1, 0

0

Not used

2

í 0

1

CTS follows RTS

CTS forced high

4, 3

00

01

í 10

11

DTR signal ignored

Modem goes to command mode on low DTR

Modem disconnects on low DTR; Auto-Answer is disabled.

Modem is initialized on low DTR

5

0

í 1

DCD forced high

DCD normal

6

í 0

1

DSR forced high

DSR normal

7

í 0

1

Long space disconnect function disabled

Long space disconnect function enabled

BIT-MAPPED REGISTER S22

Format

AT [cmds] S22=n [cmds]

Default:

118

Range:

0-255

Unit:

Bit-mapped

Description:

Controls speaker volume and controls, limits results codes, and make/break ratio.

Bit

Value

Function

1, 0

00

01

í 10

11

Off volume

Low level volume

Medium level volume

High level volume

3, 2

00

í 01

10

11

Speaker off

Speaker off on carrier

Speaker always on

Speaker on during handshake

6, 5, 4

000

100

101

110

í 111

Basic result codes only enabled

Basic and connection speed result codes enabled

Basic and connection speed result codes and dialtone detection enabled

All result codes except dialtone detection enabled

All result codes enabled

7

í 0

1

39/61ms at 10pps (North America)

33/67ms at 10pps (Europe)

BIT-MAPPED REGISTER S23

Format

AT [cmds] S23=n [cmds]

Default:

6

Range:

0-183

Unit:

Bit-mapped

Description:

Grants/denies remote digital loopback, controls DTE rate and parity, and sets guard tone.

Bit

Value

Function

0

í 0

1

Remote digital loopback denied

Remote digital loopback allowed

2, 1

00

10

í 11

Sets serial port speed to 0-300bps

Sets serial port speed to 1200bps

Sets serial port speed to 2400bps

3

0

Not used

5,4

í 00

01

10

11

Parity even

Space Parity

Parity odd

Mark Parity

7, 6

í 00

01

10

Guard tone disabled

Guard tone 550Hz enabled

Guard tone 1800Hz enabled

BIT-MAPPED REGISTER S27

Format

AT [cmds] S27=n [cmds]

Default:

64

Range:

0-68

Unit:

Bit-mapped

Description:

Selects line type, and ITU-T/Bell modes.

Bit

Value

Function

1, 0

0

Not used

2

í 0

1

Switched line

Leased line

5 - 3

0

Not used

6

0

í 1

ITU/T mode

Bell mode

TEST MODES

Format

AT [cmds] S16=n [cmds]

Default:

0

Range:

0-125

Unit:

Bit-mapped

Description:

Controls loopback tests, analog, digital, remote digital, and self tests.

Bit

Value

Function

0

í 0

1

Local analog loopback not in progress

Local analog loopback in progress

1

0

Not used

2

í 0

1

Local digital loopback not in progress

Local digital loopback in progress

3

í 0

1

Modem not in remote digital loopback

Remote digital loopback in progress

4

í 0

1

Remote digital loopback not requested

Remote digital loopback requested

5

í 0

1

Remote digital loopback w/ self-test not in progress

Remote digital loopback w/ self-test in progress

6

í 0

1

Local analog loopback w/ self-test not in progress

Local analog loopback w/ self-test in progress