UNIDENTIFIED
MODEM ANCHOR 2400E (REV.1)
|
Card Type |
Modem (asynchronous) |
|
Chip Set |
Unidentified |
|
Maximum Data Rate |
2400bps |
|
Maximum Fax Rate |
9600bps |
|
Data Bus |
External |
|
Fax Class |
Unidentified |
|
Data Modulation Protocol |
Bell 103J/212A ITU-T V.21, V.22, V.22bis |
|
Fax Modulation Protocol |
ITU-T V.27ter, V.29 |

|
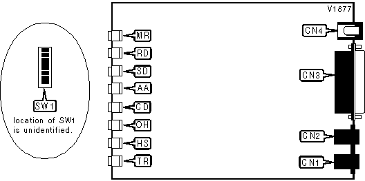
CONNECTIONS | ||||||
|
Function |
Label |
Function |
Label | |||
|
Line out |
CN1 |
RS-232/422 |
CN3 | |||
|
Line in |
CN2 |
DC power |
CN4 | |||
|
USER CONFIGURABLE SETTINGS | ||
|
Setting |
Label |
Position |
|
í DTR normal |
SW1/1 |
On |
|
DTR forced high |
SW1/1 |
Off |
|
í Bell protocol set after initialization |
SW1/2 |
Off |
|
ITU-T protocol set after initialization |
SW1/2 |
On |
|
í Factory configured |
SW1/3 |
On |
|
í Factory configured |
SW1/4 |
On |
|
í Factory configured |
SW1/5 |
On |
|
í CD is normal |
SW1/6 |
On |
|
CD forced high |
SW1/6 |
Off |
|
í DSR is normal |
SW1/7 |
On |
|
DSR forced high |
SW1/7 |
Off |
|
í Command set enabled |
SW1/8 |
On |
|
Command set disabled |
SW1/8 |
Off |
|
DIAGNOSTIC LED(S) | |||
|
LED |
Color |
Status |
Condition |
|
MR |
Red |
On |
Power is on |
|
MR |
Red |
Off |
Power is off |
|
RD |
Red |
On |
Modem is receiving data |
|
RD |
Red |
Off |
Modem is not receiving data |
|
SD |
Red |
On |
Modem is transmitting data |
|
SD |
Red |
Off |
Modem is not transmitting data |
|
AA |
Red |
On |
Auto-answer enabled |
|
AA |
Red |
Off |
Auto-answer disabled |
|
CD |
Red |
On |
Carrier signal detected |
|
CD |
Red |
Off |
Carrier signal not detected |
|
OH |
Red |
On |
Modem is off-hook |
|
OH |
Red |
Off |
Modem is on-hook |
|
HS |
Red |
On |
Modem is operating at 2400bps |
|
HS |
Red |
Off |
Modem is operating at slower than 2400bps |
|
TR |
Red |
On |
DTR signal is high |
|
TR |
Red |
Off |
DTR signal is low |
Proprietary AT Command Set
See document V1876 for a full command summary.