U.S. ROBOTICS, INC.
PASSWORD MODEM
|
Modem Type |
Data (synchronous/asynchronous) |
|
Maximum Data Rate |
1200bps |
|
Data Bus |
External |
|
Data Modulation Protocol |
Bell 103A/212A |

|
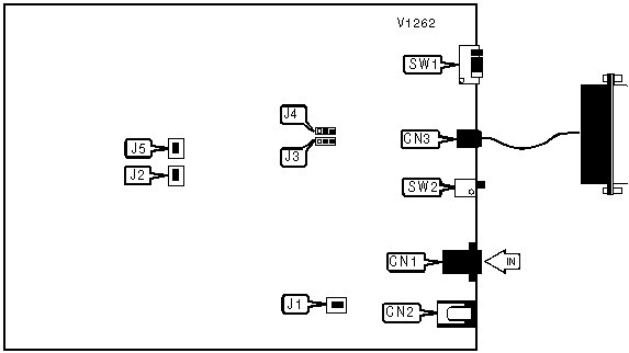
CONNECTIONS | |||
|
Purpose |
Location |
Purpose |
Location |
|
Line in |
CN1 |
RS-232/422 |
CN3 |
|
DC power |
CN2 |
Power switch |
SW2 |
|
MULTILINE PHONE INSTALLATION | |
| Setting |
J1 |
| » Single line |
Off |
| Multiline |
On |
|
CHARACTER LENGTH | |
| Setting |
J2 |
| » 10-bit |
Off |
| 11-bit |
On |
|
TRANSMIT AND RECEIVE SIGNAL | ||
| Setting |
J3 |
J4 |
| » Normal pin assignment |
Pins 1 & 2 closed |
Pins 1 & 2 closed |
| Tx/Rx pins reversed |
Pins 2 & 3 closed |
Pins 2 & 3 closed |
|
ANLOG LOOPBACK TEST MODE | |
| Setting |
J5 |
| » On |
Normal operation |
| Off |
Analog loopback mode |
|
AUTO ANSWER | |
| Setting |
SW1/1 |
| » Off |
Modem answers on first ring |
| On |
Modem does not answer on first ring |
|
CARRIER DETECT | |
| Setting |
SW1/2 |
| » Off |
CD normal |
| On |
CD forced high |
|
PBX MODE | |
| Setting |
SW1/3 |
| » Off |
Normal dial up line equalization |
| On |
PBX operation |
|
DTR SIGNAL | |
| Setting |
SW1/4 |
| » Off |
DTR normal |
| On |
DTR forced high |