MAXTECH CORPORATION

GMV144I

Card Type

Fax, Modem (asynchronous), Voice

Chip Set

Unidentified

I/O options:

Speakerphone, Voice-mail

Maximum Data Rate

14.4Kbps

Maximum Fax Rate

14.4Kbps

Data Bus

8-bit ISA

Fax Class

Class I & II

Data Modulation Protocol

Bell 103/212A

ITU-T V.22, V.22bis, V.32, V.32bis

Fax Modulation Protocol

ITU-T V.17, V.21CH2, V.27ter, V.29

Error Correction/Compression

MNP5, V.42, V.42bis

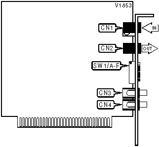
CONNECTIONS

Function

Label

Function

Label

Line in

CN1

Speaker out

CN3

Line out

CN2

Microphone in

CN4

SERIAL PORT ADDRESS

Setting

SW1/A

SW1/B

í COM1 (3F8h)

On

On

COM2 (2F8h)

Off

On

COM3 (3E8h)

On

Off

COM4 (2E8h)

Off

Off

INTERRUPT

Setting

SW1/C

SW1/D

SW1/E

SW1/F

2

On

Off

Off

Off

3

Off

On

Off

Off

í 4

Off

Off

On

Off

5

Off

Off

Off

On

Proprietary AT Command Set

See document V1852 for a full command summary.