IBM CORPORATION

14.4KBPS DATA/FAX MODEM INTERNAL ISA

Card Type

Fax, Modem (asynchronous)

Chip Set

Unidentified

Maximum Data Rate

14.4Kbps

Maximum Fax Rate

14.4Kbps

Data Bus

8-bit ISA

Fax Class

Class I & II

Data Modulation Protocol

Bell 103/212A

ITU-T V.21, V.22, V.22bis, V.32, V.32bis

Fax Modulation Protocol

ITU-T V.17, V.21, V.27ter, V.29

Error Correction/Compression

MNP5, V.42, V.42bis

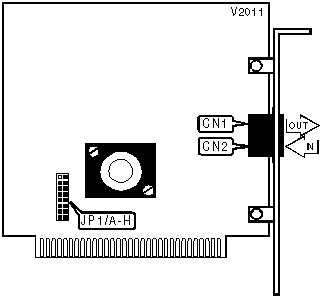
CONNECTIONS

Function

Label

Function

Label

Line out

CN1

Line in

CN2

SERIAL PORT ADDRESS

Setting

JP1/A

JP1/B

JP1/C

JP1/D

COM1 (3F8h)

Closed

Open

Open

Open

COM2 (2F8h)

Open

Closed

Open

Open

COM3 (3E8h)

Open

Open

Closed

Open

COM4 (2E8h)

Open

Open

Open

Closed

INTERRUPT SELECTION

Setting

JP1/E

JP1/F

JP1/G

JP1/H

3

Closed

Open

Open

Open

4

Open

Closed

Open

Open

5

Open

Open

Closed

Open

7

Open

Open

Open

Closed

Proprietary AT Command Set

AUTO-RETRAIN - AUTO-FALLBACK/FALL-FORWARD

Type:

Configuration

Format:

AT [cmds] %En [cmds]

Description:

Controls auto-retrain mode and fallback/fall-forward

Command

Function

%E0

Auto-retrain disabled

í %E1

Auto-retrain enabled

%E2

Auto-fallback/fall-forward enabled

BIT-MAPPED REGISTER S14

Format:

AT [cmds] S14=n [cmds]

Default:

138

Range:

0-174

Unit:

Bit-mapped

Description:

Controls echo, result codes and display, dial mode, and answer/originate mode.

Bit

Value

Function

0

í 0

Not used

1

0

í 1

Command echo disabled

Command echo enabled

2

í 0

1

Result codes enabled

Result codes disabled

3

0

í 1

Display result codes in numeric format

Display result codes in verbose format

4

í 0

Not used

5

í 0

1

Tone dial enabled

Pulse dial enabled

6

í 0

Not used

7

0

í 1

Answer mode enabled

Originate mode enabled

BIT-MAPPED REGISTER S21

Format

AT [cmds] S21=n [cmds]

Default:

52

Range:

0-253

Unit:

Bit-mapped

Description:

Selects jack type, CTS/DCD/DSR signals, low DTR action, and the long space disconnect function.

Bit

Value

Function

0

í 0

1

Selects RJ-11, RJ-41S, or RJ45S jack

Selects RJ-12 or RJ-13 jack

1

0

Not used

2

0

í 1

CTS follows RTS

CTS forced high

4, 3

00

01

í 10

11

DTR signal ignored

Modem goes to command mode on low DTR

Modem disconnects on low DTR; Auto-Answer is disabled.

Modem is initialized on low DTR

5

0

í 1

DCD forced high

DCD normal

6

í 0

1

DSR forced high

DSR normal

7

í 0

1

Long space disconnect function disabled

Long space disconnect function enabled

BIT-MAPPED REGISTER S22

Format

AT [cmds] S22=n [cmds]

Default:

117

Range:

0-127

Unit:

Bit-mapped

Description:

Controls speaker volume and controls, and limits results codes.

Bit

Value

Function

1, 0

00

í 01

10

11

Off volume

Low level volume

Medium level volume

High level volume

3, 2

00

í 01

10

11

Speaker off

Speaker off on carrier

Speaker always on

Speaker on during handshake

6 - 4

000

100

101

110

í 111

Basic result codes only enabled

Basic and connection speed result codes enabled

Basic and connection speed result codes and dialtone detection enabled

All result codes except dialtone detection enabled

All result codes enabled

BIT-MAPPED REGISTER S23

Format

AT [cmds] S23=n [cmds]

Default:

Unidentified

Range:

0-189

Unit:

Bit-mapped

Description:

Grants/denies remote digital loopback, controls DTE rate and parity, and sets guard tone.

Bit

Value

Function

0

0

í 1

Remote digital loopback denied

Remote digital loopback allowed

3 - 1

000

001

010

011

100

101

110

Sets serial port speed to 0-300bps

Sets serial port speed to 600bps

Sets serial port speed to 1200bps

Sets serial port speed to 2400bps

Sets serial port speed to 4800bps

Sets serial port speed to 9600bps

Sets serial port speed to 19200bps

5, 4

00

01

10

11

Parity even

Not used

Parity odd

No Parity

7, 6

í 00

01

10

Guard tone disabled

Guard tone disabled

Guard tone 1800Hz enabled

BIT-MAPPED REGISTER S27

Format

AT [cmds] S27=n [cmds]

Default:

64

Range:

0-116

Unit:

Bit-mapped

Description:

Selects line type, clock source, and ITU-T/Bell modes.

Bit

Value

Function

3, 1, 0

000

Not used

2

í 0

1

Switched line

Leased line

5, 4

í 00

01

10

Local modem generates transmit clock source

Local DTE generates transmit clock source

Remote DCE/DTE generates transmit clock source

6

0

í 1

ITU/T mode

Bell mode

BIT-MAPPED REGISTER S28

Format

AT [cmds] S28=n [cmds]

Default:

0

Range:

0-31

Unit:

Bit-mapped

Description:

Controls V.23 split speed, transmit/receive speed, half duplex, and pulse dialing.

Bit

Value

Function

0

í 0

1

V.23 split speed operation disabled

V.23 split speed operation enabled

1

í 0

1

75bps transmit, 1200bps receive enabled

1200bps transmit, 75bps receive enabled

2

í 0

1

V.23 half-duplex disabled

V.23 half-duplex enabled

4, 3

í 00

01

10

11

39ms make/61ms break at 10pps

33ms make/67ms break at 10pps

39ms make/61ms break at 20pps

33ms make/67ms break at 20pps

BIT-MAPPED REGISTER S31

Format:

AT [cmds] S31=n [cmds]

Default:

2

Range:

0-10

Description:

Select automode and extended result code format.

Bit

Value

Function

0

í 0

Not used

1

0

í 1

Auto-mode detection disabled

In originate mode, handshake begins at line speed designated by the S37 register. Modem can shift to a slower speed if necessary.

In answer mode, handshake attempted with the following protocols in order - V.32bis, V.32, V.22bis, V.22 or Bell 212, V.21, and Bell 103

3, 2

í 00

01

10

Enables CONNECT result codes to report DTE speed

Full reporting of CONNECT result codes

Enables CONNECT result codes to report DCE speed

BIT-MAPPED REGISTER S40

Format

AT [cmds] S40=n [cmds]

Default:

105

Range:

0-239

Unit:

Bit-mapped

Description:

Controls power level and break handling, selects MNP extended services, link negotiation, and block size.

Bit

Value

Function

0

0

í 1

MNP disabled

MNP enabled

1

í 0

1

Power level adjustment enabled

Power level adjustment disabled

2

í 0

1

Link will be negotiated at highest possible speed

Link will be negotiated at 1200bps

5, 4, 3

000

001

010

011

100

í 101

\K0

\K1

\K2

\K3

\K4

\K5

7, 6

00

í 01

10

11

MNP block size is 64 characters

MNP block size is 128 characters

MNP block size is 192 characters

MNP block size is 256 characters

BIT-MAPPED REGISTER S41

Format

AT [cmds] S41=n [cmds]

Default:

7

Range:

0-31

Unit:

Bit-mapped

Description:

Selects compression, auto-retrain, flow control, and MNP mode.

Bit

Value

Function

1 - 0

00

01

10

í 11

Data compression disabled

MNP5 enabled

V.42bis enabled

MNP5 and V.42bis enabled

2

0

í 1

Auto-retrain disabled

Auto-retrain enabled

3

í 0

1

Flow control disabled

Flow control enabled

4

í 0

1

Stream mode for MNP

Block mode for MNP

BREAK SEND

Type:

Configuration

Format:

AT [cmds] \Bn [cmds]

Default:

3

Range:

1-9

Unit:

.1 second

Description:

Sends break to modem

BREAK TYPE

Type:

Configuration

Format:

AT [cmds] \Kn [cmds]

Description:

Configures action of break signal

Command

Break from DTE while in Normal or MNP mode

Break from DTE while in Direct mode

Break received from remote modem

\K0

On-line command mode enabled, send no break to remote modem

On-line command mode enabled, send no break to remote modem

Buffers cleared, break sent to DTE

\K1

Break sent to remote modem and buffers cleared

On-line command mode enabled, send no break to remote modem

Buffers cleared, break sent to DTE

\K2

On-line command mode enabled, send no break to remote modem

Send break to remote modem immediately

Break sent immediately to DTE

\K3

Send break to remote modem immediately

On-line command mode enabled, send no break to remote modem

Break sent immediately to DTE

\K4

On-line command mode enabled, send no break to remote modem

Send break to remote modem immediately

Break sent with received data to the DTE

î \K5

Send break with transmitted data

Send break to remote modem immediately

Break sent with received data to the DTE

COMPRESSION

Type:

Configuration

Format:

AT [cmds] %Cn [cmds]

Description:

Selects data compression

Command

Function

%C0

Data compression disabled

%C1

Not used

%C2

V.42bis enabled

í %C3

MNP5 and V.42bis enabled

CONNECT MODE

Type:

Configuration

Format:

AT [cmds] \Nn [cmds]

Description:

Controls the type of connection the modem will operate in

Command

Function

\N0

Normal mode enabled

í \N1

Direct mode enabled

\N2

Reliable mode enabled

\N3

Auto-reliable mode enabled

\N4

V.42 reliable mode enabled

\N5

MNP reliable mode enabled

DIAL

Type:

Immediate

Format:

AT [cmds] D<#> [cmds]

Description:

Dials telephone number according to any modifiers included in the string

Note:

Any combination of modifiers can be used to produce the desired dial functions in sequence.

Modifier

Function

L

Re-dial last number

í P

Pulse dialing enabled

S=n

Dial stored telephone number n

T

Tone dialing enabled

W

Dialing resumed following dial tone detection

,

Dialing paused for amount of time specified in S8 register

!

Flash function initiated

@

Wait for quiet answer enabled

;

Modem returned to command state after dialing

^

Calling tone disabled

FLOW CONTROL

Type:

Configuration

Format:

AT [cmds] \Gn [cmds]

Description:

Selects modem port flow control

Command

Function

í \G0

Flow control disabled

\G1

Flow control enabled

FLOW CONTROL

Type:

Register

Format

AT [cmds] S39? [cmds]

Description:

Displays the current flow control

Value

Meaning

0

Flow control disabled

í 3

RTS/CTS flow control enabled

4

XON/XOFF flow control enabled

5

Transparent XON/XOFF flow control enabled

FLOW CONTROL CHARACTER - XOFF

Type:

Register

Format:

AT [cmds] S33=n [cmds]

Default:

19

Range:

0-255

Unit:

ASCII

Description:

Sets the character used to represent XOFF

FLOW CONTROL CHARACTER - XON

Type:

Register

Format:

AT [cmds] S32=n [cmds]

Default:

17

Range:

0-255

Unit:

ASCII

Description:

Sets the character used to represent XON

INACTIVITY TIMER

Type:

Configuration

Format:

AT [cmds] \Tn [cmds]

Default:

0

Range:

0-42

Unit:

1 minute

Description:

Sets the length of time that the modem does not receive information before it disconnects.

LINE SIGNAL LEVEL

Type:

Immediate

Format:

AT [cmds] %L [cmds]

Default:

Unidentified

Range:

9-43

Unit:

-dBm

Description:

Returns a value which indicates the received line signal level

LINE SIGNAL QUALITY

Type:

Immediate

Format:

AT [cmds] %Q [cmds]

Description:

Returns a value which indicates line signal quality

Value

Meaning

0 - 7

Auto-retrain disabled

8 - 255

Auto-retrain enabled

MAXIMUM BLOCK SIZE FOR TRANSMISSION

Type:

Configuration

Format:

AT [cmds] \An [cmds]

Description:

Sets the maximum transmittable block size

Command

Function

\A0

MNP block size is 64 characters

í \A1

MNP block size is 128 characters

\A2

MNP block size is 192 characters

\A3

MNP block size is 256 characters

MNP - STREAM/BLOCK MODE

Type:

Configuration

Format:

AT [cmds] \Ln [cmds]

Description:

Selects the transfer mode for MNP link

Command

Function

í \L0

Stream mode for MNP enabled

\L1

Block mode for MNP enabled

MNP - LINK NEGOTIATION

Type:

Configuration

Format:

AT [cmds] *Hn [cmds]

Description:

Sets the speed at which an MNP link negotiation will occur

Command

Function

í *H0

Link will be negotiated at highest possible speed

*H1

Link will be negotiated at 1200bps

REPORT INFORMATION

Type:

Immediate

Format:

AT [cmds] In [cmds]

Description:

Displays information requested

Command

Function

I0

Reports product identification code

I1

Reports ROM checksum as OK or ERROR

I2

Tests and reports ROM checksum

I3

Reports firmware revision level

I4

Reports OEM-defined identifier string

I5

Reports country code

I6

Reports Modem data pump model

SLEEP TIMER

Type:

Register

Format

AT [cmds] S24=n [cmds]

Default:

0

Range:

0-255

Unit:

1 second

Description:

Maximum duration of DTE and DCE inactivity allowed prior to initiating low-power sleep mode.

SPLIT-SPEED CONTROL

Type:

Configuration

Format:

AT [cmds] \Wn [cmds]

Description:

Controls split-speed mode

Command

Function

í \W0

V.23 split-speed mode disabled

\W1

V.23 split-speed mode enabled

SPLIT-SPEED MODE

Type:

Configuration

Format:

AT [cmds] %Fn [cmds]

Description:

Controls split-speed direction

Command

Function

%F0

Not used

%F1

75bps transmit, 1200bps receive

í %F2

1200bps transmit, 75bps receive; when AT\W1 is set.

SWITCH TO NORMAL MODE

Type:

Immediate

Format:

AT [cmds] \Z [cmds]

Description:

Switches to normal mode from MNP mode

TEST MODES

Type:

Register

Format:

AT [cmds] S16=n [cmds]

Default:

0

Range:

0-125

Unit:

Bit-mapped

Description:

Controls loopback tests: analog, digital, remote digital, and self tests.

Bit

Value

Function

0

í 0

1

Local analog loopback not in progress

Local analog loopback in progress

1

í 0

Not used

2

í 0

1

Local digital loopback not in progress

Local digital loopback in progress

3

í 0

1

Modem not in remote digital loopback

Remote digital loopback in progress

4

í 0

1

Remote digital loopback not requested

Remote digital loopback requested

5

í 0

1

Remote digital loopback w/ error count not in progress

Remote digital loopback w/ error count in progress

6

í 0

1

Local analog loopback w/ self-test not in progress

Local analog loopback w/ self-test in progress

TRANSMISSION LEVEL - PSTN

Type

Register

Format

AT [cmds] S91=n [cmds]

Default

10

Range

0-15

Unit

-1 dBm

Description

Sets the signal level for transmission over switched phone lines