ELSA, INC.
MICROLINK 28.8TQV
|
Card Type |
Modem (asynchronous) |
|
Chipset |
Unidentified |
|
I/O Options |
Voice |
|
Maximum Data Rate |
28.8Kbps |
|
Maximum Fax Rate |
14.4Kbps |
|
Data Modulation |
Bell 103A, 212A ITU-T V.21, V.22, V.23, V.32, V.32bis, V.34 Rockwell V.FC |
|
Fax Modulation |
ITU-T V.17, V.27ter, V.29, V.33 |
|
Error Correction/Compression |
MNP5, V.42, V.42bis |
|
Fax Class |
Class I & II |
|
Data Bus |
Serial |

|
CONNECTIONS | |||
|
Function |
Label |
Function |
Label |
|
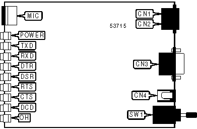
Telephone line in |
CN1 |
DC power in |
CN4 |
|
Telephone line out |
CN2 |
Power switch |
SW1 |
|
Serial port |
CN3 | ||
|
DIAGNOSTIC LED(S) | |||
|
LED |
Color |
Status |
Condition |
|
POWER |
Red |
On |
Power is on |
|
POWER |
Red |
Off |
Power is off |
|
TXD |
Red |
On |
Modem is transmitting data |
|
TXD |
Red |
Off |
Modem is not transmitting data |
|
RXD |
Red |
On |
Modem is receiving data |
|
RXD |
Red |
Off |
Modem is not receiving data |
|
DTR |
Red |
On |
DTR signal is high |
|
DTR |
Red |
Off |
DTR signal is low |
|
DSR |
Red |
On |
DSR signal is high |
|
DSR |
Red |
Off |
DSR signal is low |
|
RTS |
Red |
On |
RTS signal is high |
|
RTS |
Red |
Off |
RTS signal is low |
|
DIAGNOSTIC LED(S) (CON'T) | |||
|
LED |
Color |
Status |
Condition |
|
CTS |
Red |
On |
CTS signal is high |
|
CTS |
Red |
Off |
CTS signal is low |
|
DCD |
Red |
On |
Carrier signal detected |
|
DCD |
Red |
Off |
Carrier signal not detected |
|
OH |
Red |
On |
Modem is off-hook |
|
OH |
Red |
Off |
Modem is on-hook |
|
SUPPORTED STANDARD COMMANDS |
|
Basic AT Commands |
|
+++, ‘comma’, A/ |
|
A, B, E, H, L, M, O, P, T, V, X, Z |
|
&D, &F, &S, &T, &V, &W, &Y, &Z |
|
Extended AT Commands |
|
\C, \J, \K, \N, \Q, \T, \X |
|
%A, %C, %E |
|
Special AT Commands |
|
-J |
|
S-Registers |
|
S0, S1, S2, S3, S4, S5, S6, S7, S8, S10, S11, S12, S16, S21, S22, S25, S30, S38 |
Note: See MHI help file for complete information. |
Proprietary AT Command Set
See ELSA, INC. MICROLINK 33.6TQV for a full command summary.