ESCOM AG

ESFAXMODINT 14.4

Card Type

Modem (asynchronous)

Chip Set

Rockwell

Maximum Data Rate

14.4Kbps

Maximum Fax Rate

14.4Kbps

Data Bus

8-bit ISA

Fax Class

Unidentified

Data Modulation Protocol

Unidentified

Fax Modulation Protocol

Unidentified

Error Correction/Compression

Unidentified

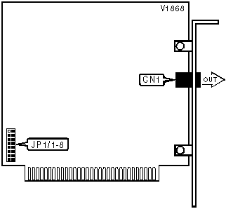
CONNECTIONS

Function

Label

Line out

CN1

SERIAL PORT ADDRESS

Setting

JP1/1

JP1/2

JP1/4

JP1/6

COM1 (3F8h)

Open

Closed

Closed

Open

í COM2 (2F8h)

Open

Closed

Open

Closed

COM3 (3E8h)

Closed

Open

Closed

Open

COM4 (2E8h)

Closed

Open

Open

Closed

INTERRUPT

Setting

JP1/3

JP1/5

JP1/7

JP1/8

í 3

Open

Closed

Open

Open

4

Closed

Open

Open

Open

5

Open

Open

Closed

Open

7

Open

Open

Open

Closed