DIGI INTERNATIONAL, INC.
DIGIBOARD IMAC, DUAL IMAC (SWITCH VERSION)
|
Card Type |
ISDN to Ethernet Router |
|
Processor |
80186XL |
|
Processor Speed |
Unidentified |
|
Network Chip Set |
83934 SONIC |
|
ISDN Chip Set |
Unidentified |
|
Maximum Onboard Memory |
512KB DRAM/256K Flash RAM |
|
Network Transfer Rate |
10Mbps |
|
ISDN Transfer Rate |
64Kbps x 2 (x 4 for Dual IMAC) |
|
Data Bus |
External |
|
Topology |
Linear Bus |
|
Wiring Type |
AUI transceiver via DB-15 port RG-58A/U 50ohm coaxial |
|
ISDN Protocol |
Unidentified |
|
Switch Type |
5ESS, DMS-100, NI-1, Generic |
|
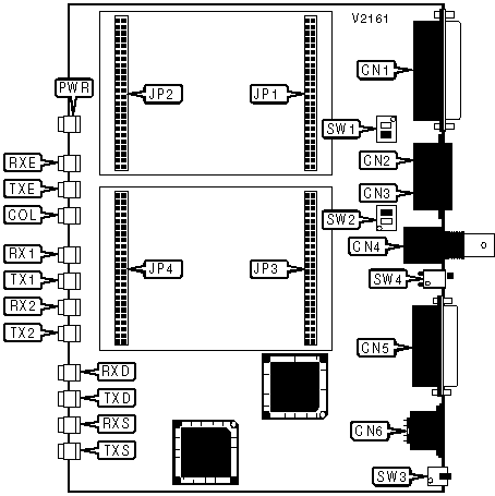
CONNECTIONS | |||
|
Function |
Label |
Function |
Label |
|
RS-232/422 |
CN1 |
Power connection |
CN6 |
|
ISDN line 2 out (Dual IMAC only) |
CN2 |
IDP module headers for line 1 |
JP1 & JP2 |
|
ISDN line 1 out |
CN3 |
IDP module headers for line 2 |
JP3 & JP4 |
|
Coax connector for Ethernet |
CN4 |
Power switch |
SW3 |
|
AUI connector for Ethernet |
CN5 | ||
|
CABLE TYPE | |
|
Setting |
SW4 |
|
AUI transceiver via DB-15 port |
On |
|
RG-58A/U 50ohm coaxial |
Off |
|
ISDN TERMINATION - LINE 1 | |||
|
Setting |
SW2/1 |
SW2/2 | |
| » |
Terminated |
On |
On |
|
Not terminated |
Off |
Off | |
|
ISDN TERMINATION - LINE 2 | |||
|
Setting |
SW1/1 |
SW1/2 | |
| » |
Terminated |
On |
On |
|
Not terminated |
Off |
Off | |
|
DIAGNOSTIC LED(S) | |||
|
LED |
Color |
Status |
Condition |
|
MR |
Unidentified |
On |
Power is on |
|
MR |
Unidentified |
Off |
Power is off |
|
MR |
Unidentified |
Blinking |
A system error has occurred |
|
RXE |
Unidentified |
On |
Router is receiving data from network |
|
RXE |
Unidentified |
Off |
Router is not receiving data from network |
|
RXE |
Unidentified |
Blinking |
A network receive error has occurred |
|
TXE |
Unidentified |
On |
Router is transmitting data to network |
|
TXE |
Unidentified |
Off |
Router is not transmitting data to network |
|
TXE |
Unidentified |
Blinking |
A network transmission error has occurred |
|
COL |
Unidentified |
On |
Collision detected |
|
COL |
Unidentified |
Off |
Collision not detected |
|
COL |
Unidentified |
Blinking |
Frame not transmitted due to excessive collisions |
|
RX1 |
Unidentified |
On |
Router is receiving data from B1 channel |
|
RX1 |
Unidentified |
Off |
Router is not receiving data from B1 channel |
|
RX1 |
Unidentified |
Blinking |
A receive error has occurred on B1 channel |
|
TX1 |
Unidentified |
On |
Router is transmitting data to B1 channel |
|
TX1 |
Unidentified |
Off |
Router is not transmitting data to B1 channel |
|
TX1 |
Unidentified |
Blinking |
A transmission error has occurred on B1 channel |
|
RX2 |
Unidentified |
On |
Router is receiving data from B2 channel |
|
RX2 |
Unidentified |
Off |
Router is not receiving data from B2 channel |
|
RX2 |
Unidentified |
Blinking |
A receive error has occurred on B2 channel |
|
TX2 |
Unidentified |
On |
Router is transmitting data to B2 channel |
|
TX2 |
Unidentified |
Off |
Router is not transmitting data to B2 channel |
|
TX2 |
Unidentified |
Blinking |
A transmission error has occurred on B2 channel |
|
RXD |
Unidentified |
On |
Router is receiving data from D channel |
|
RXD |
Unidentified |
Off |
Router is not receiving data from D channel |
|
RXD |
Unidentified |
Blinking |
A receive error has occurred on D channel |
|
TXD |
Unidentified |
On |
Router is transmitting data to D channel |
|
TXD |
Unidentified |
Off |
Router is not transmitting data to D channel |
|
TXD |
Unidentified |
Blinking |
A transmission error has occurred on D channel |
|
RXS |
Unidentified |
On |
Router is receiving data from DTE |
|
RXS |
Unidentified |
Off |
Router is not receiving data from DTE |
|
RXS |
Unidentified |
Blinking |
A receive error has occurred on DTE |
|
TXS |
Unidentified |
On |
Router is transmitting data to DTE |
|
TXS |
Unidentified |
Off |
Router is not transmitting data to DTE |
|
TXS |
Unidentified |
Blinking |
A transmission error has occurred on DTE |