CREATIX POLYMEDIA

UMC 14.4/VOICE (EXTERNAL)

Card Type

Modem (synchronous/asynchronous)

Chip Set

UMC

I/O Options

Voice

Maximum Data Rate

14.4Kbps

Maximum Fax Rate

14.4Kbps

Data Bus

External

Fax Class

Class I & II

Data Modulation Protocol

Bell 103A/212A

ITU-T V.21, V.22, V.22bis, V.23, V.32, V.32bis

Fax Modulation Protocol

ITU-T V.17, V.21CH2, V.27ter, V.29

Error Correction/Compression

MNP5, V.42, V.42bis

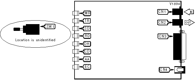
CONNECTIONS

Function

Label

Function

Label

Line in

CN1

DC power

CN4

Line out

CN2

Power switch

SW1

RS-232/422

CN3

   

DIAGNOSTIC LED(S)

LED

Color

Status

Condition

MR

Red

On

Power is on

MR

Red

Off

Power is off

TR

Red

On

DTR signal is high

TR

Red

Off

DTR signal is low

SD

Red

On

Modem is transmitting data

SD

Red

Off

Modem is not transmitting data

RD

Red

On

Modem is receiving data

RD

Red

Off

Modem is not receiving data

OH

Red

On

Modem is off-hook

OH

Red

Off

Modem is on-hook

CD

Red

On

Carrier signal detected

CD

Red

Off

Carrier signal not detected

AA

Red

On

Auto-answer enabled

AA

Red

Off

Auto-answer disabled

EC

Red

On

Error correction is in progress

EC

Red

Off

Error correction is not in progress

Proprietary AT Command Set

ACCEPT RELIABLE MODE

Type:

Immediate

Format:

AT [cmds] \U [cmds]

Description:

Accepts remote modem’s request for a reliable mode connection

ADAPTIVE HANDSHAKE

Type:

Configuration

Format:

AT [cmds] *Gn [cmds]

Description:

Sets adaptive handshaking

Command

Function

*G0

Adaptive handshake disabled

í *G1

Adaptive handshake enabled

AUTO-RELIABLE FALLBACK CHARACTER

Type:

Configuration

Format:

AT [cmds] %An [cmds]

Default:

Unidentified

Range:

0-127

Unit:

ASCII

Description:

Sets the character used as the auto-reliable fallback character. %A0 will disable this function.

AUTO-RELIABLE TIME BUFFER CONFIGURATION

Type:

Configuration

Format:

AT [cmds] \Cn [cmds]

Description:

Controls the handling of incoming data during auto-reliable time period

Command

Function

í \C0

Data is discarded

\C1

Data is buffered

\C2

Data is discarded, modem returns to normal mode on receiving auto-reliable fallback character.

AUTO-RETRAIN

Type:

Configuration

Format:

AT [cmds] *Tn [cmds]

Description:

Selects auto-retrain mode

Command

Function

*T0

Auto-retrain disabled

í *T1

Auto-retrain enabled

BIT MAPPED REGISTERS

Register

Default

S14

Unidentified

S16

Unidentified

S21

Unidentified

S22

Unidentified

S23

Unidentified

S27

Unidentified

BREAK SEND

Type:

Configuration

Format:

AT [cmds] \Bn [cmds]

Default:

3

Range:

0-9

Unit:

.1 second

Description:

Sends break to modem

BREAK TYPE

Type:

Configuration

Format:

AT [cmds] \Kn [cmds]

Default:

5

Range:

0-5

Unit:

Unidentified

Description:

Configures action of break signal

BUSY TONE FILTER

Type:

Register

Format:

AT [cmds] S96=n [cmds]

Description:

Selects the busy tone filter

COMPRESSION

Type:

Configuration

Format:

AT [cmds] %Cn [cmds]

Description:

Selects MNP5 data compression

Command

Function

%C0

Data compression disabled

í %C1

Data compression enabled

CONNECT MODE

Type:

Configuration

Format:

AT [cmds] \Nn [cmds]

Description:

Sets connect mode

Command

Function

\N0

Normal mode enabled

\N1

Direct mode enabled

\N2

MNP mode only enabled

\N3

MNP/Normal automode enabled

\N4

LAP-M mode only enabled

í \N5

LAP-M/MNP/Normal automode enabled

\N6

LAP-M mode without phase detection enabled

\N7

LAP-M/MNP/Normal automode without phase detection enabled

CONNECTION SPEED

Type:

Configuration

Format

AT [cmds] *Nn [cmds]

Description:

Selects modem connection speed

Command

Function

*N0

Select connection speed at 1200bps speed

*N1

Select connection speed at 2400bps speed

*N2

Select connection speed at 4800bps speed

*N3

Select connection speed at 9600bps speed

*N4

Select connection speed at 7200bps speed

*N5

Select connection speed at 12Kbps speed

í *N6

Select connection speed at 14.4Kbps speed

*N7

Select connection speed at V.23

ENERGY DETECTION THRESHOLD

Type

Register

Format

AT [cmds] S97=n [cmds]

Default

Unidentified

Range

Unidentified

Unit

Unidentified

Description

Enables energy detection threshold

EXTENDED RESULT CODES

Type:

Configuration

Format:

AT [cmds] \Vn [cmds]

Description:

Selects extended result codes

Command

Function

í \V0

Extended result codes disabled

\V1

Extended result codes enabled

FLOW CONTROL

Type:

Configuration

Format:

AT [cmds] \Gn [cmds]

Description:

Selects modem port flow control

Command

Function

í \G0

Flow control disabled

\G1

Flow control enabled

FLOW CONTROL TYPE

Type:

Configuration

Format:

AT [cmds] \Qn [cmds]

Description:

Sets type of flow control used by modem

Command

Function

\Q0

Flow control disabled

\Q1

XON/XOFF flow control enabled

\Q2

CTS flow control to DTE enabled

í \Q3

RTS/CTS flow control enabled

INACTIVITY TIMER

Type:

Configuration

Format:

AT [cmds] \Tn [cmds]

Default:

0

Range:

0-90

Unit:

1 minutes

Description:

Sets the length of time that the modem does not receive information before it disconnects

INITIATE RELIABLE MODE

Type:

Immediate

Format:

AT [cmds] \O [cmds]

Description:

During normal mode the modem initiates a reliable mode connection

LOCK SERIAL PORT

Type:

Configuration

Format:

AT [cmds] \Jn [cmds]

Description:

Sets operation of serial port speed

Command

Function

í \J0

Serial speed locked

\J1

Serial speed follows connect speed

MAXIMUM BLOCK SIZE FOR TRANSMISSION

Type:

Configuration

Format:

AT [cmds] \An [cmds]

Description:

Sets the maximum transmittable block size

Command

Function

\A0

MNP block size is 64 characters

\A1

MNP block size is 128 characters

\A2

MNP block size is 192 characters

í \A3

MNP block size is 256 characters

XON/XOFF PASS-THROUGH

Type:

Configuration

Format:

AT [cmds] \Xn [cmds]

Description:

Selects whether XON/XOFF signals are sent to remote modem

Command

Function

í \X0

XON/XOFF signals trapped by local modem

\X1

XON/XOFF passed through local modem