ACEEX CORPORATION

DM-2814VH (INTERNAL)

Card Type

Modem

Chip Set

Unidentified

I/O Options

Line out, line in

Maximum Modem Rate

33.6Kbps

Maximum Fax Rate

14.4Kbps

Data Modulation Protocol

Bell 103/212A

ITU-T V.21, V.22, V.22bis, V.23, V.32, V.32bis, V.34, V.34+

Fax Modulation Protocol

ITU-T V.17, V.21 CH2, V.27ter, V.29

Error Correction/Compression

MNP5, V.42, V.42bis

Fax Class

Unidentified

Data Bus

8-bit ISA

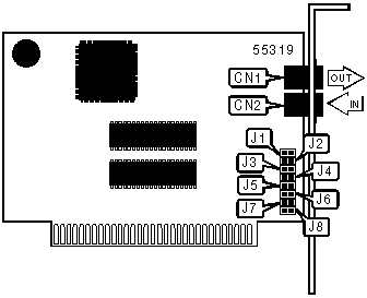
CONNECTIONS

Function

Label

Function

Label

Line out (RJ-11)

CN1

Line in (RJ-11)

CN2

SERIAL PORT ADDRESS

Setting

J1

J2

J3

J4

í COM1 (3F8h)

Closed

Closed

Open

Open

COM2 (2F8h)

Closed

Open

Open

Closed

COM3 (3E8h)

Open

Closed

Closed

Open

COM4 (2E8h)

Open

Open

Closed

Closed

INTERRUPT SELECTION

IRQ

J5

J6

J7

J8

2

Closed

Open

Open

Open

í 3

Open

Closed

Open

Open

4

Open

Open

Closed

Open

5

Open

Open

Open

Closed

 

SUPPORTED COMMAND SET

Basic AT Commands

AT, ‘+++’, A/

A, C, E, H, M, O, Q, V, X, Y, Z

&C, &G, &L, &M, &R, &T, &V, &W, &X, &Y, &Z

Extended AT Commands

%A

\A, \B,\G, \J, \V, \X

S Registers

S0, S1, S2, S3, S4, S5, S6, S7, S8, S9,S10, S11, S12, S14, S16, S18, S21, S22, S23, S25

S26, S27, S28, S40, S41, S95

Note: See MHI Help File for full command documentation.

PROPRIETARY AT COMMAND SET

COMMUNICATION PROTOCOLS

Type:

Configuration

Format:

AT [cmds] Bn [cmds]

Description:

Selects the communication protocol for data calls

Note: The B command allows the simultaneous selection of more than one suffix, enabling multiple protocols.

Command

Protocol

í B0

ITU-T V.34bis, V.32ter, V.32bis, V.32, V.22bis, V.22, V.21

B1

Bell 212A/103

B2

ITU-T V.23 at 1200Kbps

COMMUNICATIONS MODE

Type:

Configuration

Format:

AT [cmds] &Qn [cmds]

Description:

Selects communications mode options

Command

Mode

&Q0

Asynchronous mode, serial port speed follows connect speed.

&Q1

Asynchronous off-line command mode and synchronous connect mode.

&Q2

Asynchronous off-line command mode - modem autodials first number in directory, then synchronous connect mode.

&Q3

Asynchronous off-line command mode on low DTR, synchronous connect mode on high DTR.

í &Q5

Error correction mode

DATA SET READY (DSR)

Type:

Configuration

Format:

AT [cmds] &Sn [cmds]

Description:

Selects DSR options

Command

Function

&S0

DSR forced high

&S1

DSR high only while modem is handshaking or connected

 

DATA TERMINAL READY (DTR)

Type:

Configuration

Format:

AT [cmds] &Dn [cmds]

Description:

Selects modem response to DTR

Command

Function

&D0

DTR ignored

&D1

DTR toggle causes online command mode

í &D2

DTR toggle causes modem to go on-hook

&D3

Modem reset on DTR toggle

DCE LINE SPEED

Type:

Configuration

Format

AT [cmds] &N [cmds]

Description:

Sets the maximum allowable data exchange rate attempted during handshake process.

Command

Function

&N0

Attempt to connect at speed of last AT command

&N1

300bps

&N2

1200bps

&N3

2400bps

&N4

4800bps

&N5

7200bps

&N6

9600bps

&N7

12.0Kbps

&N8

14.4Kbps

&N9

16.8Kbps

&N10

19.2Kbps

&N11

21.6Kbps

&N12

24.0Kbps

&N13

26.4Kbps

&N14

28.8Kbps

&N15

31.2Kbps

&N16

33.6Kbps

DIAL

Type:

Immediate

Format:

AT [cmds] D<#> [cmds]

Description:

Dials telephone number according to any modifiers included in the string

Note:

Any combination of modifiers can be used to produce the desired dial functions in sequence.

Command

Function

DP

Pulse dialing enabled

DR

Answer mode enabled; originate mode disabled following handshake initiation.

DS=n

Dial stored telephone number n

DT

Tone dialing enabled/Pulse dialing disabled

DW

Dialing resumed following dial tone detection

D,

Dialing paused for amount of time specified in S8 register

D!

Flash function initiated. Modem commanded to go off-hook for specified time before returning on-hook.

D@

Wait for Quite Answer function enabled. Modem waits until a "quiet answer," a ring-back signal followed by silence up to the time specified in S7, is received prior to executing the rest of the dial string.

D;

Modem returned to idle state after dialing. The semicolon can only be placed at the end of the dial command.

 

EXTENDED RESULT CODES

Type:

Configuration

Format:

AT [cmds] Wn [cmds]

Description:

Enables selection of additional result codes

Command

Function

í W0

Disables V.42 extended responses

W1

Enables V.42 extended responses

FACTORY DEFAULT PROFILE

Type:

Configuration

Format:

AT [cmds] &F [cmds]

Description:

Sets values in active profile to values found in the default profile

Command

Function

&F0

Load factory settings with V.42 error correction

&F1

Load factory settings with MNP5 error correction

FLOW CONTROL

Type:

Configuration

Format:

AT [cmds] &Kn [cmds]

Description:

Enables flow control options

Command

Function

&K0

Flow control disabled

&K1

RTS to CTS flow control enabled

&K2

XON/XOFF flow control enabled

í &K3

RTS/CTS flow control enabled

&K4

XON/XOFF flow control enabled

&K5

Transparent XON/XOFF flow control enabled

PULSE DIALING RATIO

Type:

Configuration

Format:

AT [cmds] &Pn [cmds]

Description:

Selects pulse dial make/break ratio

Command

Function

&P0

39/61ms at 10pps (North America)

í &P1

33/67ms at 10pps (Europe)

&P2

33/67ms at 20pps (Japan)

&P3

33/67ms at 10pps; nine-pulse mean digit 1 (New Zealand)

&P4

33/67ms at 10pps; two-pulse mean digit 1 (Sweden)

REPORT INFORMATION

Type:

Immediate

Format:

AT [cmds] In [cmds]

Description:

Displays information requested

Command

Function

I0

Reports product ID code

I1

Reports ROM checksum

I2

Tests and reports ROM checksum

I6

Reports firmware version ID code

 

SPEAKER VOLUME

Type:

Configuration

Format:

AT [cmds] Ln [cmds]

Description:

Controls speaker volume

Command

Function

L0

Low volume setting

L1

Low volume setting

í L2

Medium volume setting

L3

Highest volume setting

EXTENDED AT COMMAND SET

COMPRESSION

Type:

Configuration

Format:

AT [cmds] %Cn [cmds]

Description:

Selects data compression

Command

Function

í %C0

Data compression disabled

%C1

MNP5 enabled

CONNECT MODE

Type:

Configuration

Format:

AT [cmds] \Nn [cmds]

Description:

Controls the type of connection the modem will operate in

Command

Function

\N0

Normal mode enabled

í \N1

Direct mode enabled

\N2

Reliable mode enabled

\N3

Auto-reliable mode enabled

FLOW CONTROL TYPE

Type:

Configuration

Format:

AT [cmds] \Qn [cmds]

Description:

Sets type of flow control used by modem

Command

Function

\Q0

Flow control disabled

\Q1

Bi-directional XON/XOFF flow control enabled

í \Q2

CTS flow control by DCE enabled

\Q3

Bi-directional RTS/CTS flow control enabled

 

INACTIVITY TIMER

Type:

Configuration

Format:

AT [cmds] \Tn [cmds]

Range:

0-90

Default:

0

Unit:

1 second

Description:

Sets the length of time that the modem does not receive information before it disconnects.

POWER-UP CALLING

Type:

Configuration

Format:

AT [cmds] %Pn [cmds]

Description:

Enables/disables power-up leased line and telephon number calling function

Command

Function

í %P0

Power-up leased line and telephone number calling function disabled

%P1

Power-up leased line and telephone number calling function enabled

S(status) -REGISTERS

AUTO-RELIABLE FALLBACK CHARACTER

Type:

Register

Format:

AT [cmds] S37=n [cmds]

Range:

0-127

Unit:

ASCII

Description:

Sets the character used as the auto-reliable fallback character; S37=0 will disable this function.

BREAK OPTIONS

Type:

Register

Format

AT [cmds] S82=n [cmds]

Description:

Sets the method for break transmission during error-control and ASB connections.

Command

Function

S82=3

Expedited signaling, immediately send timed break

S82=7

Destructive signaling, buffers cleared, immediately send timed break

S82=128

In-sequence signaling, timed break sent in sequence with transmitted data

BIT-MAPPED REGISTER S38

Format

AT [cmds] S38=n [cmds]

Unit:

Bit-mapped

Description:

For MNP operation. Further information is unavailable

 

ERROR CORRECTION NEGOTIATION

Type:

Register

Format

AT [cmds] S36=n [cmds]

Description:

Selects the action of the modem if it fails to connect with the error-correction protocol set in &Q.

Command

Function

S36=0

Hang up

S36=1

Attempt a connection at MNP2-5; if that fails, attempt a direct connection.

S36=3

Attempt a buffered connection

S36=4

Attempt a connection at MNP2-5; if that fails, hang up.

S36=5

Attempt a connection at MNP2-5; if that fails, attempt a direct connection.

S36=7

Attempt a connection at MNP2-5; if that fails, attempt a buffered connection.

ERROR CORRECTION/COMPRESSION

Type:

Register

Format:

AT [cmds] S46=n [cmds]

Description:

Selects active error correction and compression protocols

Command

Function

S46=136

LAP-M only, no compression

S46=138

LAP-M with V.42bis data compression

FEATURE NEGOTIATION OPTIONS

Type:

Register

Format:

AT [cmds] S48=n [cmds]

Description:

Selects active error correction and compression protocols

Command

Function

S48=0

Detection negotiation disabled, XID negotiation disabled

S48=3

Detection negotiation and XID negotiation enabled

S48=7

Detection negotiation and XID negotiation enabled

S48=128

Fall-back to options set in S36

INACTIVITY TIMER

Type:

Register

Format:

AT [cmds] S39=n [cmds]

Range:

0-255

Unit:

1 second

Description:

Sets the length of time that the modem does not receive information before it disconnects; S39=0 will disable.