ARCHTEK AMERICA CORPORATION

2834BR

Modem Type

Data (synchronous/asynchronous)/Fax

Maximum Data Rate

28.8Kbps

Maximum Fax Rate

14.4Kbps

Data Bus

8-bit ISA

Fax Class

Class I & II

Data Modulation Protocol

Bell 103J/212A

ITU-T V.21, V.22, V.22bis, V.23, V.32, V.32bis, V.34

Rockwell V.FC

Fax Modulation Protocol

ITU-T V.17, V.21CH2, V.27ter, V.29

Error Correction/Compression

MNP5, V.42, V.42bis

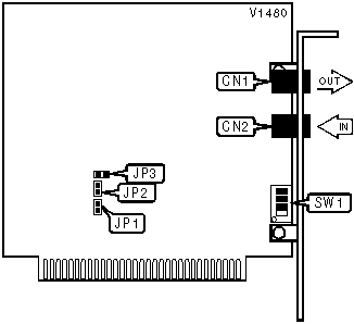
CONNECTIONS

Purpose

Location

Purpose

Location

Line out

CN1

Line in

CN2

BASE I/O ADDRESS SELECTION

Port

SW1/C

SW1/D

COM1: (3F8h)

On

On

COM2: (2F8h)

On

Off

COM3: (3E8h)

Off

On

COM4: (2E8h)

Off

Off

INTERRUPT SELECTION

IRQ

SW1/A

SW1/B

JP1

JP2

JP3

2

Off

Off

Open

Open

Closed

3

On

Off

Open

Open

Open

4

Off

On

Open

Open

Open

5

Off

Off

Open

Closed

Open

7

Off

Off

Closed

Open

Open

Proprietary AT Command Set

AUTO-RETRAIN

Type:

Configuration

Format:

AT %En

Example:

AT %E0 <CR>

Description:

Selects auto-retrain mode.

Command

Function

%E0

Auto-retrain disabled.

%E1

Auto-retrain enabled.

BREAK SEND

Type:

Configuration

Format:

AT [cmds] \Bn [cmds]

Example:

AT \B3 &W<CR>

Range:

1-9

Unit:

.1 second

Description:

Sends break to modem.

BREAK TYPE

Type:

Configuration

Format:

AT [cmds] \Kn [cmds]

Example:

AT \K0 <CR>

Description:

Configures action of break signal.

Command

Break from DTE

Modem receives \B

Break from remote modem

\K0

Enter command mode, do not send break to remote modem.

Buffers cleared and break sent to remote modem.

Buffers cleared and break sent to DTE.

\K1

Buffers cleared and break sent to remote modem.

Buffers cleared and break sent to remote modem.

Buffers cleared and break sent to DTE.

\K2

Enter command mode, do not send break to remote modem.

Send break to remote modem immediately.

Send break to DTE immediately.

\K3

Send break to remote modem immediately.

Send break to remote modem immediately.

Send break to DTE immediately.

\K4

Enter command mode, do not send break to remote modem.

Send break to remote modem with transmitted data.

Break sent with received data to the DTE.

\K5

Send break with transmitted data.

Send break to remote modem with transmitted data.

Break sent with received data to the DTE.

COMPRESSION

Type:

Configuration

Format:

AT [cmd] %Cn [cmd]

Example:

AT %C0 &W<CR>

Description:

Selects data compression.

Command

Function

%C0

Data compression disabled.

%C1

Data compression enabled.

%C2

V.42bis enabled.

%C3

V.42bis and MNP5 enabled.

CONNECT MODE

Type:

Configuration

Format:

AT [cmds] \Nn [cmds]

Example:

AT \N0 DT555-1212<CR>

Description:

Sets connect mode.

Command

Function

\N0

Normal mode enabled.

\N1

Direct mode enabled.

\N2

Reliable mode enabled.

\N3

Auto-reliable mode enabled.

\N4

LAPM mode enabled.

\N5

MNP mode enabled.

FLASH DIAL MODIFIER TIME

Format

AT [cmds] S29=n [cmds]

Example:

ATS29=0<CR>

Default:

0

Range:

0-255

Unit:

10 ms

Description:

Time the modem will go on-hook upon receiving the ! dial modifier in dial string.

FLOW CONTROL CHARACTER - XOFF

Type:

Register

Format:

AT [cmds] S33=n [cmds]

Example:

ATS33=19<CR>

Default:

19

Range:

0-255

Unit:

ASCII

Description:

Sets the character used to represent XOFF.

FLOW CONTROL CHARACTER - XON

Type:

Register

Format:

AT [cmds] S32=n [cmds]

Example:

ATS32=17<CR>

Default:

17

Range:

0-255

Unit:

ASCII

Description:

Sets the character used to represent XON.

LOCK SERIAL PORT

Type:

Configuration

Format:

AT [cmds] \Jn [cmds]

Example:

AT \J0<CR>

Description:

Sets operation of serial port speed.

Command

Function

\J0

Serial speed locked.

\J1

Serial speed follows connect speed.

MAXIMUM BLOCK SIZE FOR TRANSMISSION

Type:

Configuration

Format:

AT [cmds] \An [cmds]

Example:

AT \A3 %C1<CR>

Description:

Sets the maximum transmittable block size.

Command

Function

\A0

MNP block size is 64 characters.

\A1

MNP block size is 128 characters.

\A2

MNP block size is 192 characters.

\A3

MNP block size is 256 characters.

MNP STREAM/BLOCK MODE

Type:

Configuration

Format:

AT [cmds] \Ln [cmds]

Example:

AT \L1 DT555-1212<CR>

Description:

Selects the transfer mode for MNP.

Command

Function

\L0

Stream mode for MNP enabled.

\L1

Block mode for MNP enabled.

MODULATION SELECTION

Type:

Configuration

Format:

AT [cmds] +MS=xx,y,zzz,aaa [cmds]

Example:

AT +MS11,1,300,28800 &W<CR>

Description:

Sets options for active protocol. The transfer rates specified by z and a must be valid for the protocol selected.

Command

Function

x=0

V.21

x=1

V.22

x=2

V.22bis

x=3

V.23

x=9

V.32

x=10

V.32bis

x=11

V.34

x=64

Bell 103A

x=69

Bell 212A

x=74

V.FC

y=0

Automode disabled.

y=1

Auto-detect highest speed enabled.

z, a=300

Set minimum or maximum transfer rate at 300bps, respectively.

z, a=1200

Set minimum or maximum transfer rate at 1200bps, respectively.

z, a=2400

Set minimum or maximum transfer rate at 2400bps, respectively.

z, a=4800

Set minimum or maximum transfer rate at 4800bps, respectively.

z, a=7200

Set minimum or maximum transfer rate at 7200bps, respectively.

z, a=9600

Set minimum or maximum transfer rate at 9600bps, respectively.

z, a=12000

Set minimum or maximum transfer rate at 12000bps, respectively.

z, a=14400

Set minimum or maximum transfer rate at 14400bps, respectively.

z, a=16800

Set minimum or maximum transfer rate at 16800bps, respectively.

z, a=19200

Set minimum or maximum transfer rate at 19200bps, respectively.

z, a=21600

Set minimum or maximum transfer rate at 21600bps, respectively.

z, a=24000

Set minimum or maximum transfer rate at 24000bps, respectively.

z, a=26400

Set minimum or maximum transfer rate at 26400bps, respectively.

z, a=28800

Set minimum or maximum transfer rate at 28800bps, respectively.