UNIDENTIFIED
8-BIT 10BASET
|
NIC Type |
Ethernet |
|
Transfer Rate |
10Mbps |
|
Data Bus |
8-bit ISA |
|
Topology |
Linear bus |
|
Wiring Type |
AUI transceiver via DB-15 port Unshielded twisted pair |
|
Boot ROM |
Available |
|
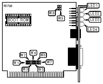
BOOT ROM | ||
|
Setting |
W1 | |
| » |
Disabled |
Open |
|
Enabled |
Closed | |
|
CABLE TYPE | ||
|
Type |
W8 | |
| » |
Unshielded twisted pair |
Pins 2 & 3 closed |
|
AUI transceiver via DB-15 port |
Pins 1 & 2 closed | |
|
INTERRUPT SELECT | |||||
|
IRQ |
W4 |
W5 |
W6 |
W7 | |
| » |
IRQ3 |
Closed |
Open |
Open |
Open |
|
IRQ2 |
Open |
Open |
Open |
Closed | |
|
IRQ4 |
Open |
Closed |
Open |
Open | |
|
IRQ5 |
Open |
Open |
Closed |
Open | |
|
I/O ADDRESS SELECT | |||
|
Address |
W2 |
W3 | |
| » |
300h |
Closed |
Closed |
|
320h |
Open |
Closed | |
|
340h |
Closed |
Open | |
|
360h |
Open |
Open | |
|
LINK TEST | ||
|
Setting |
W9 | |
| » |
Enabled |
Pins 1 & 2 closed |
|
Disabled |
Pins 2 & 3 closed | |
|
DIAGNOSTIC LED(S) | |||
|
LED |
Color |
Status |
Condition |
|
LED1 |
Yellow |
On |
Data is not being transmitted |
|
LED1 |
Yellow |
Blinking |
Data is being transmitted |
|
LED2 |
Red |
On |
Data is not being received |
|
LED2 |
Red |
Blinking |
Data is being received |
|
LED3 |
Green |
On |
Network connection is good |
|
LED3 |
Green |
Off |
Network connection is broken |
|
LED4 |
Red |
Off |
Normal twisted pair operation |
|
LED4 |
Red |
On |
Twisted pair receive wires are reversed and corrected for |