INVISIBLE SOFTWARE, INC.

ETHERNET 1000T/EP-8T

Card Type

Network Interface Card

NIC Type

Ethernet

Maximum Onboard Memory

Unidentified

Boot ROM

Available

Network Transfer Rate

10Mbps

Topology

Linear Bus, Star

Wiring Type

RJ-45 Unshielded twisted pair, AUI transceiver via DB-15 port

Data Bus

8-bit ISA

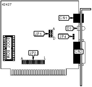
CONNECTIONS

Function

Label

Function

Label

UTP connector (RJ-45)

CN1

AUI connector

CN2

DMA CHANNEL SELECTION

Channel

JP2/G

JP2/H

JP2/I

JP2/J

»

Disabled

Open

Open

Open

Open

 

1

Closed

Open

Closed

Open

 

3

Open

Closed

Open

Closed

BASE I/O ADDRESS SELECTION

Setting

JP2/K

JP2/L

»

300h

Closed

Closed

 

320h

Open

Closed

 

340h

Closed

Open

 

360h

Open

Open

INTERRUPT SELECTION

IRQ

JP2/A

JP2/B

JP2/C

JP2/D

JP2/E

JP2/F

 

2

Closed

Open

Open

Open

Open

Open

»

3

Open

Closed

Open

Open

Open

Open

 

4

Open

Open

Closed

Open

Open

Open

 

5

Open

Open

Open

Closed

Open

Open

 

6

Open

Open

Open

Open

Closed

Open

 

7

Open

Open

Open

Open

Open

Closed

CABLE TYPE SELECTION

Type

JP4

AUI transceiver via DB-15 port

Pins 2 & 3 closed

Unshielded twisted pair

Pins 1 & 2 closed

BOOT ROM CONFIGURATION

Setting

JP1/A

 

Enabled

Closed

»

Disabled

Open

ROM ADDRESS SELECTION

Address

JP1/B

JP1/C

JP1/D

»

C8000h

Closed

Closed

Closed

 

CC000h

Open

Closed

Closed

 

D8000h

Closed

Open

Closed

 

DC000h

Open

Open

Closed

 

E8000h

Closed

Closed

Open

 

EC000h

Open

Closed

Open

DIAGNOSTIC LED(S)

Note: The function of the LED is unidentified.