COMPU-SHACK PRODUCTION, GMBH

HIGHSCREEN (ISA)

Card Type

Network Interface Card

NIC Type

Ethernet

Maximum Onboard Memory

Unidentified

Boot ROM

Available

Network Transfer Rate

10/100Mbps

Topology

Linear Bus, Star

Wiring Type

Unshielded twisted pair

RG-58A/U 50ohm coaxial

Data Bus

16-bit ISA

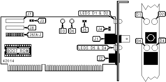
CONNECTIONS

Function

Label

Function

Label

RG-58A/U connector

J1

UTP connector

J2

USER CONFIGURABLE SETTINGS

Function

Label

Position

Adapter in AT slot (16-bit)

J3

Open

Adapter in PC slot (8-bit)

J3

Closed

No 50 ohm resistor connected

J4

Open

50 ohm resistor connected

J4

Closed

Factory configured - do not alter.

J6/B

Unidentified

Factory configured - do not alter.

J6/C

Unidentified

Factory configured - do not alter.

J6/D

Unidentified

Factory configured - do not alter.

J6/E

Unidentified

Factory configured - do not alter.

J6/F

Unidentified

Factory configured - do not alter.

J6/G

Unidentified

Factory configured - do not alter.

J6/H

Unidentified

Factory configured - do not alter.

J6/I

Unidentified

Factory configured - do not alter.

J6/J

Unidentified

Factory configured - do not alter.

J7

Unidentified

Factory configured - do not alter.

J8

Unidentified

SOFTWARE CONFIGURATION SELECT

Function

J5

J6/A

Software enabled

Closed

Closed

Software disabled

Open

Open

DIAGNOSTIC LED(S)

LED

Color

Status

Condition

D1

Yellow

Blinking

Data is being transmitted

D1

Yellow

Off

Data is not being transmitted

D2

Yellow

Blinking

Data is being received

D2

Yellow

Off

Data is not being received

D3

Yellow

On

Collision detected

D3

Yellow

Off

No collision detected

D4

Green

On

UTP link is good

D4

Green

Off

UTP link is broken

D5

Red

On

Polarity reversed

D5

Red

Off

Polarity normal

D6

Yellow

On

TP time-out elapsed/TP driver disabled

D6

Yellow

Off

TP time-out not elapsed/TP driver enabled