ALLIED TELESYN, INC.

AT-125, AT-126

Card Type

Transceiver

NIC Type

Ethernet

Network Transfer Rate

10Mbps

Topology

Linear Bus, Star

Wiring Type

AUI transceiver via DB-15 port

Fiber optic cable

Data Bus

None

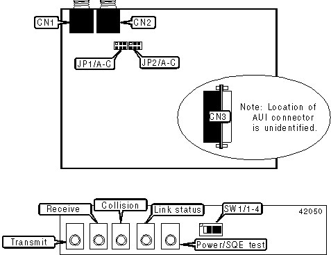
CONNECTIONS

Function

Label

Function

Label

Fiber optic connector - receive

CN1

AUI connector

CN3

Fiber optic connector - transmit

CN2

   

USER CONFIGURABLE SETTINGS

Function

Label

Position

»

SQE/Heartbeat switch disabled

SW1/1

On

 

SQE/Heartbeat switch enabled

SW1/1

Off

»

Continuous transmit function disabled

SW1/2

On

 

Continuous transmit function enabled

SW1/2

Off

»

Link test function - always on

SW1/3

On

»

Factory configured - do not alter

SW1/4

On

TRANSMIT POWER SELECTION

Setting

JP1/A

JP1/B

JP1/C

JP2/A

JP2/B

JP2/C

Low

Closed

Open

Open

Closed

Open

Open

Medium

Open

Closed

Open

Open

Closed

Open

High

Open

Open

Closed

Open

Open

Closed

DIAGNOSTIC LED(S)

LED

Color

Status

Condition

Transmit

Unidentified

On

Data is being transmitted

Transmit

Unidentified

Off

Data is not being transmitted

Receive

Unidentified

On

Data is being received

Receive

Unidentified

Off

Data is not being received

Collision

Unidentified

On

Collision detected on network

Collision

Unidentified

Off

No collision detected on network

Link status

Unidentified

On

Link test function is disabled

Link status

Unidentified

Off

Link test function is enabled

Power/SQE test

Yellow

On

SQE/Heartbeat test is enabled

Power/SQE test

Green

On

SQE/Heartbeat test is disabled