ZIDA TECHNOLOGIES, INC.

6DXP (VER. 1.00)

Device Type

Mainboard

Processor

Pentium Pro

Processor Speed

150/166/180/200MHz

Chip Set

Intel 440FX

Video Chip Set

None

Maximum Onboard Memory

256MB (EDO supported)

Maximum Video Memory

None

Cache

256/512KB (located on Pentium Pro CPU)

BIOS

Award

Dimensions

305mm x 244mm

I/O Options

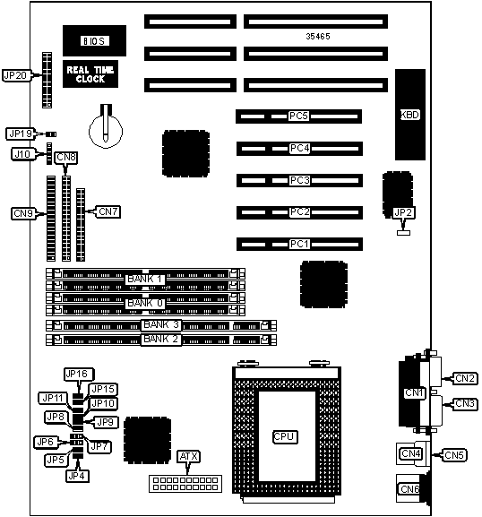
32-bit PCI slots (5), floppy drive interface, green PC connector, IDE interfaces (2), parallel port, PS/2 mouse port, serial ports (2), IR connector, USB connectors (2), ATX power connector

NPU Options

None

CONNECTIONS

Purpose

Location

Purpose

Location

ATX power connector

ATX

CPU fan power

JP6

Parallel port

CN1

CPU fan power

JP7

Serial port 1

CN2

Power LED & keylock

JP20/pins 1 – 5

Serial port 2

CN3

Green PC connector

JP20/pins 7 & 8

USB connector 1

CN4

Speaker

JP20/pins 10 – 13

USB connector 2

CN5

IDE interface LED

JP20/pins 14 & 15

PS/2 mouse port

CN6

Soft off power supply

JP20/pins 17 & 18

Floppy drive interface

CN7

Reset switch

JP20/pins 22 & 23

IDE interface 2

CN8

Turbo LED

JP20/pins 25 & 26

IDE interface 1

CN9

32-bit PCI slots

PC1 – PC5

IR connector

J10

   

USER CONFIGURABLE SETTINGS

Function

Label

Position

»

Factory configured - do not alter

JP2

Unidentified

»

Factory configured - do not alter

JP11

Unidentified

»

CMOS memory normal operation

JP19

Open

 

CMOS memory clear

JP19

Closed

SIMM CONFIGURATION

Size

Bank 0

Bank 1

8MB

(2) 1M x 36

None

16MB

(2) 2M x 36

None

16MB

(2) 1M x 36

(2) 1M x 36

24MB

(2) 2M x 36

(2) 1M x 36

32MB

(2) 4M x 36

None

32MB

(2) 2M x 36

(2) 2M x 36

40MB

(2) 4M x 36

(2) 1M x 36

48MB

(2) 4M x 36

(2) 2M x 36

64MB

(2) 8M x 36

None

64MB

(2) 4M x 36

(2) 4M x 36

72MB

(2) 8M x 36

(2) 1M x 36

80MB

(2) 8M x 36

(2) 2M x 36

96MB

(2) 8M x 36

(2) 4M x 36

128MB

(2) 8M x 36

(2) 8M x 36

128MB

(2) 16M x 36

None

SIMM CONFIGURATION (CON’T)

Size

Bank 0

Bank 1

136MB

(2) 16M x 36

(2) 1M x 36

144MB

(2) 16M x 36

(2) 2M x 36

160MB

(2) 16M x 36

(2) 4M x 36

192MB

(2) 16M x 36

(2) 8M x 36

256MB

(2) 16M x 36

(2) 16M x 36

Note: Board accepts EDO memory.

DIMM CONFIGURATION

Size

Bank 2

Bank 3

8MB

(1) 1M x 64

None

16MB

(1) 2M x 64

None

16MB

(1) 1M x 64

(1) 1M x 64

24MB

(1) 2M x 64

(1) 1M x 64

32MB

(1) 4M x 64

None

32MB

(1) 2M x 64

(1) 2M x 64

40MB

(1) 4M x 64

(1) 1M x 64

48MB

(1) 4M x 64

(1) 2M x 64

64MB

(1) 8M x 64

None

64MB

(1) 4M x 64

(1) 4M x 64

72MB

(1) 8M x 64

(1) 1M x 64

80MB

(1) 8M x 64

(1) 2M x 64

96MB

(1) 8M x 64

(1) 4M x 64

128MB

(1) 16M x 64

None

128MB

(1) 8M x 64

(1) 8M x 64

136MB

(1) 16M x 64

(1) 1M x 64

144MB

(1) 16M x 64

(1) 2M x 64

160MB

(1) 16M x 64

(1) 4M x 64

192MB

(1) 16M x 64

(1) 8M x 64

256MB

(1) 16M x 64

(1) 16M x 64

Note: Board accepts EDO memory.

CACHE CONFIGURATION

Note: 256KB/512KB cache is located on the Pentium Pro CPU.

CPU SPEED SELECTION

CPU speed

Clock speed

Multiplier

JP4

JP5

JP8

JP9

150MHz

60MHz

2.5x

Closed

Open

Open

Closed

166MHz

66MHz

2.5x

Open

Closed

Open

Closed

180MHz

60MHz

3x

Closed

Open

Closed

Open

200MHz

66MHz

3x

Open

Closed

Closed

Open

CPU SPEED SELECTION (CON’T)

CPU speed

Clock speed

Multiplier

JP10

JP15

JP16

150MHz

60MHz

2.5x

Closed

Closed

Open

166MHz

66MHz

2.5x

Closed

Open

Closed

180MHz

60MHz

3x

Closed

Closed

Open

200MHz

66MHz

3x

Closed

Open

Closed