SUPERPOWER COMPUTER CO., LTD.

SP-586TA

Device Type

Mainboard

Processor

CX 6X86/CX 6X86L/CX 686MX/AM K5/AM K6/Pentium/Pentium MMX

Processor Speed

75/90/100/120/133/150/166/180/200/233/266/300MHz

Chip Set

Intel 430TX

Maximum Onboard Memory

128MB (EDO & SDRAM supported)

Cache

512KB

BIOS

Award

I/O Options

32-bit PCI slots (4), floppy drive interface, green PC connector, IDE interfaces (2), parallel port, PS/2 mouse port, serial ports (2), IR connector, USB connectors (2), ATX power connector, wake on LAN connector

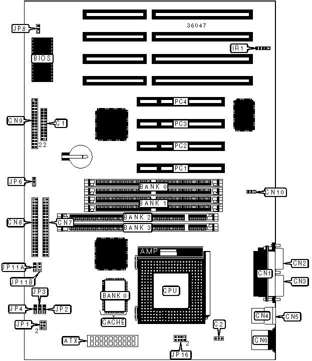
CONNECTIONS

Purpose

Location

Purpose

Location

ATX power connector

ATX

Serial port 2

CN2

Power LED & keylock

C1/pins 1 - 5

Serial port 1

CN3

IDE interface LED

C1/pins 6 & 17

USB connector 1

CN4

Green PC connector

C1/pins 7 & 16

USB connector 2

CN5

Reset switch

C1/pins 8 & 15

PS/2 mouse port

CN6

Turbo LED

C1/pins 9 & 14

IDE interface 1

CN7

Green PC LED

C1/pins 10 & 13

IDE interface 2

CN8

Soft off power supply

C1/pins 11 & 12

Floppy drive interface

CN9

Speaker

C1/pins 19 - 22

Wake on LAN connector

CN10

CPU fan power

C2

IR connector

IR1

Parallel port

CN1

32-bit PCI slots

PC1 - PC4

USER CONFIGURABLE SETTINGS

Function

Label

Position

»

CMOS memory normal operation

JP6

Pins 1 & 2 closed

 

CMOS memory clear

JP6

Pins 2 & 3 closed

 

Flash BIOS voltage select 12v

JP8

Pins 1 & 2 closed

 

Flash BIOS voltage select 5v

JP8

Pins 2 & 3 closed

SIMM CONFIGURATION

Size

Bank 0

Bank 1

8MB

(2) 1M x 36

None

16MB

(2) 2M x 36

None

16MB

(2) 1M x 36

(2) 1M x 36

24MB

(2) 2M x 36

(2) 1M x 36

32MB

(2) 4M x 36

None

32MB

(2) 2M x 36

(2) 2M x 36

40MB

(2) 4M x 36

(2) 1M x 36

48MB

(2) 4M x 36

(2) 2M x 36

64MB

(2) 8M x 36

None

64MB

(2) 4M x 36

(2) 4M x 36

72MB

(2) 8M x 36

(2) 1M x 36

80MB

(2) 8M x 36

(2) 2M x 36

96MB

(2) 8M x 36

(2) 4M x 36

128MB

(2) 8M x 36

(2) 8M x 36

128MB

(2) 16M x 36

None

136MB

(2) 16M x 36

(2) 1M x 36

144MB

(2) 16M x 36

(2) 2M x 36

160MB

(2) 16M x 36

(2) 4M x 36

192MB

(2) 16M x 36

(2) 8M x 36

256MB

(2) 16M x 36

(2) 16M x 36

Note: Board accepts EDO memory.

DIMM CONFIGURATION

Size

Bank 2

Bank 3

8MB

(1) 1M x 64

None

16MB

(1) 2M x 64

None

16MB

(1) 1M x 64

(1) 1M x 64

24MB

(1) 2M x 64

(1) 1M x 64

32MB

(1) 4M x 64

None

32MB

(1) 2M x 64

(1) 2M x 64

40MB

(1) 4M x 64

(1) 1M x 64

48MB

(1) 4M x 64

(1) 2M x 64

64MB

(1) 8M x 64

None

64MB

(1) 4M x 64

(1) 4M x 64

72MB

(1) 8M x 64

(1) 1M x 64

80MB

(1) 8M x 64

(1) 2M x 64

96MB

(1) 8M x 64

(1) 4M x 64

128MB

(1) 16M x 64

None

128MB

(1) 8M x 64

(1) 8M x 64

136MB

(1) 16M x 64

(1) 1M x 64

144MB

(1) 16M x 64

(1) 2M x 64

160MB

(1) 16M x 64

(1) 4M x 64

192MB

(1) 16M x 64

(1) 8M x 64

256MB

(1) 16M x 64

(1) 16M x 64

Note: Board accepts SDRAM memory.

DIMM VOLTAGE CONFIGURATION

Voltage

JP11A

JP11B

3.3v

Pins 2 & 3 closed

Pins 2 & 3 closed

5v

Pins 1 & 2 closed

Pins 1 & 2 closed

CACHE CONFIGURATION

Size

Bank 0

512KB

(1) 64K x 64

CPU SPEED SELECTION (CX 6X86)

CPU speed

Clock speed

Multiplier

JP1/

pins

1 & 2

JP1/

pins

3 & 4

JP1/

pins

5 & 6

JP2

JP3

JP4

150MHz

60MHz

2x

Closed

Open

Open

1 & 2

1 & 2

2 & 3

166MHz

66MHz

2x

Closed

Open

Open

1 & 2

1 & 2

1 & 2

Note: Pins designated should be in the closed position.

CPU SPEED SELECTION (CX 6X86L)

CPU speed

Clock speed

Multiplier

JP1/

pins

1 & 2

JP1/

pins

3 & 4

JP1/

pins

5 & 6

JP2

JP3

JP4

150MHz

60MHz

2x

Closed

Open

Open

1 & 2

1 & 2

2 & 3

166MHz

66MHz

2x

Closed

Open

Open

1 & 2

1 & 2

1 & 2

200MHz

75MHz

2x

Closed

Open

Open

1 & 2

2 & 3

1 & 2

Note: Pins designated should be in the closed position.

CPU SPEED SELECTION (CX 6X86MX)

CPU speed

Clock speed

Multiplier

JP1/

pins

1 & 2

JP1/

pins

3 & 4

JP1/

pins

5 & 6

JP2

JP3

JP4

166MHz

66MHz

2x

Closed

Open

Open

1 & 2

1 & 2

1 & 2

200MHz

66MHz

2.5x

Closed

Closed

Open

1 & 2

1 & 2

1 & 2

200MHz

75MHz

2x

Closed

Open

Open

1 & 2

2 & 3

1 & 2

233MHz

75MHz

2.5x

Closed

Closed

Open

1 & 2

2 & 3

1 & 2

300MHz

75MHz

3x

Open

Closed

Open

1 & 2

2 & 3

1 & 2

Note: Pins designated should be in the closed position.

CPU SPEED SELECTION (AM K5)

CPU speed

Clock speed

Multiplier

JP1/

pins

1 & 2

JP1/

pins

3 & 4

JP1/

pins

5 & 6

JP2

JP3

JP4

133MHz

66MHz

2x

Closed

Open

Open

1 & 2

1 & 2

1 & 2

150MHz

60MHz

2.5x

Closed

Closed

Open

1 & 2

1 & 2

2 & 3

166MHz

66MHz

2.5x

Closed

Closed

Open

1 & 2

1 & 2

1 & 2

Note: Pins designated should be in the closed position.

CPU SPEED SELECTION (AM K6)

CPU speed

Clock speed

Multiplier

JP1/

pins

1 & 2

JP1/

pins

3 & 4

JP1/

pins

5 & 6

JP2

JP3

JP4

166MHz

66MHz

2.5x

Closed

Closed

Open

1 & 2

1 & 2

1 & 2

200MHz

66MHz

3x

Open

Closed

Open

1 & 2

1 & 2

1 & 2

233MHz

66MHz

3.5x

Open

Open

Open

1 & 2

1 & 2

1 & 2

266MHz

66MHz

4x

Closed

Open

Closed

1 & 2

1 & 2

1 & 2

300MHz

66MHz

4.5x

Closed

Closed

Closed

1 & 2

1 & 2

1 & 2

Note: Pins designated should be in the closed position.

CPU SPEED SELECTION (INTEL)

CPU speed

Clock speed

Multiplier

JP1/

pins

1 & 2

JP1/

pins

3 & 4

JP1/

pins

5 & 6

JP2

JP3

JP4

75MHz

50MHz

1.5x

Open

Open

Open

2 & 3

2 & 3

2 & 3

90MHz

60MHz

1.5x

Open

Open

Open

1 & 2

1 & 2

2 & 3

100MHz

66MHz

1.5x

Open

Open

Open

1 & 2

1 & 2

1 & 2

120MHz

60MHz

2x

Closed

Open

Open

1 & 2

1 & 2

2 & 3

133MHz

66MHz

2x

Closed

Open

Open

1 & 2

1 & 2

1 & 2

150MHz

60MHz

2.5x

Closed

Closed

Open

1 & 2

1 & 2

2 & 3

166MHz

66MHz

2.5x

Closed

Closed

Open

1 & 2

1 & 2

1 & 2

200MHz

66MHz

3x

Open

Closed

Open

1 & 2

1 & 2

1 & 2

Note: Pins designated should be in the closed position.

CPU SPEED SELECTION (INTEL MMX)

CPU speed

Clock speed

Multiplier

JP1/

pins

1 & 2

JP1/

pins

3 & 4

JP1/

pins

5 & 6

JP2

JP3

JP4

166MHz

66MHz

2.5x

Closed

Closed

Open

1 & 2

1 & 2

1 & 2

200MHz

66MHz

3x

Open

Closed

Open

1 & 2

1 & 2

1 & 2

233MHz

66MHz

3.5x

Open

Open

Open

1 & 2

1 & 2

1 & 2

Note: Pins designated should be in the closed position.

CPU VOLTAGE SELECTION

Voltage

JP16/pins 1 & 2

JP16/pins 3 & 4

JP16/pins 5 & 6

JP16/pins 7 & 8

2.0v

Open

Open

Open

Open

2.1v

Closed

Open

Open

Open

2.2v

Open

Open

Closed

Open

2.3v

Closed

Closed

Open

Open

2.4v

Open

Open

Closed

Open

2.5v

Closed

Open

Closed

Open

2.6v

Open

Closed

Closed

Open

2.7v

Closed

Closed

Closed

Open

2.8v

Open

Open

Open

Closed

2.9v

Closed

Open

Open

Closed

3.0v

Open

Closed

Closed

Open

3.1v

Closed

Closed

Open

Closed

3.2v

Open

Open

Closed

Closed

3.3v

Open

Closed

Closed

Closed

3.5v

Closed

Closed

Closed

Closed