TYAN COMPUTER CORPORATION

S1694SA

Device Type

Mainboard

Processor

Pentium II/Celeron

Processor Speed

133/166/233/266/300/333MHz

Chip Set

Intel 440EX

Maximum Onboard Memory

512MB (EDO & SDRAM supported)

Audio Chip Set

OPTI

Cache

0/128/256/512KB (located on the CPU)

BIOS

Award

Dimensions

305mm x 244mm

I/O Options

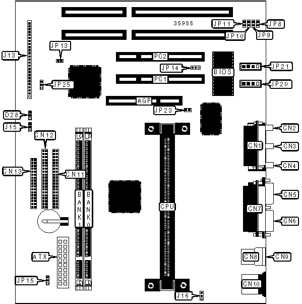
32-bit PCI slots (2), floppy drive interface, game/MIDI port, green PC connector, IDE interfaces (2), parallel port, PS/2 mouse port, serial ports (2), IR connector, USB connectors (2), ATX power connector, AGP slot, line in, line out, microphone in, audio in – CD-ROMs (2), wake on LAN connector

CONNECTIONS

Purpose

Location

Purpose

Location

AGP slot

AGP

Soft off power supply

J13/pins 1 & 2

ATX power connector

ATX

Green PC connector

J13/pins 3 & 4

Game/MIDI port

CN1

IR connector

J13/pins 6 – 10

Microphone in

CN2

IDE interface LED

J13/pins 13 – 16

Line in

CN3

Power LED

J13/pins 18 & 20

Line out

CN4

Reset switch

J13/pins 22 & 23

Serial port 2

CN5

Speaker

J13/pins 24 - 27

Serial port 1

CN6

Chassis fan power

J15

Parallel port

CN7

CPU fan power

J16

USB connector 1

CN8

Green PC connector

JP13

USB connector 2

CN9

Wake on LAN connector

JP14

PS/2 mouse port

CN10

Audio in – CD-ROM (Mitsumi)

JP20

IDE interface 2

CN11

Audio in – CD-ROM (Panasonic)

JP21

IDE interface 1

CN12

Chassis intrusion connector

JP25

Floppy drive interface

CN13

32-bit PCI slots

PC1 – PC2

Two color LED

D28

   

USER CONFIGURABLE SETTINGS

Function

Label

Position

»

CMOS memory normal operation

JP15

Pins 1 & 2 closed

 

CMOS memory clear

JP15

Pins 2 & 3 closed

 

On board sound disabled

JP23

Closed

 

On board sound enabled

JP23

Open

DIMM CONFIGURATION

Size

Bank 0

Bank 1

8MB

(1) 1M x 64

None

16MB

(1) 2M x 64

None

16MB

(1) 1M x 64

(1) 1M x 64

24MB

(1) 2M x 64

(1) 1M x 64

32MB

(1) 4M x 64

None

32MB

(1) 2M x 64

(1) 2M x 64

40MB

(1) 4M x 64

(1) 1M x 64

48MB

(1) 4M x 64

(1) 2M x 64

64MB

(1) 8M x 64

None

64MB

(1) 4M x 64

(1) 4M x 64

72MB

(1) 8M x 64

(1) 1M x 64

80MB

(1) 8M x 64

(1) 2M x 64

96MB

(1) 8M x 64

(1) 4M x 64

128MB

(1) 16M x 64

None

DIMM CONFIGURATION (CON’T)

Size

Bank 0

Bank 1

128MB

(1) 8M x 64

(1) 8M x 64

136MB

(1) 16M x 64

(1) 1M x 64

144MB

(1) 16M x 64

(1) 2M x 64

160MB

(1) 16M x 64

(1) 4M x 64

192MB

(1) 16M x 64

(1) 8M x 64

256MB

(1) 16M x 64

(1) 16M x 64

256MB

(1) 32M x 64

None

264MB

(1) 32M x 64

(1) 1M x 64

272MB

(1) 32M x 64

(1) 2M x 64

288MB

(1) 32M x 64

(1) 4M x 64

320MB

(1) 32M x 64

(1) 8M x 64

384MB

(1) 32M x 64

(1) 16M x 64

512MB

(1) 32M x 64

(1) 32M x 64

Note: Board accepts EDO & SDRAM memory.

CACHE CONFIGURATION

Note: 256KB/512KB cache is located on the Pentium II CPU. 128KB cache is located on the Celeron 300A & 333 CPU.

CPU SPEED SELECTION

CPU speed

Clock speed

Multiplier

JP8

JP9

JP10

JP11

133MHz

66MHz

2x

Closed

Closed

Closed

Closed

166MHz

66MHz

2.5x

Closed

Open

Closed

Closed

200MHz

66MHz

3x

Closed

Closed

Open

Closed

233MHz

66MHz

3.5x

Closed

Open

Open

Closed

266MHz

66MHz

4x

Closed

Closed

Closed

Open

300MHz

66MHz

4.5x

Closed

Open

Closed

Open

333MHz

66MHz

5x

Closed

Closed

Open

Open