SIEMENS NIXDORF

SYSTEM BOARD D1097

Device Type

Mainboard

Processor

Pentium II

Processor Speed

Unidentified

Chip Set

Unidentified

Video Chip Set

Cirrus Logic

Maximum Onboard Memory

768MB (SDRAM supported)

Maximum Video Memory

2MB

Cache

256/512KB (located on Pentium II CPU)

BIOS

Unidentified

Dimensions

305mm x 244mm

I/O Options

32-bit PCI slots (4), Ethernet 10BaseT connector, floppy drive interface, green PC connector, IDE interfaces (2), Wide SCSI interface, parallel port, PS/2 mouse port, serial ports (2), VGA port, wake on LAN connector

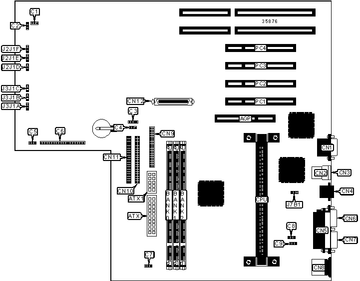
CONNECTIONS

Purpose

Location

Purpose

Location

AGP slot

AGP

Chassis fan power

C8

ATX power connector

ATX

Chassis intrusion connector

C9

Auxiliary ATX power connector

ATX1

VGA port

CN1

IMB connector

C1

USB connector 1

CN2

Chassis fan power

C2

USB connector 2

CN3

IDE interface LED

C3

Ethernet 10BaseT connector

CN4

Wake on LAN connector

C4

Parallel port

CN5

Chassis fan power

C5

Serial port

CN6

Soft off power supply

C6/pins 1 – 3

Serial port

CN7

IDE interface LED

C6/pins 4 - 7

PS/2 mouse port

CN8

Speaker

C6/pins 8 - 11

Floppy drive interface

CN9

Power LED

C6/pins 12 – 14

IDE interface 2

CN10

Reset switch

C6/pins 16 & 17

IDE interface 1

CN11

Green PC connector

C6/pins 18 & 19

Wide SCSI interface

CN12

Chassis fan power

C7

32-bit PCI slots

PC1 – PC4

USER CONFIGURABLE SETTINGS

Function

Label

Position

»

BIOS normal operation

J2J1D

Pins 1 & 2 closed

 

BIOS recovery mode

J2J1D

Pins 2 & 3 closed

»

Password normal operation

J2J1E

Pins 1 & 2 closed

 

Password clear

J2J1E

Pins 2 & 3 closed

»

CMOS memory normal operation

J2J1F

Pins 1 & 2 closed

 

CMOS memory clear

J2J1F

Pins 2 & 3 closed

»

BMC boot block write protect enabled

J3J1A

Pins 1 & 2 closed

 

BMC boot block write protect disabled

J3J1A

Pins 2 & 3 closed

»

System boot normal

J3J1B

Pins 1 & 2 closed

 

System boot through firmware

J3J1B

Pins 2 & 3 closed

»

BIOS boot block write protect enabled

J3J1C

Pins 1 & 2 closed

 

BIOS boot block write protect disabled

J3J1C

Pins 2 & 3 closed

»

Wake on LAN disabled

J7B1

Pins 1 & 2 closed

 

Wake on LAN enabled

J7B1

Pins 2 & 3 closed

DIMM CONFIGURATION

Size

Bank 0

Bank 1

Bank 2

8MB

(1) 1M x 64

None

None

16MB

(1) 1M x 64

(1) 1M x 64

None

16MB

(1) 2M x 64

None

None

24MB

(1) 1M x 64

(1) 1M x 64

(1) 1M x 64

32MB

(1) 2M x 64

(1) 2M x 64

None

32MB

(1) 4M x 64

None

None

48MB

(1) 2M x 64

(1) 2M x 64

(1) 2M x 64

64MB

(1) 4M x 64

(1) 4M x 64

None

64MB

(1) 8M x 64

None

None

96MB

(1) 4M x 64

(1) 4M x 64

(1) 4M x 64

128MB

(1) 8M x 64

(1) 8M x 64

None

128MB

(1) 16M x 64

None

None

164MB

(1) 16M x 64

(1) 1M x 64

None

144MB

(1) 16M x 64

(1) 1M x 64

(1) 1M x 64

144MB

(1) 16M x 64

(1) 2M x 64

None

160MB

(1) 16M x 64

(1) 2M x 64

(1) 2M x 64

160MB

(1) 16M x 64

(1) 4M x 64

None

192MB

(1) 16M x 64

(1) 4M x 64

(1) 4M x 64

192MB

(1) 16M x 64

(1) 8M x 64

None

192MB

(1) 8M x 64

(1) 8M x 64

(1) 8M x 64

256MB

(1) 16M x 64

(1) 8M x 64

(1) 8M x 64

256MB

(1) 16M x 64

(1) 16M x 64

None

256MB

(1) 32M x 64

None

None

264MB

(1) 32M x 64

(1) 1M x 64

None

272MB

(1) 32M x 64

(1) 1M x 64

(1) 1M x 64

288MB

(1) 32M x 64

(1) 2M x 64

(1) 2M x 64

288MB

(1) 32M x 64

(1) 4M x 64

None

320MB

(1) 32M x 64

(1) 4M x 64

(1) 4M x 64

320MB

(1) 32M x 64

(1) 8M x 64

None

384MB

(1) 32M x 64

(1) 8M x 64

(1) 8M x 64

384MB

(1) 32M x 64

(1) 16M x 64

None

384MB

(1) 16M x 64

(1) 16M x 64

(1) 16M x 64

512MB

(1) 32M x 64

(1) 16M x 64

(1) 16M x 64

512MB

(1) 32M x 64

(1) 32M x 64

None

768MB

(1) 32M x 64

(1) 32M x 64

(1) 32M x 64

Note: Board accepts SDRAM memory.

CACHE CONFIGURATION

Note: 256KB/512KB cache is located on the Pentium II CPU.

VIDEO MEMORY CONFIGURATION

Note: The location of the video memory is unidentified.