SUPER MICRO

P6SKE

Processor

Pentium Pro/Pentium II

Processor Speed

150/166/180/200/233/266/300/333/366/400MHz

Chip Set

Intel

Video Chip Set

None

Maximum Onboard Memory

768MB (EDO supported)

Maximum Video Memory

None

Cache

256/512KB (located on Pentium Pro/Pentium II CPU)

BIOS

AMI

Dimensions

305mm x 244mm

I/O Options

32-bit PCI slots (4), floppy drive interface, IDE interfaces (2), parallel port, PS/2 mouse port, serial ports (2), IR connector, USB connector, ATX power connector

NPU Options

None

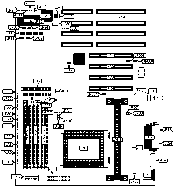
CONNECTIONS

Purpose

Location

Purpose

Location

ATX power connector

ATX

Power LED & keylock

JP20

Chassis fan power

FAN1

Reset switch

JP21

Chassis fan power

FAN2

Green PC connector

JP39

IDE interface 1

J11

Fan replacement buzzer

JP89

IDE interface 2

J12

Overheat LED

JP90

3.3v power

J21A

Backup cooling fan power

JP91

Speaker

J22

Backup cooling fan power

JP92

IDE interface LED

J23

Backup cooling fan power

JP93

USB connector

J34

IR connector

JP96

PS/2 mouse port

J82

External battery

JP881

Floppy drive interface

J85

Soft off power supply

JP882

Parallel port

J817

32-bit PCI slots

PC1 – PC4

Serial port 1

J818

SCSI interface LED

JA3

Serial port 2

J824

   

USER CONFIGURABLE SETTINGS

Function

Label

Position

»

Factory configured - do not alter

J1

Unidentified

»

Factory configured - do not alter

J35

Unidentified

»

Factory configured - do not alter

J36

Unidentified

»

Factory configured - do not alter

J86

Pins 1 & 2 closed

»

Factory configured - do not alter

J88

Pins 1 & 2 closed

»

Factory configured - do not alter

J827

Closed

»

Factory configured - do not alter

J828

Closed

»

Factory configured - do not alter

J829

Closed

»

Factory configured - do not alter

J980

Unidentified

»

Factory configured - do not alter

JP15

Pins 2 & 3 closed

»

Factory configured - do not alter

JP26

Open

»

Factory configured - do not alter

JP27

Closed

»

Factory configured - do not alter

JP35

Unidentified

»

Factory configured - do not alter

JP38

Open

»

ISA CLK = PCI CLK/4

JP42

Closed

 

ISA CLK = PCI CLK/3

JP42

Open

»

Buzzer control select standby

JP88

Closed

 

Buzzer control select disabled

JP88

Open

»

Factory configured - do not alter

JP94

Unidentified

»

Factory configured - do not alter

JP97

Unidentified

»

CMOS memory normal operation

JP880

Pins 1 & 2 closed

 

CMOS memory clear

JP880

Pins 2 & 3 closed

SIMM CONFIGURATION

Size

Bank 0

Bank 1

Bank 2

8MB

(2) 1M x 36

None

None

16MB

(2) 1M x 36

(2) 1M x 36

None

16MB

(2) 2M x 36

None

None

24MB

(2) 2M x 36

(2) 1M x 36

None

24MB

(2) 1M x 36

(2) 1M x 36

(2) 1M x 36

32MB

(2) 4M x 36

None

None

32MB

(2) 2M x 36

(2) 2M x 36

None

40MB

(2) 4M x 36

(2) 1M x 36

None

48MB

(2) 4M x 36

(2) 2M x 36

None

48MB

(2) 4M x 36

(2) 1M x 36

(2) 1M x 36

56MB

(2) 4M x 36

(2) 2M x 36

(2) 1M x 36

64MB

(2) 8M x 36

None

None

64MB

(2) 4M x 36

(2) 4M x 36

None

80MB

(2) 8M x 36

(2) 2M x 36

None

80MB

(2) 8M x 36

(2) 1M x 36

(2) 1M x 36

88MB

(2) 8M x 36

(2) 2M x 36

(2) 1M x 36

96MB

(2) 8M x 36

(2) 4M x 36

None

96MB

(2) 4M x 36

(2) 4M x 36

(2) 4M x 36

96MB

(2) 8M x 36

(2) 2M x 36

(2) 2M x 36

104MB

(2) 8M x 36

(2) 4M x 36

(2) 1M x 36

112MB

(2) 8M x 36

(2) 4M x 36

(2) 2M x 36

128MB

(2) 8M x 36

(2) 4M x 36

(2) 4M x 36

128MB

(2) 16M x 36

None

None

128MB

(2) 8M x 36

(2) 8M x 36

None

136MB

(2) 16M x 36

(2) 1M x 36

None

144MB

(2) 16M x 36

(2) 2M x 36

None

144MB

(2) 16M x 36

(2) 1M x 36

(2) 1M x 36

152MB

(2) 16M x 36

(2) 2M x 36

(2) 1M x 36

160MB

(2) 16M x 36

(2) 4M x 36

None

160MB

(2) 16M x 36

(2) 2M x 36

(2) 2M x 36

192MB

(2) 16M x 36

(2) 8M x 36

None

208MB

(2) 16M x 36

(2) 8M x 36

(2) 2M x 36

224MB

(2) 16M x 36

(2) 8M x 36

(2) 4M x 36

256MB

(2) 16M x 36

(2) 16M x 36

None

256MB

(2) 16M x 36

(2) 8M x 36

(2) 8M x 36

256MB

(2) 32M x 36

None

None

264MB

(2) 16M x 36

(2) 16M x 36

(2) 1M x 36

272MB

(2) 16M x 36

(2) 16M x 36

(2) 2M x 36

288MB

(2) 16M x 36

(2) 16M x 36

(2) 4M x 36

320MB

(2) 16M x 36

(2) 16M x 36

(2) 8M x 36

384MB

(2) 16M x 36

(2) 16M x 36

(2) 16M x 36

512MB

(2) 32M x 36

(2) 32M x 36

None

768MB

(2) 32M x 36

(2) 32M x 36

(2) 32M x 36

Note: Board accepts EDO memory.

CACHE CONFIGURATION

Note: 256KB/512KB cache is located on the Pentium Pro/Pentium II CPU.

CPU SPEED SELECTION (PENTIUM II)

CPU speed

JP29

JP30

JP31

JP32

JP36

JP37

233MHz

Open

Open

Closed

Closed

Open

Closed

266MHz

Closed

Closed

Open

Closed

Open

Closed

300MHz

Open

Closed

Open

Closed

Open

Closed

333MHz

Closed

Open

Open

Closed

Open

Closed

366MHz

Open

Open

Open

Closed

Open

Closed

400MHz

Closed

Closed

Closed

Open

Open

Closed

CPU SPEED SELECTION (PENTIUM PRO)

CPU speed

JP29

JP30

JP31

JP32

JP36

JP37

150MHz

Open

Closed

Closed

Closed

Closed

Open

166MHz

Open

Closed

Closed

Closed

Open

Closed

180MHz

Closed

Open

Closed

Closed

Closed

Open

200MHz

Closed

Open

Closed

Closed

Open

Closed

CPU TYPE SELECTION

Type

JP884

Pentium II

Open

Pentium Pro

Closed

THERMAL CONTROL SELECTION

Temperature

JP95

 

48C

Pins 1 & 2 closed

»

68C

Pins 2 & 3 closed

Note: Depending on temperature selected, a backup fan or alarm will sound, letting user know the system is overheating.