TECHMEDIA COMPUTER SYSTEMS CORPORATION

TMB-I430VX-ATX

Processor

CX M1/AM K5/Pentium

Processor Speed

75/90/100/120/133/150/166/180/200MHz

Chip Set

Intel

Video Chip Set

S3

Maximum Onboard Memory

128MB (EDO supported)

Maximum Video Memory

2MB

Cache

256/512KB

BIOS

Award

Dimensions

280mm x 224mm

I/O Options

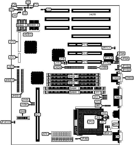
32-bit PCI slots (3), floppy drive interface, green PC connector, IDE interfaces (2), parallel port, PS/2 mouse port, PS/2 mouse interface, serial ports (2), VGA port, cache slot, IR connector, USB connector, ATX power connector

NPU Options

None

CONNECTIONS

Purpose

Location

Purpose

Location

ATX power supply

ATX

Chassis fan power

JFAN

IDE interface LED

C1

Soft off power supply

JPATX1

Green PC connector

C2

IDE interface 1

JHDD1

Reset switch

C3

IDE interface 2

JHDD2

Speaker

C4

IR connector

JP17A

Power LED & keylock

C5

PS/2 mouse interface

JM1

Floppy drive interface

CN2A

PS/2 mouse port

MS1

Serial port 1

CN3A

VGA port

O4

Serial port 2

CN4A

32-bit PCI slots

PC1 – PC3

Parallel port

CN6A

Cache slot

SL1

Green PC LED

J4

USB connector

USB1

USER CONFIGURABLE SETTINGS

Function

Label

Position

»

Factory configured - do not alter

J2

Unidentified

»

Factory configured - do not alter

J14

Unidentified

»

Factory configured - do not alter

J15

Unidentified

»

Factory configured - do not alter

J18

Unidentified

»

Factory configured - do not alter

J1V

Unidentified

»

Factory configured - do not alter

J2V

Unidentified

»

Factory configured - do not alter

JP8A

Unidentified

»

Factory configured - do not alter

JP9A

Unidentified

»

Factory configured - do not alter

JP14A

Unidentified

»

Factory configured - do not alter

JP15A

Unidentified

»

Factory configured - do not alter

JP16A

Unidentified

»

CMOS memory normal operation

JRTC1

Open

 

CMOS memory clear

JRTC1

Closed

DIMM/DRAM CONFIGURATION

Size

Bank 0

Bank 1

Bank 2

Bank 3

8MB

(2) 1M x 36

None

None

None

8MB

None

None

(1) 1M x 64

None

16MB

None

None

(1) 2M x 64

None

16MB

(2) 1M x 36

(2) 1M x 36

None

None

24MB

(2) 1M x 36

(2) 2M x 36

None

None

24MB

(2) 2M x 36

None

None

(1) 1M x 64

32MB

(2) 4M x 36

None

None

None

32MB

None

None

(1) 4M x 64

None

32MB

None

None

(1) 2M x 64

(1) 2M x 64

32MB

(2) 2M x 36

(2) 2M x 36

None

None

40MB

(2) 1M x 36

(2) 4M x 36

None

None

40MB

(2) 4M x 36

None

None

(1) 1M x 64

DIMM/DRAM CONFIGURATION (CON’T)

Size

Bank 0

Bank 1

Bank 2

Bank 3

48MB

(2) 2M x 36

(2) 4M x 36

None

None

48MB

(2) 2M x 36

None

(1) 4M x 64

None

64MB

(2) 8M x 36

None

None

None

64MB

None

None

None

(1) 8M x 64

64MB

(2) 4M x 36

(2) 4M x 36

None

None

64MB

None

None

(1) 4M x 64

(1) 4M x 64

72MB

(2) 8M x 36

(2) 1M x 36

None

None

72MB

(2) 8M x 36

None

None

(1) 1M x 64

80MB

(2) 2M x 36

None

None

(1) 8M x 64

80MB

(2) 8M x 36

(2) 2M x 36

None

None

80MB

(2) 8M x 36

None

None

(1) 2M x 64

96MB

(2) 8M x 36

(2) 4M x 36

None

None

96MB

(2) 4M x 36

None

None

(1) 8M x 64

96MB

(2) 8M x 36

None

None

(1) 4M x 64

128MB

(2) 8M x 36

(2) 8M x 36

None

None

Note: Board accepts EDO memory. Banks 0 & 1, 2 & 3 are interchangeable.

DIMM VOLTAGE CONFIGURATION

Voltage

J11

J12

J13

3.3v

Pins 1 & 2 closed

Pins 1 & 2 closed

Pins 1 & 2 closed

5v

Pins 3 & 4 closed

Pins 3 & 4 closed

Pins 3 & 4 closed

CACHE CONFIGURATION

Size

Bank 0

SL1

256KB (A)

(2) 32K x 32

Not installed

256KB (B)

(2) 32K x 32

256KB module installed

512KB

(2) 64K x 32

Not installed

Note: The location of bank 0 is unidentified.

CACHE JUMPER CONFIGURATION

Size

J14K

J15K

256KB (A)

Pins 1 & 2 closed

Pins 2 & 3 closed

256KB (B)

Pins 2 & 3 closed

Pins 2 & 3 closed

512KB

Pins 2 & 3 closed

Pins 1 & 2 closed

VIDEO MEMORY CONFIGURATION

Size

Bank 0

Bank 1

1MB

(2) 256K x 16

None

2MB

(2) 256K x 16

(2) 256K x 16

CPU SPEED SELECTION (CYRIX)

CPU speed

Clock speed

Multiplier

SW1/1

SW1/2

SW1/3

SW1/4

120MHz

50MHz

1.5x

Off

Off

On

Off

150MHz

60MHz

1.5x

On

On

Off

Off

166MHz

66MHz

1.5x

On

Off

Off

Off

CPU SPEED SELECTION (CYRIX, CON’T)

CPU speed

Clock speed

Multiplier

SW1/5

SW1/6

SW1/7

SW1/8

120MHz

50MHz

2x

Off

On

On

Off

150MHz

60MHz

2x

Off

On

On

Off

166MHz

66MHz

2x

Off

On

On

Off

CPU SPEED SELECTION (AMD)

CPU speed

Clock speed

Multiplier

SW1/1

SW1/2

SW1/3

SW1/4

75MHz

50MHz

1.5x

Off

Off

On

Off

90MHz

60MHz

1.5x

On

On

Off

Off

100MHz

66MHz

1.5x

On

Off

Off

Off

CPU SPEED SELECTION (AMD, CON’T)

CPU speed

Clock speed

Multiplier

SW1/5

SW1/6

SW1/7

SW1/8

75MHz

50MHz

1.5x

On

Off

On

Off

90MHz

60MHz

1.5x

On

Off

On

Off

100MHz

66MHz

1.5x

On

Off

On

Off

CPU SPEED SELECTION (INTEL)

CPU speed

Clock speed

Multiplier

SW1/1

SW1/2

SW1/3

SW1/4

75MHz

50MHz

1.5x

Off

Off

On

Off

90MHz

60MHz

1.5x

On

On

Off

Off

100MHz

66MHz

1.5x

On

Off

Off

Off

120MHz

60MHz

2x

On

On

Off

Off

133MHz

66MHz

2x

On

Off

Off

Off

150MHz

60MHz

2.5x

On

On

Off

Off

166MHz

66MHz

2.5x

On

Off

Off

Off

180MHz

60MHz

3x

On

On

Off

Off

200MHz

66MHz

3x

On

Off

Off

Off

CPU SPEED SELECTION (INTEL, CON’T)

CPU speed

Clock speed

Multiplier

SW1/5

SW1/6

SW1/7

SW1/8

75MHz

50MHz

1.5x

On

Off

On

Off

90MHz

60MHz

1.5x

On

Off

On

Off

100MHz

66MHz

1.5x

On

Off

On

Off

120MHz

60MHz

2x

Off

On

On

Off

133MHz

66MHz

2x

Off

On

On

Off

150MHz

60MHz

2.5x

Off

On

Off

On

166MHz

66MHz

2.5x

Off

On

Off

On

180MHz

60MHz

3x

On

Off

Off

On

200MHz

66MHz

3x

On

Off

Off

On

CPU VOLTAGE SELECTION

Voltage

V core

J16

J17

JB3P1

3v

2.8v

Closed

Closed

Open

3.3v

3.3v

Open

Open

1 & 2, 3 & 3, 5 & 6, 7 & 8