TYAN COMPUTER CORPORATION
S1472
|
Processor |
CX M1/SGS/IBM/Pentium |
|
Processor Speed |
75/90/100/120/133/150/166/200MHz |
|
Chip Set |
Intel |
|
Video Chip Set |
None |
|
Maximum Onboard Memory |
128MB (EDO supported) |
|
Maximum Video Memory |
None |
|
Cache |
256/512KB |
|
BIOS |
AMI/Award |
|
Dimensions |
330mm x 218mm |
|
I/O Options |
32-bit PCI slots (5), floppy drive interface, IDE interfaces (2), parallel port, PS/2 mouse port, serial ports (2), cache slot, IR connectors (2), USB connectors (2), ATX power connector |
|
NPU Options |
None |
|
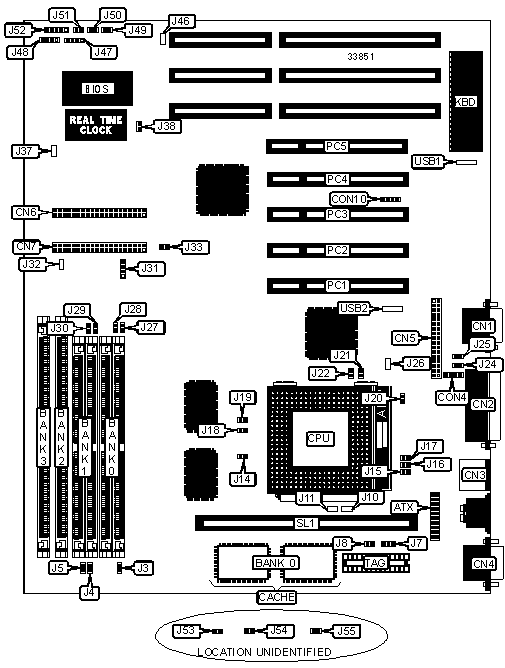
CONNECTIONS | |||
|
Purpose |
Location |
Purpose |
Location |
|
ATX power connector |
ATX |
IDE interface LED |
J47 |
|
Serial port 1 |
CN1 |
Speaker |
J48 |
|
Parallel port |
CN2 |
Reset switch |
J49 |
|
PS/2 mouse port |
CN3 |
Turbo switch |
J50 |
|
Serial port 2 |
CN4 |
Turbo LED |
J51 |
|
Floppy drive interface |
CN5 |
Power LED & keylock |
J52 |
|
IDE interface 2 |
CN6 |
32-bit PCI slots |
PC1 - PC5 |
|
IDE interface 1 |
CN7 |
Cache slot |
SL1 |
|
IR connector |
CON4 |
USB connector 1 |
USB1 |
|
IR connector |
CON10 |
USB connector 2 |
USB2 |
|
USER CONFIGURABLE SETTINGS | |||
|
Function |
Label |
Position | |
|
» |
Factory configured - do not alter |
J10 |
Unidentified |
|
» |
Factory configured - do not alter |
J11 |
Unidentified |
|
ATX power on |
J20 |
Open | |
|
ATX power off |
J20 |
Closed | |
|
» |
Factory configured - do not alter |
J26 |
Unidentified |
|
» |
Factory configured - do not alter |
J32 |
Unidentified |
|
» |
Factory configured - do not alter |
J37 |
Unidentified |
|
» |
CMOS memory normal operation |
J38 |
Open |
|
CMOS memory clear |
J38 |
Closed | |
|
» |
Factory configured - do not alter |
J46 |
Pins 1 & 2 closed |
|
DRAM CONFIGURATION | ||||
|
Size |
Bank 0 |
Bank 1 |
Bank 2 |
Bank 3 |
|
8MB |
(2) 1M x 32 |
None |
None |
None |
|
8MB |
None |
None |
(1) 1M x 64 |
None |
|
16MB |
None |
None |
(1) 2M x 64 |
None |
|
16MB |
(2) 2M x 32 |
None |
None |
None |
|
16MB |
(2) 1M x 32 |
(2) 1M x 32 |
None |
None |
|
32MB |
(2) 2M x 32 |
(2) 2M x 32 |
None |
None |
|
32MB |
(2) 4M x 32 |
None |
None |
None |
|
32MB |
None |
None |
(1) 4M x 64 |
None |
|
64MB |
(2) 8M x 32 |
None |
None |
None |
|
64MB |
(2) 4M x 32 |
(2) 4M x 32 |
None |
None |
|
64MB |
(2) 4M x 32 |
None |
None |
(1) 4M x 64 |
|
64MB |
None |
None |
(1) 4M x 64 |
(1) 4M x 64 |
|
96MB |
(2) 8M x 32 |
(2) 4M x 32 |
None |
None |
|
96MB |
(2) 8M x 32 |
None |
None |
(1) 4M x 64 |
|
128MB |
(2) 8M x 32 |
(2) 8M x 32 |
None |
None |
|
Note: Board accepts EDO memory. | ||||
|
DRAM VOLTAGE CONFIGURATION | ||||||||
|
Voltage |
J3 |
J4 |
J5 |
J27 |
J28 |
J29 |
J30 | |
|
3.3v |
Closed |
Closed |
Closed |
Open |
Open |
Open |
Open | |
| » |
5v |
Open |
Open |
Open |
Closed |
Closed |
Closed |
Closed |
|
CACHE CONFIGURATION | |||
|
Size |
Bank 0 |
SL1 |
TAG |
|
256KB |
(2) 32K x 32 |
Not installed |
Unidentified |
|
512KB |
(2) 32K x 32 |
256KB module installed |
Unidentified |
|
CACHE JUMPER CONFIGURATION | |
|
Size |
J7 |
|
256KB |
Pins 2 & 3 closed |
|
512KB |
Pins 1 & 2 closed |
|
CACHE TAG CONFIGURATION | |
|
Setting |
J8 |
|
TAG enabled |
Closed |
|
TAG disabled |
Open |
|
Note: Jumper only used if COAST module is installed. | |
|
CPU SPEED SELECTION (CYRIX/SGS/IBM) | |||||
|
CPU speed |
Clock speed |
Multiplier |
J21 |
J22 |
J31 |
|
120MHz |
50MHz |
2x |
Closed |
Open |
1 & 2, 3 & 4 |
|
150MHz |
60MHz |
2x |
Closed |
Open |
3 & 4 |
|
166MHz |
66MHz |
2x |
Closed |
Open |
1 & 2 |
|
Note: Pins designated should be in the closed position. | |||||
|
CPU SPEED SELECTION (INTEL) | |||||
|
CPU speed |
Clock speed |
Multiplier |
J21 |
J22 |
J31 |
|
75MHz |
50MHz |
1.5x |
Open |
Open |
1 & 2, 3 & 4 |
|
90MHz |
60MHz |
1.5x |
Open |
Open |
3 & 4 |
|
100MHz |
66MHz |
1.5x |
Open |
Open |
1 & 2 |
|
120MHz |
60MHz |
2x |
Closed |
Open |
3 & 4 |
|
133MHz |
66MHz |
2x |
Closed |
Open |
1 & 2 |
|
150MHz |
60MHz |
2.5x |
Closed |
Closed |
3 & 4 |
|
166MHz |
66MHz |
2.5x |
Closed |
Closed |
1 & 2 |
|
200MHz |
66MHz |
3x |
Open |
Closed |
1 & 2 |
|
Note: Pins designated should be in the closed position. | |||||
|
CPU VOLTAGE SELECTION (P55C ONLY) | ||||||||
|
Voltage |
J14 |
J15 |
J16 |
J17 |
J18 |
J19 |
J54 |
J55 |
|
2.6v |
Open |
Open |
Closed |
Open |
Open |
Open |
Closed |
Closed |
|
2.8v |
Open |
Open |
Open |
Closed |
Open |
Open |
Closed |
Closed |
|
3v |
Open |
Closed |
Open |
Open |
Open |
Open |
Closed |
Closed |
|
POWER SUPPLY SELECTION | ||||||
|
Setting |
J14 |
J15 |
J16 |
J17 |
J18 | |
| » |
ATX |
Closed |
Open |
Open |
Open |
Closed |
|
AT |
Closed |
Open |
Open |
Open |
Closed | |
|
POWER SUPPLY SELECTION (CON’T) | ||||||
|
Setting |
J19 |
J33 |
J53 |
J54 |
J55 | |
| » |
ATX |
Closed |
Open |
Open |
Open |
Open |
|
AT |
Closed |
Closed |
Closed |
Open |
Closed | |
|
SERIAL PORT SELECTION | ||
|
Setting |
J24 |
J25 |
|
Used as serial port |
Pins 1 & 2 closed |
Pins 1 & 2 closed |
|
Used as IR connector |
Pins 2 & 3 closed |
Pins 2 & 3 closed |