MOTOROLA, INC.

ATXPII

Device Type

Mainboard

Processor

Pentium II

Processor Speed

266/300MHz

Chip Set

Intel 440LX

Maximum Onboard Memory

384MB

Cache

256/512KB (located on Pentium II CPU)

BIOS

Unidentified

Dimensions

305mm x 241mm

I/O Options

32-bit PCI slots (4), Ethernet 10BaseT connector, floppy drive interface, IDE interfaces (2), parallel port, PS/2 mouse port, serial ports (2), IR connector, USB connectors (2), ATX power connector, AGP slot, line in, line out, microphone in, audio in - CD-ROMs (2)

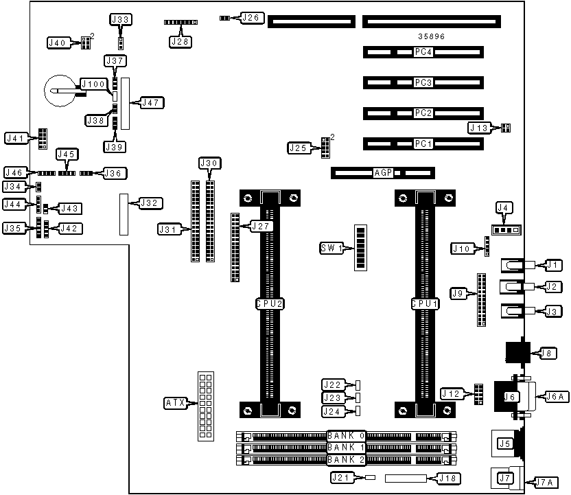
CONNECTIONS

Purpose

Location

Purpose

Location

AGP slot

AGP

Floppy drive interface

J27

ATX power connector

ATX

Watchdog timer controller

J28

Line in

J1

IDE interface 1

J30

Microphone in

J2

IDE interface 2

J31

Line out

J3

CompactFlash connector

J32

Audio in - CD-ROM

J4

Soft off power supply

J34

PS/2 mouse port

J5

Power LED & keylock

J35

Serial port 2

J6

Chassis intrusion

J36

Serial port 1

J6A

IR connector

J41

USB connector 1

J7

Speaker

J42

USB connector 2

J7A

Reset switch

J43

Ethernet 10BaseT connector

J8

IDE interface LED

J44

Parallel port

J9

External battery

J45

Line in cable header

J10

USB connector cable header

J46

Serial port 2 cable header

J12

ROM emulator connector

J47

Ethernet LED cable header

J13

32-bit PCI slots

PC1 - PC4

ITP connector

J18

   

USER CONFIGURABLE SETTINGS

Function

Label

Position

»

Factory configured - do not alter

J21

Unidentified

»

Factory configured - do not alter

J22

Unidentified

»

Factory configured - do not alter

J23

Unidentified

»

Factory configured - do not alter

J24

Unidentified

»

USB select J7

J25

Pins 3 & 5, 4 & 6, 7 & 8 closed

 

USB select J46

J25

Pins 1 & 3, 2 & 4, 9 & 10 closed

»

Watchdog timer disabled

J26

Open

 

Watchdog timer enabled

J26

Closed

»

CMOS memory normal operation

J37

Pins 2 & 3 closed

 

CMOS memory clear

J37

Pins 1 & 2 closed

»

Flash BIOS write protect disabled

J38

Closed

 

Flash BIOS write protect enabled

J38

Open

»

Boot block write protect disabled

J39

Pins 1 & 2 closed

 

Boot block write protect enabled

J39

Pins 2 & 3 closed

USER CONFIGURABLE SETTINGS (CON'T)

Function

Label

Position

»

Standard PC alarm beeps to speaker

J40

Pins 3 & 5, 4 & 6 closed

 

Mono audio output to speaker

J40

Pins 1 & 3, 2 & 4 closed

»

Speaker enabled

J42

Pins 3 & 4 closed

 

Speaker disabled

J42

Open

»

Battery type select internal

J45

Closed

 

Battery type select external

J45

Open

»

Factory configured - do not alter

J100

Unidentified

»

Factory configured - do not alter

SW1/5

Unidentified

»

Factory configured - do not alter

SW1/6

Unidentified

»

Factory configured - do not alter

SW1/7

Unidentified

»

Factory configured - do not alter

SW1/8

Unidentified

DIMM CONFIGURATION

Size

Bank 0

Bank 1

Bank 2

8MB

(1) 1M x 64

None

None

16MB

(1) 2M x 64

None

None

16MB

(1) 1M x 64

(1) 1M x 64

None

24MB

(1) 2M x 64

(1) 1M x 64

None

24MB

(1) 1M x 64

(1) 1M x 64

(1) 1M x 64

32MB

(1) 4M x 64

None

None

32MB

(1) 2M x 64

(1) 1M x 64

(1) 1M x 64

32MB

(1) 2M x 64

(1) 2M x 64

None

40MB

(1) 4M x 64

(1) 1M x 64

None

40MB

(1) 2M x 64

(1) 2M x 64

(1) 1M x 64

48MB

(1) 4M x 64

(1) 1M x 64

(1) 1M x 64

48MB

(1) 4M x 64

(1) 2M x 64

None

48MB

(1) 2M x 64

(1) 2M x 64

(1) 2M x 64

56MB

(1) 4M x 64

(1) 2M x 64

(1) 1M x 64

64MB

(1) 8M x 64

None

None

64MB

(1) 4M x 64

(1) 2M x 64

(1) 2M x 64

64MB

(1) 4M x 64

(1) 4M x 64

None

72MB

(1) 8M x 64

(1) 1M x 64

None

72MB

(1) 4M x 64

(1) 4M x 64

(1) 1M x 64

80MB

(1) 8M x 64

(1) 1M x 64

(1) 1M x 64

80MB

(1) 8M x 64

(1) 2M x 64

None

DIMM CONFIGURATION (CON'T)

Size

Bank 0

Bank 1

Bank 2

80MB

(1) 4M x 64

(1) 4M x 64

(1) 2M x 64

88MB

(1) 8M x 64

(1) 2M x 64

(1) 1M x 64

96MB

(1) 8M x 64

(1) 2M x 64

(1) 2M x 64

96MB

(1) 8M x 64

(1) 4M x 64

None

96MB

(1) 4M x 64

(1) 4M x 64

(1) 4M x 64

104MB

(1) 8M x 64

(1) 4M x 64

(1) 1M x 64

112MB

(1) 8M x 64

(1) 4M x 64

(1) 2M x 64

128MB

(1) 16M x 64

None

None

128MB

(1) 8M x 64

(1) 4M x 64

(1) 4M x 64

128MB

(1) 8M x 64

(1) 8M x 64

None

136MB

(1) 16M x 64

(1) 1M x 64

None

136MB

(1) 8M x 64

(1) 8M x 64

(1) 1M x 64

144MB

(1) 16M x 64

(1) 1M x 64

(1) 1M x 64

144MB

(1) 16M x 64

(1) 2M x 64

None

144MB

(1) 8M x 64

(1) 8M x 64

(1) 2M x 64

152MB

(1) 16M x 64

(1) 2M x 64

(1) 1M x 64

160MB

(1) 16M x 64

(1) 2M x 64

(1) 2M x 64

160MB

(1) 16M x 64

(1) 4M x 64

None

160MB

(1) 8M x 64

(1) 8M x 64

(1) 4M x 64

168MB

(1) 16M x 64

(1) 4M x 64

(1) 1M x 64

176MB

(1) 16M x 64

(1) 4M x 64

(1) 2M x 64

192MB

(1) 16M x 64

(1) 4M x 64

(1) 4M x 64

192MB

(1) 16M x 64

(1) 8M x 64

None

192MB

(1) 8M x 64

(1) 8M x 64

(1) 8M x 64

200MB

(1) 16M x 64

(1) 8M x 64

(1) 1M x 64

208MB

(1) 16M x 64

(1) 8M x 64

(1) 2M x 64

224MB

(1) 16M x 64

(1) 8M x 64

(1) 4M x 64

256MB

(1) 16M x 64

(1) 8M x 64

(1) 8M x 64

384MB

(1) 16M x 64

(1) 16M x 64

(1) 16M x 64

CACHE CONFIGURATION

Note: 256KB/512KB cache is located on the Pentium II CPU.

CPU SPEED SELECTION

CPU speed

Clock speed

Multiplier

SW1/1

SW1/2

SW1/3

SW1/4

266MHz

66MHz

4x

On

On

Off

On

300MHz

66MHz

4.5x

Off

On

Off

On

LED SELECTION

Setting

J33

 

Dual function LED

Open

 

Common anode LED

Pins 1 & 2 closed

»

Common canode LED

Pins 2 & 3 closed