MICRONICS COMPUTERS, INC.
INVADER
|
Processor |
Pentium Pro |
|
Processor Speed |
180/200MHz |
|
Chip Set |
Intel |
|
Video Chip Set |
None |
|
Maximum Onboard Memory |
1GB (EDO supported) |
|
Maximum Video Memory |
None |
|
Cache |
256/512KB (located on Pentium Pro CPU) |
|
BIOS |
Phoenix |
|
Dimensions |
305mm x 244mm |
|
I/O Options |
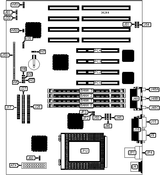
32-bit PCI slots (4), CD-ROM audio in connectors (4), interface, floppy drive interface, game port, green PC connector, IDE interfaces (2), parallel port, PS/2 mouse port, serial ports (2), IR connector, USB connector, ATX power connector, microphone in connector, line in connector, line out connector, wavetable connector, modem in connector |
|
NPU Options |
None |
|
CONNECTIONS | |||
|
Purpose |
Location |
Purpose |
Location |
|
ATX power connector |
ATX |
Modem in connector |
J51 |
|
PS/2 mouse port |
J4 |
ATAPI CD-ROM audio in |
J54 |
|
Serial port 1 |
J9 |
Soft off power supply |
J59/pins 1 & 2 |
|
Serial port 2 |
J15 |
Green PC connector |
J59/pins 3 & 4 |
|
Parallel port |
J16 |
IR connector |
J59/pins 6 - 11 |
|
Floppy drive interface |
J17 |
IDE interface LED |
J59/pins 13 - 16 |
|
IDE interface 2 |
J27 |
Power LED |
J59/pins 18 - 20 |
|
IDE interface 1 |
J28 |
Reset switch |
J59/pins 22 & 23 |
|
Chassis fan power |
J30 |
Speaker |
J59/pins 24 - 27 |
|
Keylock |
J35 |
Chassis fan power |
J60 |
|
CD-ROM audio in |
J45 |
Chassis fan power |
J61 |
|
CD-ROM audio in |
J46 |
USB connector 1 |
JP1 |
|
Game port |
J48 |
USB connector 2 |
JP4 |
|
Microphone in connector |
J48A |
Wavetable connector |
W49 |
|
Line in connector |
J48B |
Chassis instruct photo sensor |
W50 |
|
Line out connector |
J48C |
Temperature sensor |
W51 |
|
CD-ROM audio in |
J50 |
32-bit PCI slots |
PC1 – PC4 |
|
Note: The location of W49 is unidentified. | |||
|
USER CONFIGURABLE SETTINGS | |||
|
Function |
Label |
Position | |
|
» |
CMOS memory normal operation |
W7 |
Pins 1 & 2 closed |
|
CMOS memory clear |
W7 |
Pins 2 & 3 closed | |
|
DIMM CONFIGURATION | ||||
|
Size |
Bank 0 |
Bank 1 |
Bank 2 |
Bank 3 |
|
8MB |
(1) 1M x 64 |
None |
None |
None |
|
16MB |
(1) 2M x 64 |
None |
None |
None |
|
16MB |
(1) 1M x 64 |
(1) 1M x 64 |
None |
None |
|
24MB |
(1) 2M x 64 |
(1) 1M x 64 |
None |
None |
|
24MB |
(1) 1M x 64 |
(1) 1M x 64 |
(1) 1M x 64 |
None |
|
32MB |
(1) 2M x 64 |
(1) 2M x 64 |
None |
None |
|
32MB |
(1) 4M x 64 |
None |
None |
None |
|
32MB |
(1) 1M x 64 |
(1) 1M x 64 |
(1) 1M x 64 |
(1) 1M x 64 |
|
40MB |
(1) 2M x 64 |
(1) 2M x 64 |
(1) 1M x 64 |
None |
|
40MB |
(1) 2M x 64 |
(1) 1M x 64 |
(1) 1M x 64 |
(1) 1M x 64 |
|
40MB |
(1) 4M x 64 |
(1) 1M x 64 |
None |
None |
|
48MB |
(1) 2M x 64 |
(1) 2M x 64 |
(1) 2M x 64 |
None |
|
48MB |
(1) 2M x 64 |
(1) 2M x 64 |
(1) 1M x 64 |
(1) 1M x 64 |
|
48MB |
(1) 4M x 64 |
(1) 1M x 64 |
(1) 1M x 64 |
None |
|
56MB |
(1) 4M x 64 |
(1) 2M x 64 |
(1) 1M x 64 |
None |
|
DIMM CONFIGURATION (CON’T) | ||||
|
Size |
Bank 0 |
Bank 1 |
Bank 2 |
Bank 3 |
|
56MB |
(1) 4M x 64 |
(1) 1M x 64 |
(1) 1M x 64 |
(1) 1M x 64 |
|
64MB |
(1) 2M x 64 |
(1) 2M x 64 |
(1) 2M x 64 |
(1) 2M x 64 |
|
64MB |
(1) 4M x 64 |
(1) 4M x 64 |
None |
None |
|
64MB |
(1) 8M x 64 |
None |
None |
None |
|
80MB |
(1) 4M x 64 |
(1) 2M x 64 |
(1) 2M x 64 |
(1) 2M x 64 |
|
80MB |
(1) 4M x 64 |
(1) 4M x 64 |
(1) 1M x 64 |
(1) 1M x 64 |
|
80MB |
(1) 8M x 64 |
(1) 2M x 64 |
None |
None |
|
80MB |
(1) 8M x 64 |
(1) 1M x 64 |
(1) 1M x 64 |
None |
|
96MB |
(1) 4M x 64 |
(1) 4M x 64 |
(1) 2M x 64 |
(1) 2M x 64 |
|
96MB |
(1) 4M x 64 |
(1) 4M x 64 |
(1) 4M x 64 |
None |
|
96MB |
(1) 8M x 64 |
(1) 2M x 64 |
(1) 1M x 64 |
(1) 1M x 64 |
|
112MB |
(1) 4M x 64 |
(1) 4M x 64 |
(1) 4M x 64 |
(1) 2M x 64 |
|
112MB |
(1) 8M x 64 |
(1) 4M x 64 |
(1) 2M x 64 |
None |
|
112MB |
(1) 8M x 64 |
(1) 4M x 64 |
(1) 1M x 64 |
(1) 1M x 64 |
|
128MB |
(1) 16M x 64 |
None |
None |
None |
|
128MB |
(1) 4M x 64 |
(1) 4M x 64 |
(1) 4M x 64 |
(1) 4M x 64 |
|
128MB |
(1) 8M x 64 |
(1) 4M x 64 |
(1) 4M x 64 |
None |
|
128MB |
(1) 8M x 64 |
(1) 8M x 64 |
None |
None |
|
160MB |
(1) 16M x 64 |
(1) 2M x 64 |
(1) 1M x 64 |
(1) 1M x 64 |
|
160MB |
(1) 8M x 64 |
(1) 4M x 64 |
(1) 4M x 64 |
(1) 4M x 64 |
|
160MB |
(1) 16M x 64 |
(1) 4M x 64 |
None |
None |
|
192MB |
(1) 16M x 64 |
(1) 4M x 64 |
(1) 4M x 64 |
None |
|
192MB |
(1) 8M x 64 |
(1) 8M x 64 |
(1) 4M x 64 |
(1) 4M x 64 |
|
192MB |
(1) 8M x 64 |
(1) 8M x 64 |
(1) 8M x 64 |
None |
|
224MB |
(1) 16M x 64 |
(1) 8M x 64 |
(1) 2M x 64 |
(1) 2M x 64 |
|
224MB |
(1) 16M x 64 |
(1) 8M x 64 |
(1) 4M x 64 |
None |
|
256MB |
(1) 16M x 64 |
(1) 16M x 64 |
None |
None |
|
256MB |
(1) 16M x 64 |
(1) 8M x 64 |
(1) 4M x 64 |
(1) 4M x 64 |
|
256MB |
(1) 16M x 64 |
(1) 8M x 64 |
(1) 8M x 64 |
None |
|
256MB |
(1) 8M x 64 |
(1) 8M x 64 |
(1) 8M x 64 |
(1) 8M x 64 |
|
288MB |
(1) 16M x 64 |
(1) 16M x 64 |
(1) 4M x 64 |
None |
|
320MB |
(1) 16M x 64 |
(1) 8M x 64 |
(1) 8M x 64 |
(1) 8M x 64 |
|
384MB |
(1) 16M x 64 |
(1) 16M x 64 |
(1) 16M x 64 |
None |
|
384MB |
(1) 16M x 64 |
(1) 16M x 64 |
(1) 8M x 64 |
(1) 8M x 64 |
|
448MB |
(1) 16M x 64 |
(1) 16M x 64 |
(1) 16M x 64 |
(1) 8M x 64 |
|
512MB |
(1) 16M x 64 |
(1) 16M x 64 |
(1) 16M x 64 |
(1) 16M x 64 |
|
1GB |
(1) 32M x 64 |
(1) 32M x 64 |
(1) 32M x 64 |
(1) 32M x 64 |
|
Note: Board accepts EDO memory. | ||||
|
CACHE CONFIGURATION |
|
Note: 256KB/512KB cache is located on the Pentium Pro CPU. |
|
CPU SPEED SELECTION | |||||
|
CPU speed |
Clock speed |
Multiplier |
JP2 |
JP3 |
W1 |
|
180MHz |
60MHz |
3x |
Closed |
Open |
Closed |
|
200MHz |
66MHz |
3x |
Open |
Closed |
Closed |
|
CPU SPEED SELECTION (CON’T) | |||||
|
CPU speed |
Clock speed |
Multiplier |
W2 |
W3 |
W4 |
|
180MHz |
60MHz |
3x |
Open |
Closed |
Closed |
|
200MHz |
66MHz |
3x |
Open |
Closed |
Closed |