LUCKY STAR TECHNOLOGY CO., LTD.

6ABX2V

Device Type

Mainboard

Processor

Pentium II/Celeron

Processor Speed

233/266/300/333/350/366/400/450/500/550/600/650/700/

750/800MHz

Chip Set

Intel 440BX

Video Chip Set

None

Maximum Onboard Memory

768MB (EDO & SDRAM supported)

Maximum Video Memory

None

Cache

0/128/512KB (located on the CPU)

BIOS

Award

Dimensions

305mm x 180mm

I/O Options

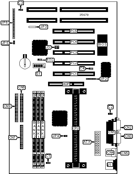
32-bit PCI slots (5), floppy drive interface, IDE interfaces (2), parallel port, PS/2 mouse port, serial ports (2), IR connector, USB connectors (2), ATX power connector, AGP slot, wake on LAN connector, SB-link connector

CONNECTIONS

Purpose

Location

Purpose

Location

AGP slot

AGP

PS/2 mouse port

J1

ATX power connector

ATX

SB-link connector

J3

CPU fan power

C1

IR connector

JP2

CPU fan power

C2

IC GL518SM connector

JP3

CPU fan power

C3

Thermistor connector

JP4

Wake on LAN connector

C4

Soft off power supply

JP5

Parallel port

CN1

Power LED & keylock

JP6/pins 1 – 5

Serial port 2

CN2

Speaker

JP6/pins 7 – 10

Serial port 1

CN3

Reset switch

JP6/pins 12 & 13

USB connector 1

CN4

IDE interface LED

JP6/pins 15 & 16

USB connector 2

CN5

Turbo LED

JP6/pins 18 & 19

Floppy drive interface

CN7

Green PC connector

JP6/pins 21 & 22

IDE interface 2

CN8

32-bit PCI slots

PC1 – PC5

IDE interface 1

CN9

   

USER CONFIGURABLE SETTINGS

Function

Label

Position

»

CMOS memory normal operation

RTC

Pins 1 & 2 closed

 

CMOS memory clear

RTC

Pins 2 & 3 closed

DIMM CONFIGURATION

Size

Bank 0

Bank 1

Bank 2

8MB

(1) 1M x 64

None

None

16MB

(1) 2M x 64

None

None

16MB

(1) 1M x 64

(1) 1M x 64

None

24MB

(1) 2M x 64

(1) 1M x 64

None

24MB

(1) 1M x 64

(1) 1M x 64

(1) 1M x 64

32MB

(1) 4M x 64

None

None

32MB

(1) 2M x 64

(1) 1M x 64

(1) 1M x 64

32MB

(1) 2M x 64

(1) 2M x 64

None

40MB

(1) 4M x 64

(1) 1M x 64

None

40MB

(1) 2M x 64

(1) 2M x 64

(1) 1M x 64

48MB

(1) 4M x 64

(1) 1M x 64

(1) 1M x 64

48MB

(1) 4M x 64

(1) 2M x 64

None

DIMM CONFIGURATION (CON’T)

Size

Bank 0

Bank 1

Bank 2

48MB

(1) 2M x 64

(1) 2M x 64

(1) 2M x 64

56MB

(1) 4M x 64

(1) 2M x 64

(1) 1M x 64

64MB

(1) 4M x 64

(1) 2M x 64

(1) 2M x 64

64MB

(1) 4M x 64

(1) 4M x 64

None

72MB

(1) 8M x 64

(1) 1M x 64

None

72MB

(1) 4M x 64

(1) 4M x 64

(1) 1M x 64

80MB

(1) 8M x 64

(1) 1M x 64

(1) 1M x 64

80MB

(1) 8M x 64

(1) 2M x 64

None

80MB

(1) 4M x 64

(1) 4M x 64

(1) 2M x 64

88MB

(1) 8M x 64

(1) 2M x 64

(1) 1M x 64

96MB

(1) 8M x 64

(1) 2M x 64

(1) 2M x 64

96MB

(1) 8M x 64

(1) 4M x 64

None

96MB

(1) 4M x 64

(1) 4M x 64

(1) 4M x 64

104MB

(1) 8M x 64

(1) 4M x 64

(1) 1M x 64

112MB

(1) 8M x 64

(1) 4M x 64

(1) 2M x 64

128MB

(1) 16M x 64

None

None

128MB

(1) 8M x 64

(1) 4M x 64

(1) 4M x 64

128MB

(1) 8M x 64

(1) 8M x 64

None

136MB

(1) 16M x 64

(1) 1M x 64

None

136MB

(1) 8M x 64

(1) 8M x 64

(1) 1M x 64

144MB

(1) 16M x 64

(1) 1M x 64

(1) 1M x 64

144MB

(1) 16M x 64

(1) 2M x 64

None

144MB

(1) 8M x 64

(1) 8M x 64

(1) 2M x 64

152MB

(1) 16M x 64

(1) 2M x 64

(1) 1M x 64

160MB

(1) 16M x 64

(1) 2M x 64

(1) 2M x 64

160MB

(1) 16M x 64

(1) 4M x 64

None

160MB

(1) 8M x 64

(1) 8M x 64

(1) 4M x 64

168MB

(1) 16M x 64

(1) 4M x 64

(1) 1M x 64

176MB

(1) 16M x 64

(1) 4M x 64

(1) 2M x 64

192MB

(1) 16M x 64

(1) 4M x 64

(1) 4M x 64

192MB

(1) 16M x 64

(1) 8M x 64

None

192MB

(1) 8M x 64

(1) 8M x 64

(1) 8M x 64

200MB

(1) 16M x 64

(1) 8M x 64

(1) 1M x 64

208MB

(1) 16M x 64

(1) 8M x 64

(1) 2M x 64

DIMM CONFIGURATION (CON’T)

Size

Bank 0

Bank 1

Bank 2

224MB

(1) 16M x 64

(1) 8M x 64

(1) 4M x 64

256MB

(1) 32M x 64

None

None

256MB

(1) 16M x 64

(1) 8M x 64

(1) 8M x 64

272MB

(1) 32M x 64

(1) 1M x 64

(1) 1M x 64

272MB

(1) 32M x 64

(1) 2M x 64

None

288MB

(1) 32M x 64

(1) 2M x 64

(1) 2M x 64

288MB

(1) 32M x 64

(1) 4M x 64

None

320MB

(1) 32M x 64

(1) 4M x 64

(1) 4M x 64

320MB

(1) 32M x 64

(1) 8M x 64

None

384MB

(1) 32M x 64

(1) 8M x 64

(1) 8M x 64

384MB

(1) 32M x 64

(1) 16M x 64

None

384MB

(1) 16M x 64

(1) 16M x 64

(1) 16M x 64

384MB

(1) 16M x 64

(1) 16M x 64

(1) 16M x 64

512MB

(1) 32M x 64

(1) 32M x 64

None

768MB

(1) 32M x 64

(1) 32M x 64

(1) 32M x 64

Note: Board accepts EDO & SDRAM memory. Maximum SDRAM is 768MB. Maximum EDO is 384MB.

CACHE CONFIGURATION

Note: 512KB cache is located on the Pentium II CPU. 128KB cache is located on the Celeron 300A & 333 CPU.

CPU SPEED SELECTION

CPU speed

Clock speed

Multiplier

S1/1

S1/2

S1/3

S1/4

S1/5

S1/6

233MHz

66MHz

3.5x

Off

Off

On

On

Off

Off

266MHz

66MHz

4x

Off

Off

Off

Off

On

Off

300MHz

66MHz

4.5x

Off

Off

On

Off

On

Off

333MHz

66MHz

5x

Off

Off

Off

On

On

Off

366MHz

66MHz

2x

Off

Off

On

On

On

Off

350MHz

100MHz

3.5x

Off

Off

On

On

Off

Off

400MHz

100MHz

4x

Off

Off

Off

Off

On

Off

450MHz

100MHz

4.5x

Off

Off

On

Off

On

Off

500MHz

100MHz

5x

Off

Off

Off

On

On

Off

550MHz

100MHz

5.5x

Off

Off

On

On

On

Off

600MHz

100MHz

6x

Off

Off

Off

Off

Off

On

650MHz

100MHz

6.5x

Off

Off

On

Off

Off

On

700MHz

100MHz

7x

Off

Off

Off

On

Off

On

750MHz

100MHz

7.5x

Off

Off

On

On

Off

On

800MHz

100MHz

8x

Off

Off

Off

Off

On

On