J-BOND COMPUTER SYSTEMS CORPORATION

PCI500C-J

Processor

CX 6X86/IBM 6X86/CX 6X86MX/IBM6X86MX/AM K5/AM K6/Pentium

Processor Speed

90/100/120/133/150/166/180/200/233/266/300MHz

Chip Set

Intel

Video Chip Set

None

Maximum Onboard Memory

256MB

Maximum Video Memory

None

Cache

256/512KB

BIOS

Award

Dimensions

305mm x 244mm

I/O Options

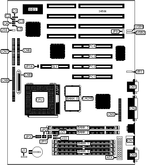
32-bit PCI slots (4), floppy drive interface, IDE interfaces (2), SCSI interface, Wide SCSI interface, parallel port, PS/2 mouse port, serial ports (2), IR connector, VRM connector, USB connectors (2), ATX power connector, RAID slot

NPU Options

None

CONNECTIONS

Purpose

Location

Purpose

Location

ATX power connector

ATX

Floppy drive interface

CN5

Speaker

C1

IDE interface 2

CN6

Power LED

C2

IDE interface 1

CN7

SCSI interface LED

C3

Wide SCSI interface

CN8

Reset switch

C4

SCSI interface

CN9

IDE interface LED

C5

IR connector

IR1

Serial port 2

CN1

32-bit PCI slots

PC1 – PC4

Parallel port

CN2

RAID slot

SL1

PS/2 mouse port

CN3

USB connector

USB1

Serial port 1

CN4

USB connector

USB2

USER CONFIGURABLE SETTINGS

Function

Label

Position

»

Factory configured - do not alter

J1

Unidentified

»

Factory configured - do not alter

J14

Unidentified

»

Factory configured - do not alter

JP8

Unidentified

 

SCSI high byte enabled

JP14

Closed

 

SCSI high byte disabled

JP14

Open

SIMM CONFIGURATION

Size

Bank 0

Bank 1

8MB

(2) 1M x 36

None

16MB

(2) 2M x 36

None

16MB

(2) 1M x 36

(2) 1M x 36

24MB

(2) 2M x 36

(2) 1M x 36

32MB

(2) 4M x 36

None

32MB

(2) 2M x 36

(2) 2M x 36

40MB

(2) 4M x 36

(2) 1M x 36

48MB

(2) 4M x 36

(2) 2M x 36

64MB

(2) 8M x 36

None

64MB

(2) 4M x 36

(2) 4M x 36

72MB

(2) 8M x 36

(2) 1M x 36

80MB

(2) 8M x 36

(2) 2M x 36

96MB

(2) 8M x 36

(2) 4M x 36

128MB

(2) 8M x 36

(2) 8M x 36

128MB

(2) 16M x 36

None

136MB

(2) 16M x 36

(2) 1M x 36

144MB

(2) 16M x 36

(2) 2M x 36

160MB

(2) 16M x 36

(2) 4M x 36

192MB

(2) 16M x 36

(2) 8M x 36

256MB

(2) 16M x 36

(2) 16M x 36

DIMM CONFIGURATION

Size

Bank 2

Bank 3

8MB

(1) 1M x 64

None

16MB

(1) 2M x 64

None

16MB

(1) 1M x 64

(1) 1M x 64

24MB

(1) 2M x 64

(1) 1M x 64

32MB

(1) 4M x 64

None

32MB

(1) 2M x 64

(1) 2M x 64

40MB

(1) 4M x 64

(1) 1M x 64

48MB

(1) 4M x 64

(1) 2M x 64

64MB

(1) 8M x 64

None

64MB

(1) 4M x 64

(1) 4M x 64

72MB

(1) 8M x 64

(1) 1M x 64

80MB

(1) 8M x 64

(1) 2M x 64

96MB

(1) 8M x 64

(1) 4M x 64

128MB

(1) 8M x 64

(1) 8M x 64

DIMM VOLTAGE CONFIGURATION

Voltage

J21

J22

3.3v

Pins 1 & 2 closed

Pins 1 & 2 closed

5v

Pins 2 & 3 closed

Pins 2 & 3 closed

CACHE CONFIGURATION

Size

Bank 0

256KB

(2) 32K x 32

512KB

(2) 64K x 32

CPU SPEED SELECTION (CX 6X86)

CPU speed

Clock speed

Multiplier

JP1

JP2

133MHz

60MHz

2x

2 & 5

1 & 4, 2 & 5

150MHz

60MHz

2x

2 & 5

1 & 4

166MHz

66MHz

2x

2 & 5

Open

200MHz

75MHz

2x

2 & 5

2 & 5

Note: Pins designated should be in the closed position.

CPU SPEED SELECTION (IBM 6X86)

CPU speed

Clock speed

Multiplier

JP1

JP2

133MHz

60MHz

2x

2 & 5

1 & 4, 2 & 5

150MHz

60MHz

2x

2 & 5

1 & 4

166MHz

66MHz

2x

2 & 5

Open

200MHz

75MHz

2x

2 & 5

2 & 5

Note: Pins designated should be in the closed position.

CPU SPEED SELECTION (CX 6X86MX)

CPU speed

Clock speed

Multiplier

JP1

JP2

166MHz

66MHz

2x

2 & 5

Open

166MHz

60MHz

2.5x

1 & 4, 2 & 5

1 & 4

200MHz

75MHz

2x

2 & 5

2 & 5

200MHz

66MHz

2.5x

1 & 4, 2 & 5

Open

233MHz

75MHz

2.5x

1 & 4, 2 & 5

2 & 5

233MHz

66MHz

3x

1 & 4

Open

Note: Pins designated should be in the closed position.

CPU SPEED SELECTION (IBM 6X86MX)

CPU speed

Clock speed

Multiplier

JP1

JP2

166MHz

66MHz

2x

2 & 5

Open

166MHz

60MHz

2.5x

1 & 4, 2 & 5

1 & 4

200MHz

75MHz

2x

2 & 5

2 & 5

200MHz

66MHz

2.5x

1 & 4, 2 & 5

Open

233MHz

75MHz

2.5x

1 & 4, 2 & 5

2 & 5

233MHz

66MHz

3x

1 & 4

Open

Note: Pins designated should be in the closed position.

CPU SPEED SELECTION (AMD K5)

CPU speed

Clock speed

Multiplier

JP1

JP2

90MHz

60MHz

1.5x

Open

1 & 4

100MHz

66MHz

1.5x

Open

Open

120MHz

60MHz

2x

2 & 5

1 & 4

133MHz

66MHz

2x

2 & 5

Open

150MHz

60MHz

2.5x

1 & 4, 2 & 5

1 & 4

166MHz

66MHz

2.5x

1 & 4, 2 & 5

Open

180MHz

60MHz

3x

1 & 4

1 & 4

200MHz

66MHz

3x

1 & 4

Open

233MHz

66MHz

3.5x

Open

Open

Note: Pins designated should be in the closed position.

CPU SPEED SELECTION (AM K6)

CPU speed

Clock speed

Multiplier

JP1

JP2

166MHz

66MHz

2.5x

1 & 4, 2 & 5

Open

180MHz

60MHz

3x

1 & 4

1 & 4

200MHz

66MHz

3x

1 & 4

Open

233MHz

66MHz

3.5x

Open

Open

266MHz

66MHz

4x

1 & 4, 3 & 6

Open

300MHz

66MHz

4.5x

1 & 4, 2 & 5, 3 & 6

Open

Note: Pins designated should be in the closed position.

CPU SPEED SELECTION (INTEL)

CPU speed

Clock speed

Multiplier

JP1

JP2

90MHz

60MHz

1.5x

Open

1 & 4

100MHz

66MHz

1.5x

Open

Open

120MHz

60MHz

2x

2 & 5

1 & 4

133MHz

66MHz

2x

2 & 5

Open

150MHz

60MHz

2.5x

1 & 4, 2 & 5

1 & 4

166MHz

66MHz

2.5x

1 & 4, 2 & 5

Open

180MHz

60MHz

3x

1 & 4

1 & 4

200MHz

66MHz

3x

1 & 4

Open

233MHz

66MHz

3.5x

Open

Open

Note: Pins designated should be in the closed position.

CPU VOLTAGE SELECTION

Voltage

JP3

2.1v

Pins 1 & 5 closed

2.8v

Pins 4 & 8 closed

2.9v

Pins 1 & 5, 4 & 8 closed

3.2v

Pins 3 & 7, 4 & 8 closed

3.3v

Pins 2 & 6, 3 & 7, 4 & 8 closed

3.52v

Pins 1 & 5, 2 & 6, 3 & 7, 4 & 8 closed