GIGA-BYTE TECHNOLOGY CO., LTD.

GA-6EMMP (REV. 1.2)

Device Type

Mainboard

Processor

Pentium II

Processor Speed

200/233/266/300/333/366MHz

Chip Set

Intel 440EX

Video Chip Set

ATI

Maximum Onboard Memory

256MB (EDO & SDRAM supported)

Maximum Video Memory

2MB

Cache

256/512KB (located on Pentium II CPU)

BIOS

Award

Dimensions

243mm x 200mm

I/O Options

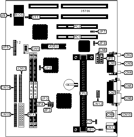
32-bit PCI slots (2), floppy drive interface, game/MIDI port, green PC connector, IDE interfaces (2), parallel port, PS/2 mouse port, serial ports (2), VGA port, IR connector, USB connectors (2), ATX power connector, line in, line out, microphone in, audio in – CD-ROMs (2), wake on LAN connector

CONNECTIONS

Purpose

Location

Purpose

Location

ATX power connector

ATX

IDE interface 2

CN13

CPU fan power

C1

IDE interface 1

CN14

Game/MIDI port

CN1

Floppy drive interface

CN15

Microphone in

CN2

Wake on modem connector

J11

Line in

CN3

Audio in – CD-ROM

JP5

Line out

CN4

Green PC LED

JP6/pins 1 & 12

VGA port

CN5

Reset switch

JP6/pins 3 & 4

Audio in – CD-ROM

CN6

Speaker

JP6/pins 5 - 8

Parallel port

CN7

IDE interface LED

JP6/pins 9 & 20

Serial port 1

CN8

Green PC connector

JP6/pins 11 & 22

USB connector 1

CN9

Soft off power supply

JP6/pins 15 & 16

USB connector 2

CN10

Power LED

JP6/pins 17 - 19

PS/2 mouse port

CN11

Wake on LAN connector

JP7

Serial port 2

CN12

32-bit PCI slots

PC1 – PC2

USER CONFIGURABLE SETTINGS

Function

Label

Position

 

ATX power control select soft off

J9

Open

 

ATX power control select soft off/full on

J9

Closed

»

Keyboard power on enabled

JP1

Pins 1 & 2 closed

 

Keyboard power on disabled

JP1

Pins 2 & 3 closed

»

Onboard VGA enabled

JP8

Pins 2 & 3 closed

 

Onboard VGA disabled

JP8

Pins 1 & 2 closed

»

On board sound enabled

JP9

Pins 1 & 2 closed

 

On board sound disabled

JP9

Pins 2 & 3 closed

DIMM CONFIGURATION

Size

Bank 0

Bank 1

8MB

(1) 1M x 64

None

16MB

(1) 2M x 64

None

16MB

(1) 1M x 64

(1) 1M x 64

24MB

(1) 2M x 64

(1) 1M x 64

32MB

(1) 4M x 64

None

32MB

(1) 2M x 64

(1) 2M x 64

40MB

(1) 4M x 64

(1) 1M x 64

DIMM CONFIGURATION (CON’T)

Size

Bank 0

Bank 1

48MB

(1) 4M x 64

(1) 2M x 64

64MB

(1) 8M x 64

None

64MB

(1) 4M x 64

(1) 4M x 64

72MB

(1) 8M x 64

(1) 1M x 64

80MB

(1) 8M x 64

(1) 2M x 64

96MB

(1) 8M x 64

(1) 4M x 64

128MB

(1) 16M x 64

None

128MB

(1) 8M x 64

(1) 8M x 64

136MB

(1) 16M x 64

(1) 1M x 64

144MB

(1) 16M x 64

(1) 2M x 64

160MB

(1) 16M x 64

(1) 4M x 64

192MB

(1) 16M x 64

(1) 8M x 64

256MB

(1) 16M x 64

(1) 16M x 64

Note: Board accepts EDO & SDRAM memory.

CACHE CONFIGURATION

Note: 256KB/512KB cache is located on the Pentium II CPU.

VIDEO MEMORY CONFIGURATION

Note: Video memory is factory installed and is not configurable.

CPU SPEED SELECTION

CPU speed

Clock speed

Multiplier

JP2

JP3

JP4

200MHz

66MHz

3x

1 & 2

1 & 2

1 & 2

233MHz

66MHz

3.5x

1 & 2

1 & 2

1 & 2

266MHz

66MHz

4x

1 & 2

1 & 2

1 & 2

300MHz

66MHz

4.5x

1 & 2

1 & 2

1 & 2

333MHz

66MHz

5x

1 & 2

1 & 2

1 & 2

366MHz

66MHz

5.5x

1 & 2

1 & 2

1 & 2

Note: Pins designated should be in the closed position.

CPU SPEED SELECTION (CON’T)

CPU speed

Clock speed

Multiplier

SW1/1

SW1/2

SW1/3

SW1/4

200MHz

66MHz

3x

On

Off

On

On

233MHz

66MHz

3.5x

Off

Off

On

On

266MHz

66MHz

4x

On

On

Off

On

300MHz

66MHz

4.5x

Off

On

Off

On

333MHz

66MHz

5x

On

Off

Off

On

366MHz

66MHz

5.5x

Off

Off

Off

On