FREETECH CORPORATION

P6F90I

Device Type

Mainboard

Processor

Pentium II/Celeron

Processor Speed

233/266/300/333

Chip Set

Intel 440LX

Maximum Onboard Memory

384MB (EDO & SDRAM supported)

Cache

0/128/256/512KB (located on the CPU)

BIOS

Award

Dimensions

200mm x 304mm

I/O Options

32-bit PCI slots (4), floppy drive interface, IDE interfaces (2), parallel port, PS/2 mouse port, serial ports (2), IR connector, USB connectors (2), ATX power connector, AGP slot

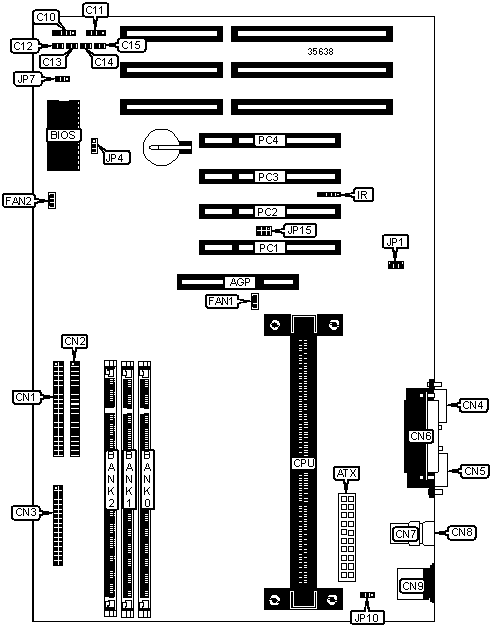
CONNECTIONS

Purpose

Location

Purpose

Location

AGP slot

AGP

Parallel port

CN6

ATX power connector

ATX

USB connector 1

CN7

Speaker

C11

USB connector 2

CN8

Power switch

C12

PS/2 mouse port

CN9

Reset switch

C13

Power LED & keylock

C10

Green PC LED

C14

CPU fan power

FAN1

IDE interface LED

C15

Chassis fan power

FAN2

IDE interface 2

CN1

IR connector

IR

IDE interface 1

CN2

WAKE on LAN connector

JP1

Floppy drive interface

CN3

SB link connector

JP15

Serial port 2

CN4

32-bit PCI slots

PC1 - PC4

Serial port 1

CN5

   

USER CONFIGURABLE SETTINGS

Function

Label

Position

»

CMOS memory normal operation

JP4

Pins 1 & 2 closed

 

CMOS memory clear

JP4

Pins 2 & 3 closed

»

Auto power on disabled

JP7

Pins 2 & 3 closed

 

Auto power on enabled

JP7

Pins 1 & 2 closed

»

Keyboard and mouse use 5v standby power

JP10

Pins 2 & 3 closed

 

Keyboard and mouse use 5v power enabled

JP10

Pins 1 & 2 closed

DIMM CONFIGURATION

Size

Bank 0

Bank 1

Bank 2

8MB

(1) 1M x 64

None

None

16MB

(1) 1M x 64

(1) 1M x 64

None

16MB

(1) 2M x 64

None

None

24MB

(1) 1M x 64

(1) 1M x 64

(1) 1M x 64

24MB

(1) 2M x 64

(1) 1M x 64

None

32MB

(1) 2M x 64

(1) 2M x 64

None

32MB

(1) 4M x 64

None

None

40MB

(1) 2M x 64

(1) 2M x 64

(1) 1M x 64

48MB

(1) 2M x 64

(1) 2M x 64

(1) 2M x 64

48MB

(1) 4M x 64

(1) 2M x 64

None

64MB

(1) 4M x 64

(1) 4M x 64

None

64MB

(1) 8M x 64

None

None

80MB

(1) 4M x 64

(1) 4M x 64

(1) 2M x 64

96MB

(1) 4M x 64

(1) 4M x 64

(1) 4M x 64

96MB

(1) 8M x 64

(1) 4M x 64

None

128MB

(1) 8M x 64

(1) 8M x 64

None

128MB

16M x 64

None

None

160MB

(1) 8M x 64

(1) 8M x 64

(1) 4M x 64

192MB

(1) 8M x 64

(1) 8M x 64

(1) 8M x 64

192MB

(1) 16M x 64

(1) 8M x 64

None

256MB

(1) 16M x 64

(1) 16M x 64

None

320MB

(1) 16M x 64

(1) 16M x 64

(1) 8M x 64

384MB

(1) 16M x 64

(1) 16M x 64

(1) 16M x 64

CACHE CONFIGURATION

The 128KB cache is location on the Cleleron 300A & 333. The 256/512KB cache is located on the Pentium II CPU.