FIRST INTERNATIONAL COMPUTER, INC.

486-POS

Device Type

Mainboard

Processor

80486SX/U5S/U5SD/U5SLV/CX 486DX/80486DX/CX 486DX2/ AM486DX2/80486DX2/CX 486DX4/TI486DX4/AM486DX4/80486DX4/ P24D/P24S/P24T/CX 5X85/CX M1SC/AM X5

Processor Speed

25/33/40/50(internal)/50/66(internal)/75(internal)/80(internal)/

100(internal)/120(internal)/133(internal)MHz

Chip Set

VIA

Video Chip Set

Unidentified

Maximum Onboard Memory

64MB

Maximum Video Memory

1MB

Cache

None

BIOS

Unidentified

Dimensions

254mm x 218mm

I/O Options

Ethernet BNC connector, Ethernet RJ-45 connector, floppy drive interface, IDE interface, parallel port, PS/2 mouse port, serial port, VGA interface

NPU Options

None

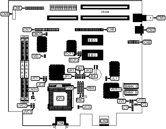
CONNECTIONS

Purpose

Location

Purpose

Location

Power LED & keylock

C1

VGA interface

CN5

Reset switch

C2

IDE interface

CN6

Ethernet BNC connector

CN1

Floppy drive interface

CN7

Ethernet RJ-45 connector

CN2

Parallel port

CN8

PS/2 mouse port

CN3

Keyboard connector

CN9

Serial port 1

CN4

 

 

USER CONFIGURABLE SETTINGS

Function

Label

Position

»

CMOS memory normal operation

CMOS

Closed

 

CMOS memory clear

CMOS

Open

»

On board LAN enabled

JL1

Pins 1 & 2 closed

 

On board LAN disabled

JL1

Pins 2 & 3 closed

 

On board chipset select CG version

JP1

Pins 2 & 3 closed

 

On board chipset select all others

JP1

Pins 1 & 2 closed

»

On board video enabled

JV1

Pins 2 & 3 closed

 

On board video disabled

JV1

Pins 1 & 2 closed

»

Factory configured - do not alter

JV2

Unidentified

»

Monitor type select monochrome/EGA/VGA

VID

Open

 

Monitor type select color

VID

Closed

SIMM CONFIGURATION

Size

Bank 0

Bank 1

4MB

(1) 1M x 36

None

8MB

(1) 2M x 36

None

8MB

(1) 1M x 36

(1) 1M x 36

12MB

(1) 1M x 36

(1) 2M x 36

16MB

(1) 4M x 36

None

16MB

(1) 2M x 36

(1) 2M x 36

20MB

(1) 4M x 36

(1) 1M x 36

24MB

(1) 2M x 36

(1) 4M x 36

32MB

(1) 8M x 36

None

32MB

(1) 4M x 36

(1) 4M x 36

36MB

(1) 1M x 36

(1) 8M x 36

40MB

(1) 2M x 36

(1) 8M x 36

48MB

(1) 4M x 36

(1) 8M x 36

64MB

(1) 8M x 36

(1) 8M x 36

VIDEO MEMORY CONFIGURATION

Size

Bank 0

Bank 1

512KB

(1) 256K x 16

None

1MB

(1) 256K x 16

(1) 256K x 16

CPU TYPE SELECTION

Type

JC1

JC2

JC3

80486SX

Pins 2 & 3 closed

Pins 2 & 3 closed

Open

U5S

Pins 2 & 3 closed

Pins 2 & 3 closed

Open

U5SD

Pins 1 & 2 closed

Pins 1 & 2 closed

Open

U5SLV

Pins 2 & 3 closed

Pins 2 & 3 closed

Open

CX 486DX

Pins 1 & 2 closed

Pins 1 & 2 closed

Open

80486DX

Pins 1 & 2 closed

Pins 1 & 2 closed

Open

CX 486DX2

Pins 1 & 2 closed

Pins 1 & 2 closed

Open

AM486DX2-80

Pins 1 & 2 closed

Pins 1 & 2 closed

Open

AM486DX2

Pins 1 & 2 closed

Pins 1 & 2 closed

Open

80486DX2

Pins 1 & 2 closed

Pins 1 & 2 closed

Open

CX 486DX4

Pins 1 & 2 closed

Pins 1 & 2 closed

Open

TI486DX4

Pins 1 & 2 closed

Pins 1 & 2 closed

Open

AM486DX4

Pins 1 & 2 closed

Pins 1 & 2 closed

Open

(SL) AM486DX4

Pins 1 & 2 closed

Pins 1 & 2 closed

Open

80486DX4 (3x)

Pins 1 & 2 closed

Pins 1 & 2 closed

Open

80486DX4

Pins 1 & 2 closed

Pins 1 & 2 closed

Open

P24D

Pins 1 & 2 closed

Pins 1 & 2 closed

Open

P24S

Pins 1 & 2 closed

Pins 1 & 2 closed

Open

P24T

Pins 1 & 2 closed

Pins 1 & 2 closed

Closed

CX 5X85

Pins 1 & 2 closed

Pins 1 & 2 closed

Open

CX M1SC

Pins 1 & 2 closed

Pins 1 & 2 closed

Open

AM X5

Pins 1 & 2 closed

Pins 1 & 2 closed

Open

CPU TYPE SELECTION (CON'T)

Type

RNA

RNC

RN1

80486SX

Not installed

Not installed

Pins 1 - 8 closed

U5S

Pins 1 - 8 closed

Not installed

Not installed

U5SD

Pins 1 - 8 closed

Not installed

Not installed

U5SLV

Pins 1 - 8 closed

Not installed

Not installed

CX 486DX

Not installed

Pins 1 - 8 closed

Not installed

80486DX

Not installed

Not installed

Pins 1 - 8 closed

CX 486DX2

Not installed

Pins 1 - 8 closed

Not installed

AM486DX2-80

Not installed

*

*

AM486DX2

Installed

Not installed

Not installed

80486DX2

Not installed

Not installed

Pins 1 - 8 closed

CX 486DX4

Not installed

Not installed

Pins 1 - 8 closed

TI486DX4

Not installed

Not installed

Pins 1 - 8 closed

AM486DX4

Installed

Not installed

Not installed

(SL) AM486DX4

Not installed

Not installed

Pins 1 - 8 closed

80486DX4 (3x)

Not installed

Not installed

Pins 1 - 8 closed

80486DX4

Not installed

Not installed

Pins 1 - 8 closed

P24D

Not installed

Not installed

Pins 1 - 8 closed

P24S

Not installed

Not installed

Pins 1 - 8 closed

P24T

Not installed

Not installed

Pins 1 - 8 closed

CX 5X85

Not installed

Not installed

Pins 1 - 8 closed

CX M1SC

Not installed

Not installed

Pins 2 - 10 closed

AM X5

Not installed

*

*

Note: * = Connect pin 2 on RN1 to pin 5 on RNC

CPU SPEED SELECTION

Speed

JK1

JK2

JK3

JK4

25MHz

Pins 2 & 3 closed

Pins 1 & 2 closed

Pins 2 & 3 closed

Pins 1 & 2 closed

33MHz

Pins 2 & 3 closed

Pins 2 & 3 closed

Pins 1 & 2 closed

Pins 1 & 2 closed

40MHz

Pins 1 & 2 closed

Pins 1 & 2 closed

Pins 2 & 3 closed

Pins 1 & 2 closed

50iMHz

Pins 2 & 3 closed

Pins 1 & 2 closed

Pins 2 & 3 closed

Pins 1 & 2 closed

50MHz

Pins 2 & 3 closed

Pins 1 & 2 closed

Pins 2 & 3 closed

Pins 2 & 3 closed

66iMHz

Pins 2 & 3 closed

Pins 2 & 3 closed

Pins 1 & 2 closed

Pins 1 & 2 closed

75iMHz

Pins 2 & 3 closed

Pins 1 & 2 closed

Pins 2 & 3 closed

Pins 1 & 2 closed

80iMHz

Pins 1 & 2 closed

Pins 1 & 2 closed

Pins 2 & 3 closed

Pins 1 & 2 closed

100iMHz

Pins 2 & 3 closed

Pins 2 & 3 closed

Pins 1 & 2 closed

Pins 1 & 2 closed

120iMHz

Pins 1 & 2 closed

Pins 1 & 2 closed

Pins 2 & 3 closed

Pins 1 & 2 closed

133iMHz

Pins 2 & 3 closed

Pins 2 & 3 closed

Pins 1 & 2 closed

Pins 1 & 2 closed

CPU LOW VOLTAGE SELECTION

Voltage

JVC1

JVC2

3.3v

Pins 1 & 2 closed

Open

3.45v

Pins 2 & 3 closed

Open

3.59v

Open

Pins 1 & 2 closed

4v

Open

Pins 2 & 3 closed

CPU VOLTAGE SELECTION

Voltage

CN3V

3.3v

Open

3.46v

Open

3.59v

Open

4v

Open

5v

Pins 1 & 2, 3 & 4 closed

DMA CHANNEL SELECTION

Channel

ECP1

ECP2

» 1

Pins 1 & 2 closed

Pins 1 & 2 closed

3

Pins 2 & 3 closed

Pins 2 & 3 closed