ELITEGROUP COMPUTER SYSTEMS, INC.
P6LX-A
|
Device Type |
Mainboard |
|
Processor |
Pentium II |
|
Processor Speed |
233/266/300/333MHz |
|
Chip Set |
Intel |
|
Video Chip Set |
None |
|
Maximum Onboard Memory |
512MB |
|
Maximum Video Memory |
None |
|
Cache |
256/512KB (located on Pentium II CPU) |
|
BIOS |
Award |
|
Dimensions |
305mm x 244mm |
|
I/O Options |
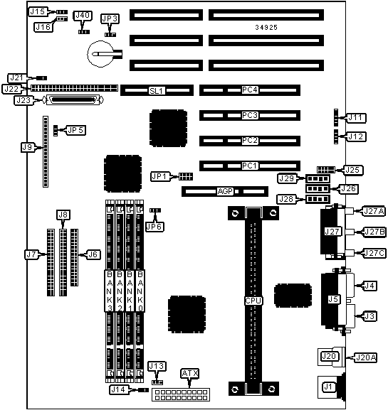
32-bit PCI slots (4), green PC connector, floppy drive interface, game port, IDE interfaces (2), SCSI interface, Ultra Wide SCSI interface, parallel port, PS/2 mouse port, serial ports (2), IR connectors (2), USB connectors (2), ATX power connector, AGP slot, line in, line out, microphone in, audio in CD-ROMs (3), RAID slot |
|
NPU Options |
None |
|
CONNECTIONS | |||
|
Purpose |
Location |
Purpose |
Location |
|
AGP slot |
AGP |
CPU fan power |
J14 |
|
ATX power connector |
ATX |
Chassis fan power |
J15 |
|
PS/2 mouse port |
J1 |
Intrusion detector |
J16 |
|
Serial port 2 |
J3 |
USB connector 1 |
J20 |
|
Serial port 1 |
J4 |
USB connector 2 |
J20A |
|
Parallel port |
J5 |
Wake on modem connector |
J21 |
|
Floppy drive interface |
J6 |
Wide SCSI interface |
J22 |
|
IDE interface 1 |
J7 |
Ultra Wide SCSI interface |
J23 |
|
IDE interface 2 |
J8 |
MB-pro connector |
J25 |
|
Power LED |
J9/pins 1 - 3 |
Audio in CD-ROM |
J26 |
|
Green PC connector |
J9/pins 4 & 5 |
Game port |
J27 |
|
Green PC LED |
J9/pins 6 - 8 |
Microphone in |
J27A |
|
Reset switch |
J9/pins 9 & 10 |
Line in |
J27B |
|
Keylock |
J9/pins 11 & 12 |
Line out |
J27C |
|
Speaker |
J9/pins 13 - 16 |
Audio in CD-ROM |
J28 |
|
IDE interface LED |
J9/pins 17 & 18 |
Audio in CD-ROM |
J29 |
|
Soft off power supply |
J9/pins 19 & 20 |
Wake on LAN connector |
J40 |
|
FIR connector |
J11 |
32-bit PCI slots |
PC1 PC4 |
|
IR connector |
J12 |
RAID slot |
SL1 |
|
Power supply fan |
J13 | ||
|
USER CONFIGURABLE SETTINGS | |||
|
Function |
Label |
Position | |
|
» |
CMOS memory normal operation |
JP3 |
Pins 2 & 3 closed |
|
CMOS memory clear |
JP3 |
Pins 1 & 2 closed | |
|
SCSI hi byte enabled |
JP5 |
Pins 2 & 3 closed | |
|
SCSI hi byte controlled through SCSI BIOS |
JP5 |
Pins 1 & 2 closed | |
|
» |
CPU clock select turbo |
JP6 |
Pins 2 & 3 closed |
|
CPU clock select normal |
JP6 |
Pins 1 & 2 closed | |
|
DIMM CONFIGURATION | ||||
|
Size |
Bank 0 |
Bank 1 |
Bank 2 |
Bank 3 |
|
8MB |
(1) 1M x 64 |
None |
None |
None |
|
16MB |
(1) 2M x 64 |
None |
None |
None |
|
16MB |
(1) 1M x 64 |
(1) 1M x 64 |
None |
None |
|
24MB |
(1) 2M x 64 |
(1) 1M x 64 |
None |
None |
|
24MB |
(1) 1M x 64 |
(1) 1M x 64 |
(1) 1M x 64 |
None |
|
32MB |
(1) 4M x 64 |
None |
None |
None |
|
32MB |
(1) 2M x 64 |
(1) 2M x 64 |
None |
None |
|
32MB |
(1) 1M x 64 |
(1) 1M x 64 |
(1) 1M x 64 |
(1) 1M x 64 |
|
40MB |
(1) 4M x 64 |
(1) 1M x 64 |
None |
None |
|
48MB |
(1) 4M x 64 |
(1) 2M x 64 |
None |
None |
|
48MB |
(1) 2M x 64 |
(1) 2M x 64 |
(1) 2M x 64 |
None |
|
64MB |
(1) 2M x 64 |
(1) 2M x 64 |
(1) 2M x 64 |
(1) 2M x 64 |
|
64MB |
(1) 8M x 64 |
None |
None |
None |
|
64MB |
(1) 4M x 64 |
(1) 4M x 64 |
None |
None |
|
72MB |
(1) 8M x 64 |
(1) 1M x 64 |
None |
None |
|
80MB |
(1) 8M x 64 |
(1) 2M x 64 |
None |
None |
|
96MB |
(1) 8M x 64 |
(1) 4M x 64 |
None |
None |
|
96MB |
(1) 4M x 64 |
(1) 4M x 64 |
(1) 4M x 64 |
None |
|
128MB |
(1) 16M x 64 |
None |
None |
None |
|
128MB |
(1) 8M x 64 |
(1) 8M x 64 |
None |
None |
|
128MB |
(1) 4M x 64 |
(1) 4M x 64 |
(1) 4M x 64 |
(1) 4M x 64 |
|
136MB |
(1) 16M x 64 |
(1) 1M x 64 |
None |
None |
|
144MB |
(1) 16M x 64 |
(1) 2M x 64 |
None |
None |
|
152MB |
(1) 16M x 64 |
(1) 1M x 64 |
(1) 1M x 64 |
(1) 1M x 64 |
|
160MB |
(1) 16M x 64 |
(1) 4M x 64 |
None |
None |
|
176MB |
(1) 16M x 64 |
(1) 2M x 64 |
(1) 2M x 64 |
(1) 2M x 64 |
|
192MB |
(1) 16M x 64 |
(1) 8M x 64 |
None |
None |
|
192MB |
(1) 8M x 64 |
(1) 8M x 64 |
(1) 8M x 64 |
None |
|
224MB |
(1) 16M x 64 |
(1) 4M x 64 |
(1) 4M x 64 |
(1) 4M x 64 |
|
256MB |
(1) 16M x 64 |
(1) 16M x 64 |
None |
None |
|
256MB |
(1) 8M x 64 |
(1) 8M x 64 |
(1) 8M x 64 |
(1) 8M x 64 |
|
DIMM CONFIGURATION (CONT) | ||||
|
Size |
Bank 0 |
Bank 1 |
Bank 2 |
Bank 3 |
|
272MB |
(1) 16M x 64 |
(1) 16M x 64 |
(1) 1M x 64 |
(1) 1M x 64 |
|
288MB |
(1) 16M x 64 |
(1) 16M x 64 |
(1) 2M x 64 |
(1) 2M x 64 |
|
320MB |
(1) 16M x 64 |
(1) 16M x 64 |
(1) 4M x 64 |
(1) 4M x 64 |
|
320MB |
(1) 16M x 64 |
(1) 8M x 64 |
(1) 8M x 64 |
(1) 8M x 64 |
|
384MB |
(1) 16M x 64 |
(1) 16M x 64 |
(1) 16M x 64 |
None |
|
512MB |
(1) 16M x 64 |
(1) 16M x 64 |
(1) 16M x 64 |
(1) 16M x 64 |
|
Note: Board accepts SDRAM memory. | ||||
|
CACHE CONFIGURATION |
|
Note: 256KB/512KB cache is located on the Pentium II CPU. |
|
CPU SPEED SELECTION | |||
|
CPU speed |
Clock speed |
Multiplier |
JP1 |
|
233MHz |
66MHz |
3.5x |
5 & 6, 7 & 8 |
|
266MHz |
66MHz |
4x |
1 & 2, 3 & 4, 7 & 8 |
|
300MHz |
66MHz |
4.5x |
3 & 4, 7 & 8 |
|
333MHz |
66MHz |
5x |
1 & 2, 7 & 8 |
|
Note: Pins designated should be in the closed position. | |||