GEMLIGHT COMPUTER, LTD.

GMB-P57IPA (VER. 1.10)

Processor

CX 6X86L/CX 6X86MX/AM K5/AM K6/Pentium

Processor Speed

90/100/120/133/150/166/200/233/266MHz

Chip Set

Intel

Video Chip Set

S3

Maximum Onboard Memory

256MB (EDO supported)

Maximum Video Memory

4MB

Cache

512KB

BIOS

Award

Dimensions

248mm x 200mm

I/O Options

Floppy drive interface, green PC connector, IDE interfaces (2), parallel port, PS/2 mouse port, serial ports (2), VGA feature connector, VGA port, IR connector, VRM connector, USB connector, ATX power connector, wavetable interface, CD-ROM audio (2)

NPU Options

None

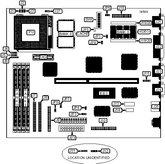
CONNECTIONS

Purpose

Location

Purpose

Location

ATX power connector

ATX

CD-ROM audio in (Mitsumi/Panasonic)

J12

Reset switch

J1

Audio extension connector

J13

Green PC connector

J2

Audio extension connector

J14

Green PC LED

J3

IR connector

J15

Speaker

J4

VGA feature connector

J18

IDE interface LED

J5

VGA port

J21

Power LED & keylock

J6

Parallel port

J22

IDE interface 1

J7

Serial port 1

J23

IDE interface 2

J8

Serial port 2

J24

Floppy drive interface

J9

PS/2 mouse port

J25

Wavetable interface

J10

Chassis fan power

J27

CD-ROM audio in (Sony)

J11

   

USER CONFIGURABLE SETTINGS

Function

Label

Position

 

On board audio enabled

JP1

Closed

 

On board audio disabled

JP1

Open

 

Flash BIOS voltage select 12v

JP3

Pins 1 & 2 closed

 

Flash BIOS voltage select 5v

JP3

Pins 2 & 3 closed

 

On board video enabled

JP4

Closed

 

On board video disabled

JP4

Open

»

Factory configured - do not alter

JP5

Open

»

Factory configured - do not alter

JP6

Pins 2 & 3 closed

»

CMOS memory normal operation

JP7

Pins 1 & 2 closed

 

CMOS memory clear

JP7

Pins 2 & 3 closed

»

Factory configured - do not alter

SW1/1

Off

»

Factory configured - do not alter

SW1/2

Off

SIMM CONFIGURATION

Size

Bank 0

Bank 1

8MB

(2) 1M x 32

None

16MB

(2) 2M x 32

None

16MB

(2) 1M x 32

(2) 1M x 32

24MB

(2) 2M x 32

(2) 1M x 32

32MB

(2) 4M x 32

None

32MB

(2) 2M x 32

(2) 2M x 32

40MB

(2) 4M x 32

(2) 1M x 32

48MB

(2) 4M x 32

(2) 2M x 32

64MB

(2) 8M x 32

None

64MB

(2) 4M x 32

(2) 4M x 32

72MB

(2) 8M x 32

(2) 1M x 32

80MB

(2) 8M x 32

(2) 2M x 32

SIMM CONFIGURATION (CON’T)

Size

Bank 0

Bank 1

96MB

(2) 8M x 32

(2) 4M x 32

128MB

(2) 8M x 32

(2) 8M x 32

128MB

(2) 16M x 32

None

136MB

(2) 16M x 32

(2) 1M x 32

144MB

(2) 16M x 32

(2) 2M x 32

160MB

(2) 16M x 32

(2) 4M x 32

192MB

(2) 16M x 32

(2) 8M x 32

256MB

(2) 16M x 32

(2) 16M x 32

Note: Board accepts EDO memory..

CACHE CONFIGURATION

Size

Bank 0

TAG

512KB

(2) 64K x 32

Unidentified

VIDEO MEMORY CONFIGURATION

Size

Bank 0

J19/20

2MB

2MB

Not installed

4MB

2MB

2MB memory module installed

CPU SPEED SELECTION (CX 6X86L)

CPU speed

Clock speed

Multiplier

SW1/3

SW1/4

SW1/5

SW1/6

SW1/7

SW1/8

150MHz

60MHz

2x

On

Off

Off

On

Off

Off

166MHz

66MHz

2x

On

Off

Off

Off

On

Off

200MHz

75MHz

2x

On

Off

Off

Off

Off

On

CPU SPEED SELECTION (CX 6X86MX)

CPU speed

Clock speed

Multiplier

SW1/3

SW1/4

SW1/5

SW1/6

SW1/7

SW1/8

166MHz

60MHz

2.5x

On

Off

Off

On

Off

Off

200MHz

75MHz

2x

On

Off

Off

Off

Off

On

CPU SPEED SELECTION (AM K5)

CPU speed

Clock speed

Multiplier

SW1/3

SW1/4

SW1/5

SW1/6

SW1/7

SW1/8

120MHz

60MHz

2x

On

Off

Off

On

Off

Off

133MHz

66MHz

2x

On

Off

Off

Off

On

Off

166MHz

66MHz

2.5x

On

On

Off

Off

On

Off

CPU SPEED SELECTION (AM K6)

CPU speed

Clock speed

Multiplier

SW1/3

SW1/4

SW1/5

SW1/6

SW1/7

SW1/8

166MHz

66MHz

2.5x

On

On

Off

Off

On

Off

200MHz

66MHz

3x

Off

On

Off

Off

On

Off

233MHz

66MHz

3.5x

Off

Off

Off

Off

On

Off

266MHz

66MHz

4x

On

On

On

Off

On

Off

CPU SPEED SELECTION (INTEL)

CPU speed

Clock speed

Multiplier

SW1/3

SW1/4

SW1/5

SW1/6

SW1/7

SW1/8

90MHz

60MHz

1.5x

Off

Off

Off

On

Off

Off

100MHz

66MHz

1.5x

Off

Off

Off

Off

On

Off

120MHz

60MHz

2x

On

Off

Off

On

Off

Off

133MHz

66MHz

2x

On

Off

Off

Off

On

Off

166MHz

66MHz

2.5x

On

On

Off

Off

On

Off

200MHz

66MHz

3x

Off

On

Off

Off

On

Off

233MHz

66MHz

3.5x

Off

Off

Off

Off

On

Off

POWER SUPPLY SELECTION

Setting

JP8

JP9

AT

Closed

Open

ATX

Open

Closed