EPSON, INC.

EQUITY 386SX PLUS

Processor

80386SX

Processor Speed

20MHz

Chip Set

WD

Max. Onboard DRAM

14MB

Cache

32KB

BIOS

Epson/Seiko

Dimensions

3O4mm x 272mm

I/O Options

Parallel port, serial port, floppy drive interface, IDE interface, bus mouse port, VGA port

NPU Options

80387SX

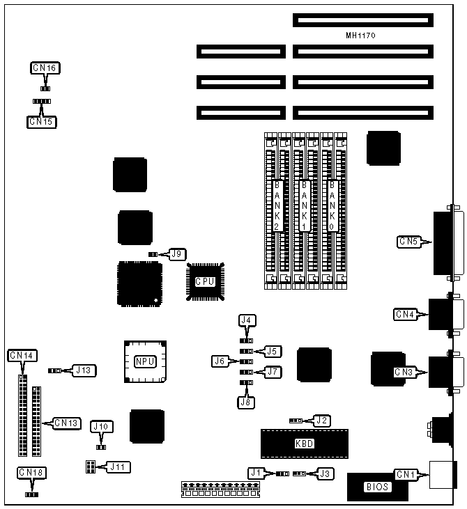
CONNECTIONS

Purpose

Location

Purpose

Location

Mouse port

CN1

Floppy drive interface

CN13

VGA port

CN3

IDE interface

CN14

Serial port (COM1)

CN4

Turbo/IDE interface LED

CN15

Parallel port

CN5

Speaker

CN16

USER CONFIGURABLE SETTINGS

Function

Jumper

Position

»

Monitor type select color

J1

pins 1 & 2 closed

 

Monitor type select monochrome

J1

pins 2 & 3 closed

»

Onboard VGA interface enabled

J2

pins 1 & 2 closed

 

Onboard VGA interface disabled

J2

pins 2 & 3 closed

»

Password enabled

J3

pins 1 & 2 closed

 

Password disabled

J3

pins 2 & 3 closed

»

Factory configured - do not alter

J4

pins 1 & 2 closed

»

Factory configured - do not alter

J5

pins 2 & 3 closed

»

Factory configured - do not alter

J6

pins 1 & 2 closed

»

Factory configured - do not alter

J7

pins 2 & 3 closed

»

Factory configured - do not alter

J8

pins 1 & 2 closed

»

Factory configured - do not alter

J9

pins 2 & 3 closed

»

Factory configured - do not alter

J10

pins 2 & 3 closed

»

Factory configured - do not alter

J13

pins 1 & 2 closed

DRAM CONFIGURATION

Size

Bank 0

Bank 1

Bank 2

2MB

NONE

NONE

NONE

2.5MB

(2) 256K x 9

NONE

NONE

3MB

(2) 256K x 9

(2) 256K x 9

NONE

3.5MB

(2) 256K x 9

(2) 256K x 9

(2) 256K x 9

4MB

(2) 1M x 9

NONE

NONE

4.5MB

(2) 256K x 9

(2) 1M x 9

NONE

5MB

(2) 256K x 9

(2) 256K x 9

(2) 1M x 9

6MB

(2) 1M x 9

(2) 1M x 9

NONE

6.5MB

(2) 256K x 9

(2) 1M x 9

(2) 1M x 9

8MB

(2) 1M x 9

(2) 1M x 9

(2) 1M x 9

8.5MB

(2) 256K x 9

(2) 4M x 9

NONE

10MB

(2) 4M x 9

NONE

NONE

11MB

(2) 256K x 9

(2) 256K x 9

(2) 4M x 9

12MB

(2) 1M x 9

(2) 4M x 9

NONE

12MB

(2) 4M x 9

(2) 1M x 9

NONE

14MB

(2) 1M x 9

(2) 1M x 9

(2) 4M x 9

14MB

(2) 4M x 9

(2) 1M x 9

(2) 1M x 9

Note:Board is supplied with 2MB factory installed.