DIAMOND FLOWER, INC.

P2XBL/S (REV. A+)

Device Type

Mainboard

Processor

Pentium II

Processor Speed

266/300/333/350/400/450MHz

Chip Set

Intel 440BX

Maximum Onboard Memory

384MB

Cache

256/512KB (located on the CPU)

BIOS

Award

I/O Options

32-bit PCI slots (4), floppy drive interface, green PC connector, IDE interfaces (2), SCSI interface, SCSI-2 interface, Wide Ultra SCSI interface, parallel port, PS/2 mouse port, serial ports (2), USB connectors (2), ATX power connector, AGP slot

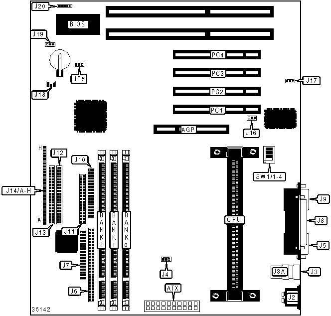
CONNECTIONS

Purpose

Location

Purpose

Location

AGP slot

AGP

ATX power LED

J14/A

ATX power

ATX

IDE interface LED

J14/B

PS/2 mouse port

J2

Green PC LED

J14/C

USB connector 1

J3

ATX power switch

J14/D

USB connector 2

J3A

Green PC switch

J14/E

CPU fan power

J4

Reset switch

J14/F

Serial port 1

J5

Speaker

J14/G

Ultra Narrow SCSI interface

J6

Power LED & keylock

J14/H

Ultra Wide SCSI interface

J7

AGP fan power

J16

Parallel port

J8

Wake on LAN connector

J17

Serial port 2

J9

SB link connector

J18

Floppy drive interface

J10

Chassis fan power

J19

SCSI Ultra-2 interface

J11

IR connector

J20

IDE interface 2

J12

32-bit PCI slots

PC1 - PC4

IDE interface 1

J13

 

 

USER CONFIGURABLE SETTINGS

Function

Label

Position

»

CMOS memory normal operation

JP6

Pins 1 & 2 closed

 

CMOS memory clear

JP6

Pins 2 & 3 closed

DIMM CONFIGURATION

Size

Bank 0

Bank 1

Bank 2

8MB

(1) 1M x 64

None

None

16MB

(1) 1M x 64

(1) 1M x 64

None

16MB

(1) 2M x 64

None

None

24MB

(1) 1M x 64

(1) 1M x 64

(1) 1M x 64

24MB

(1) 2M x 64

(1) 1M x 64

None

32MB

(1) 2M x 64

(1) 2M x 64

None

32MB

(1) 2M x 64

(1) 1M x 64

(1) 1M x 64

32MB

(1) 4M x 64

None

None

40MB

(1) 2M x 64

(1) 2M x 64

(1) 1M x 64

40MB

(1) 4M x 64

(1) 1M x 64

None

48MB

(1) 4M x 64

(1) 1M x 64

(1) 1M x 64

48MB

(1) 4M x 64

(1) 2M x 64

None

48MB

(1) 2M x 64

(1) 2M x 64

(1) 2M x 64

56MB

(1) 4M x 64

(1) 2M x 64

(1) 1M x 64

64MB

(1) 4M x 64

(1) 2M x 64

(1) 2M x 64

64MB

(1) 4M x 64

(1) 4M x 64

None

64MB

(1) 8M x 64

None

None

72MB

(1) 8M x 64

(1) 1M x 64

None

80MB

(1) 8M x 64

(1) 1M x 64

(1) 1M x 64

80MB

(1) 8M x 64

(1) 2M x 64

None

88MB

(1) 8M x 64

(1) 2M x 64

(1) 1M x 64

96MB

(1) 4M x 64

(1) 4M x 64

(1) 4M x 64

96MB

(1) 8M x 64

(1) 2M x 64

(1) 2M x 64

96MB

(1) 8M x 64

(1) 4M x 64

None

DIMM CONFIGURATION (CON'T)

Size

Bank 0

Bank 1

Bank 2

104MB

(1) 8M x 64

(1) 4M x 64

(1) 1M x 64

112MB

(1) 8M x 64

(1) 4M x 64

(1) 2M x 64

128MB

(1) 8M x 64

(1) 4M x 64

(1) 4M x 64

128MB

(1) 8M x 64

(1) 8M x 64

None

128MB

(1) 16M x 64

None

None

136MB

(1) 8M x 64

(1) 8M x 64

(1) 1M x 64

136MB

(1) 16M x 64

(1) 1M x 64

None

144MB

(1) 8M x 64

(1) 8M x 64

(1) 2M x 64

144MB

(1) 16M x 64

(1) 1M x 64

(1) 1M x 64

144MB

(1) 16M x 64

(1) 2M x 64

None

152MB

(1) 16M x 64

(1) 2M x 64

(1) 1M x 64

160MB

(1) 8M x 64

(1) 8M x 64

(1) 4M x 64

160MB

(1) 16M x 64

(1) 2M x 64

(1) 2M x 64

160MB

(1) 16M x 64

(1) 4M x 64

None

168MB

(1) 16M x 64

(1) 4M x 64

(1) 1M x 64

176MB

(1) 16M x 64

(1) 4M x 64

(1) 2M x 64

192MB

(1) 8M x 64

(1) 8M x 64

(1) 8M x 64

192MB

(1) 16M x 64

(1) 8M x 64

None

192MB

(1) 16M x 64

(1) 4M x 64

(1) 4M x 64

200MB

(1) 16M x 64

(1) 8M x 64

(1) 1M x 64

208MB

(1) 16M x 64

(1) 8M x 64

(1) 2M x 64

224MB

(1) 16M x 64

(1) 8M x 64

(1) 4M x 64

256MB

(1) 16M x 64

(1) 8M x 64

(1) 8M x 64

256MB

(1) 16M x 64

(1) 16M x 64

None

264MB

(1) 16M x 64

(1) 16M x 64

(1) 1M x 64

272MB

(1) 16M x 64

(1) 16M x 64

(1) 2M x 64

288MB

(1) 16M x 64

(1) 16M x 64

(1) 4M x 64

320MB

(1) 16M x 64

(1) 16M x 64

(1) 8M x 64

384MB

(1) 16M x 64

(1) 16M x 64

(1) 16M x 64

CACHE CONFIGURATION

Note: 256/512KB cache is located on the Pentium II CPU.

CPU SPEED SELECTION

CPU speed

Clock speed

Multiplier

SW1/1

SW1/2

SW1/3

SW1/4

233MHz

66MHz

3.5x

Off

Off

On

On

266MHz

66MHz

4x

On

On

Off

On

300MHz

66MHz

4.5x

Off

On

Off

On

300MHz

100MHz

3x

On

Off

On

On

333MHz

66MHz

5x

On

Off

Off

On

350MHz

100MHz

3.5x

Off

Off

On

On

400MHz

100MHz

4x

On

On

Off

On

450MHz

100MHz

4.5x

Off

On

Off

On