DIAMOND FLOWER, INC.
P2XBL (REV. AB+)
|
Device Type |
Mainboard |
|
Processor |
Pentium II |
|
Processor Speed |
233/266/300/333/350/400/450MHz |
|
Chip Set |
Intel 440BX |
|
Maximum Onboard Memory |
384MB |
|
Cache |
256/512KB (located on the CPU) |
|
BIOS |
Award |
|
I/O Options |
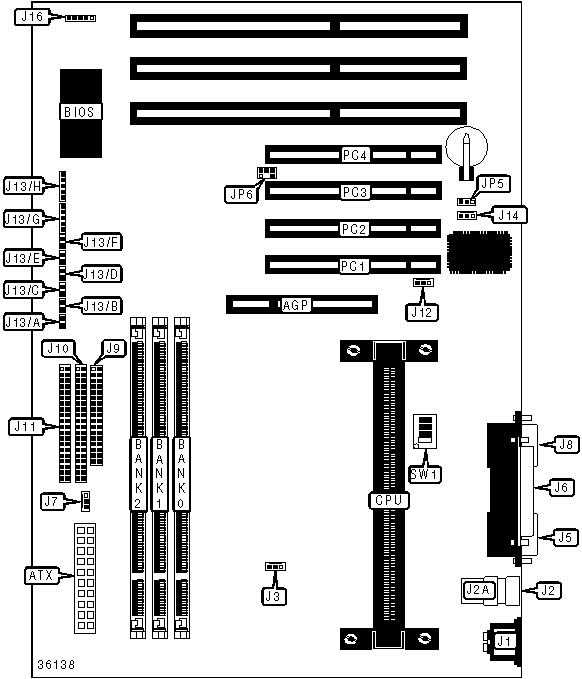
32-bit PCI slots (4), floppy drive interface, IDE interfaces (2), parallel port, PS/2 mouse port, serial ports (2), USB connectors (2), ATX power connector, AGP slot |

|
CONNECTIONS |
|||
|
Purpose |
Location |
Purpose |
Location |
|
AGP slot |
AGP |
AGP fan power |
J12 |
|
ATX power |
ATX |
Stand by LED |
J13/A |
|
PS/2 mouse port |
J1 |
IDE interface LED |
J13/B |
|
USB connector 1 |
J2 |
Green PC LED |
J13/C |
|
USB connector 2 |
J2A |
ATX power switch |
J13/D |
|
Chassis fan power |
J3 |
Green PC switch |
J13/E |
|
Serial port 1 |
J5 |
Reset switch |
J13/F |
|
Parallel port |
J6 |
Speaker |
J13/G |
|
CPU fan power |
J7 |
Power LED & keylock |
J13/H |
|
Serial port 2 |
J8 |
Wake on LAN connector |
J14 |
|
Floppy drive interface |
J9 |
IR connector |
J16 |
|
IDE interface 2 |
J10 |
SB link connector |
JP6 |
|
IDE interface 1 |
J11 |
32-bit PCI slots |
PC1 - PC4 |
|
USER CONFIGURABLE SETTINGS |
|||
|
Function |
Label |
Position |
|
|
» |
CMOS memory normal operation |
JP5 |
Pins 1 & 2 closed |
|
|
CMOS memory clear |
JP5 |
Pins 2 & 3 closed |
|
DIMM CONFIGURATION |
|||
|
Size |
Bank 0 |
Bank 1 |
Bank 2 |
|
8MB |
(1) 1M x 64 |
None |
None |
|
16MB |
(1) 1M x 64 |
(1) 1M x 64 |
None |
|
16MB |
(1) 2M x 64 |
None |
None |
|
24MB |
(1) 1M x 64 |
(1) 1M x 64 |
(1) 1M x 64 |
|
24MB |
(1) 2M x 64 |
(1) 1M x 64 |
None |
|
32MB |
(1) 2M x 64 |
(1) 1M x 64 |
(1) 1M x 64 |
|
32MB |
(1) 2M x 64 |
(1) 2M x 64 |
None |
|
32MB |
(1) 4M x 64 |
None |
None |
|
40MB |
(1) 2M x 64 |
(1) 2M x 64 |
(1) 1M x 64 |
|
40MB |
(1) 4M x 64 |
(1) 1M x 64 |
None |
|
48MB |
(1) 2M x 64 |
(1) 2M x 64 |
(1) 2M x 64 |
|
48MB |
(1) 4M x 64 |
(1) 1M x 64 |
(1) 1M x 64 |
|
48MB |
(1) 4M x 64 |
(1) 2M x 64 |
None |
|
56MB |
(1) 4M x 64 |
(1) 2M x 64 |
(1) 1M x 64 |
|
64MB |
(1) 4M x 64 |
(1) 2M x 64 |
(1) 2M x 64 |
|
64MB |
(1) 4M x 64 |
(1) 4M x 64 |
None |
|
64MB |
(1) 8M x 64 |
None |
None |
|
72MB |
(1) 4M x 64 |
(1) 4M x 64 |
(1) 1M x 64 |
|
72MB |
(1) 8M x 64 |
(1) 1M x 64 |
None |
|
80MB |
(1) 4M x 64 |
(1) 4M x 64 |
(1) 2M x 64 |
|
80MB |
(1) 8M x 64 |
(1) 1M x 64 |
(1) 1M x 64 |
|
80MB |
(1) 8M x 64 |
(1) 2M x 64 |
None |
|
88MB |
(1) 8M x 64 |
(1) 2M x 64 |
(1) 1M x 64 |
|
96MB |
(1) 4M x 64 |
(1) 4M x 64 |
(1) 4M x 64 |
|
96MB |
(1) 8M x 64 |
(1) 2M x 64 |
(1) 2M x 64 |
|
96MB |
(1) 8M x 64 |
(1) 4M x 64 |
None |
|
DIMM CONFIGURATION (CON'T) |
|||
|
Size |
Bank 0 |
Bank 1 |
Bank 2 |
|
104MB |
(1) 8M x 64 |
(1) 4M x 64 |
(1) 1M x 64 |
|
112MB |
(1) 8M x 64 |
(1) 4M x 64 |
(1) 2M x 64 |
|
128MB |
(1) 8M x 64 |
(1) 4M x 64 |
(1) 4M x 64 |
|
128MB |
(1) 8M x 64 |
(1) 8M x 64 |
None |
|
128MB |
(1) 16M x 64 |
None |
None |
|
164MB |
(1) 8M x 64 |
(1) 8M x 64 |
(1) 1M x 64 |
|
164MB |
(1) 16M x 64 |
(1) 1M x 64 |
None |
|
144MB |
(1) 8M x 64 |
(1) 8M x 64 |
(1) 2M x 64 |
|
144MB |
(1) 16M x 64 |
(1) 1M x 64 |
(1) 1M x 64 |
|
144MB |
(1) 16M x 64 |
(1) 2M x 64 |
None |
|
152MB |
(1) 16M x 64 |
(1) 2M x 64 |
(1) 1M x 64 |
|
160MB |
(1) 8M x 64 |
(1) 8M x 64 |
(1) 4M x 64 |
|
160MB |
(1) 16M x 64 |
(1) 2M x 64 |
(1) 2M x 64 |
|
160MB |
(1) 16M x 64 |
(1) 4M x 64 |
None |
|
168MB |
(1) 16M x 64 |
(1) 4M x 64 |
(1) 1M x 64 |
|
176MB |
(1) 16M x 64 |
(1) 4M x 64 |
(1) 2M x 64 |
|
192MB |
(1) 8M x 64 |
(1) 8M x 64 |
(1) 8M x 64 |
|
192MB |
(1) 16M x 64 |
(1) 4M x 64 |
(1) 4M x 64 |
|
192MB |
(1) 16M x 64 |
(1) 8M x 64 |
None |
|
200MB |
(1) 16M x 64 |
(1) 8M x 64 |
(1) 1M x 64 |
|
208MB |
(1) 16M x 64 |
(1) 8M x 64 |
(1) 2M x 64 |
|
224MB |
(1) 16M x 64 |
(1) 8M x 64 |
(1) 4M x 64 |
|
256MB |
(1) 16M x 64 |
(1) 8M x 64 |
(1) 8M x 64 |
|
256MB |
(1) 16M x 64 |
(1) 16M x 64 |
None |
|
264MB |
(1) 16M x 64 |
(1) 16M x 64 |
(1) 1M x 64 |
|
272MB |
(1) 16M x 64 |
(1) 16M x 64 |
(1) 2M x 64 |
|
288MB |
(1) 16M x 64 |
(1) 16M x 64 |
(1) 4M x 64 |
|
320MB |
(1) 16M x 64 |
(1) 16M x 64 |
(1) 8M x 64 |
|
384MB |
(1) 16M x 64 |
(1) 16M x 64 |
(1) 16M x 64 |
|
CACHE CONFIGURATION |
|
Note: 256/512KB cache is located on the Pentium II CPU. |
|
CPU SPEED SELECTION |
||||||
|
CPU speed |
Clock speed |
Multiplier |
SW1/1 |
SW1/2 |
SW1/3 |
SW1/4 |
|
300MHz |
100MHz |
3x |
On |
Off |
On |
On |
|
333MHz |
66MHz |
5x |
On |
Off |
Off |
On |
|
350MHz |
66MHz |
3.5x |
Off |
Off |
On |
On |
|
400MHz |
66MHz |
4x |
On |
On |
Off |
On |
|
450MHz |
66MHz |
4.5x |
Off |
On |
Off |
On |