COMPULINK RESEARCH, INC.
PT5-AX
|
Processor |
Pentium |
|
Processor Speed |
75/90/100/120/133/150/166/180/200MHz |
|
Chip Set |
Intel |
|
Video Chip Set |
None |
|
Maximum Onboard Memory |
256MB (EDO supported) |
|
Maximum Video Memory |
None |
|
Cache |
256/512KB |
|
BIOS |
Unidentified |
|
Dimensions |
305mm x 244mm |
|
I/O Options |
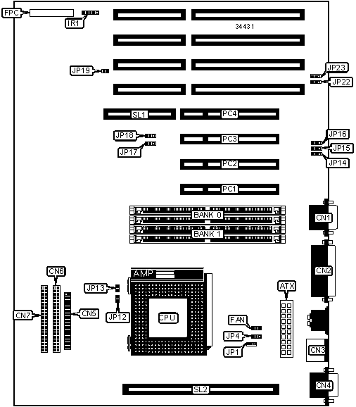
32-bit PCI slots (4), floppy drive interface, IDE interfaces (2), parallel port, PS/2 mouse port, serial ports (2), cache slot, IR connector, ATX power connector, extended PCI slot |
|
NPU Options |
None |
|
CONNECTIONS | |||
|
Purpose |
Location |
Purpose |
Location |
|
ATX power connector |
ATX |
IDE interface 1 |
CN7 |
|
Serial port |
CN1 |
Chassis fan power |
FAN |
|
Parallel port |
CN2 |
Front panel connector |
FPC |
|
PS/2 mouse port |
CN3 |
IR connector |
IR1 |
|
Serial port |
CN4 |
32-bit PCI slots |
PC1 – PC4 |
|
Floppy drive interface |
CN5 |
Extended PCI slot |
SL1 |
|
IDE interface 2 |
CN6 |
Cache slot |
SL2 |
|
USER CONFIGURABLE SETTINGS | |||
|
Function |
Label |
Position | |
|
» |
On board I/O enabled |
JP16 |
Pins 1 & 2 closed |
|
On board I/O disabled |
JP16 |
Pins 2 & 3 closed | |
|
» |
CMOS memory normal operation |
JP19 |
Open |
|
CMOS memory clear |
JP19 |
Closed | |
|
DRAM CONFIGURATION | ||
|
Size |
Bank 0 |
Bank 1 |
|
8MB |
(2) 1M x 36 |
None |
|
16MB |
(2) 2M x 36 |
None |
|
16MB |
(2) 1M x 36 |
(2) 1M x 36 |
|
24MB |
(2) 2M x 36 |
(2) 1M x 36 |
|
32MB |
(2) 4M x 36 |
None |
|
32MB |
(2) 2M x 36 |
(2) 2M x 36 |
|
40MB |
(2) 4M x 36 |
(2) 1M x 36 |
|
48MB |
(2) 4M x 36 |
(2) 2M x 36 |
|
64MB |
(2) 8M x 36 |
None |
|
64MB |
(2) 4M x 36 |
(2) 4M x 36 |
|
72MB |
(2) 8M x 36 |
(2) 1M x 36 |
|
80MB |
(2) 8M x 36 |
(2) 2M x 36 |
|
96MB |
(2) 8M x 36 |
(2) 4M x 36 |
|
128MB |
(2) 8M x 36 |
(2) 8M x 36 |
|
128MB |
(2) 16M x 36 |
None |
|
136MB |
(2) 16M x 36 |
(2) 1M x 36 |
|
144MB |
(2) 16M x 36 |
(2) 2M x 36 |
|
160MB |
(2) 16M x 36 |
(2) 4M x 36 |
|
192MB |
(2) 16M x 36 |
(2) 8M x 36 |
|
256MB |
(2) 16M x 36 |
(2) 16M x 36 |
|
Note: Board accepts EDO memory. | ||
|
CACHE CONFIGURATION | ||
|
Size |
Bank 0 |
SL2 |
|
256KB |
(2) 32K x 32 |
Not installed |
|
512KB |
(4) 32K x 8 |
256KB module installed |
|
Note: Bank 0 is factory installed and is not configurable. The location is unidentified. | ||
|
CACHE JUMPER CONFIGURATION | |
|
Size |
JP1 |
|
256KB |
Pins 1 & 2 closed |
|
512KB |
Pins 2 & 3 closed |
|
CPU SPEED SELECTION | ||||||
|
CPU speed |
Clock speed |
Multiplier |
JP12 |
JP13 |
JP17 |
JP18 |
|
75MHz |
50MHz |
1.5x |
Open |
Open |
2 & 3 |
2 & 3 |
|
90MHz |
60MHz |
1.5x |
Open |
Open |
1 & 2 |
2 & 3 |
|
100MHz |
66MHz |
1.5x |
Open |
Open |
2 & 3 |
1 & 2 |
|
120MHz |
60MHz |
2x |
Open |
Closed |
1 & 2 |
2 & 3 |
|
133MHz |
66MHz |
2x |
Open |
Closed |
2 & 3 |
1 & 2 |
|
150MHz |
60MHz |
2.5x |
Closed |
Closed |
1 & 2 |
2 & 3 |
|
166MHz |
66MHz |
2.5x |
Closed |
Closed |
2 & 3 |
1 & 2 |
|
180MHz |
60MHz |
3x |
Closed |
Open |
1 & 2 |
2 & 3 |
|
200MHz |
66MHz |
3x |
Closed |
Open |
2 & 3 |
1 & 2 |
|
Note: Pins designated should be in the closed position. | ||||||
|
CPU VOLTAGE SELECTION | ||
|
Voltage |
JP4 | |
| » |
3.3v – 3.465v |
Pins 2 & 3 closed |
|
3.4v – 3.6v |
Pins 1 & 2 closed | |
|
DMA CHANNEL SELECTION | |||
|
Channel |
JP22 |
JP23 | |
|
1 |
Pins 2 & 3 closed |
Pins 2 & 3 closed | |
| » |
3 |
Pins 1 & 2 closed |
Pins 1 & 2 closed |
|
SERIAL PORT 2 SELECTION | |||
|
Setting |
JP14 |
JP15 | |
| » |
Used as COM2 |
Pins 1 & 2 closed |
Pins 1 & 2 closed |
|
Used as IR connector |
Pins 2 & 3 closed |
Pins 2 & 3 closed | |