ACER, INC.

ACERALTOS 9100 (M9N), M9N

Device Type

Mainboard

Processor

Pentium II

Processor Speed

266/300MHz

Chip Set

Intel 440FX

Video Chip Set

Unidentified

Maximum Onboard Memory

128MB (EDO supported)

Maximum Video Memory

2MB

Cache

256/512KB (located on Pentium II CPU)

BIOS

Acer

Dimensions

305mm x 244mm

I/O Options

32-bit PCI slots (5), Ethernet 10BaseT connector, floppy drive interface, IDE interface, SCSI interface, Wide Ultra SCSI interface, PS/2 mouse port, serial ports (2), VGA port, USB connectors (2), ATX power connector, CPU slot

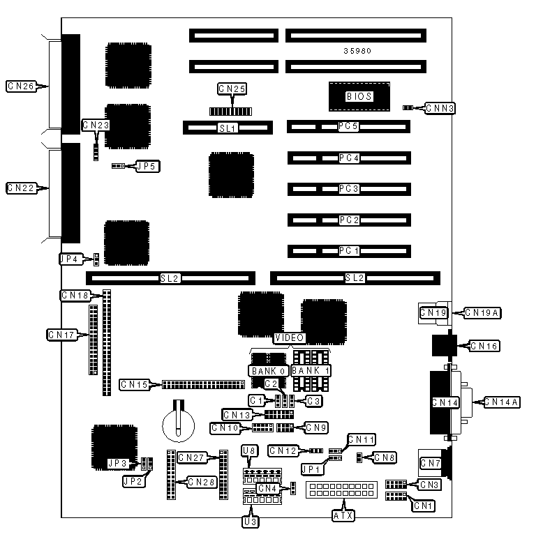
CONNECTIONS

Purpose

Location

Purpose

Location

ATX power connector

ATX

Ethernet 10BaseT connector

CN16

Chassis fan power

C1

Floppy drive interface

CN17

Chassis fan power

C2

SCSI interface

CN18

Chassis fan power

C3

USB connector 1

CN19

Serial port 1

CN1

USB connector 2

CN19A

Serial port 2

CN3

External SCSI interface

CN22

Software shutdown for 420 power

CN4

IDE interface LED

CN23

PS/2 mouse port

CN7

SMM connector

CN25

Soft off power supply

CN8

External SCSI interface

CN26

Power LED & keylock

CN9

RDM connector

CN27

Redundant power supply connector

CN10

RDM connector

CN28

Redundant power supply shutdown

CN12

Chassis intrusion connector

CNN3

LED connector

CN13

32-bit PCI slots

PC1 - PC5

Parallel port

CN14

CPU slot

SL2

VGA port

CN14A

3.3v power

U3

IDE interface

CN15

3.3v power

U8

USER CONFIGURABLE SETTINGS

Function

Label

Position

»

Factory configured - do not alter

CN11

Unidentified

»

Software shutdown for CN4 enabled

JP1

Pins 1 & 2 closed

 

Software shutdown for CN4 disabled

JP1

Pins 2 & 3 closed

»

BIOS type select Acer

JP2

Pins 1 & 2 closed

 

BIOS type select OEM

JP2

Pins 2 & 3 closed

»

Password disabled

JP3

Pins 2 & 3 closed

 

Password enabled

JP3

Pins 1 & 2 closed

»

On board video enabled

JP5

Pins 1 & 2 closed

 

On board video disabled

JP5

Pins 2 & 3 closed

»

Factory configured - do not alter

SL1

Unidentified

VIDEO MEMORY CONFIGURATION

Size

Bank 0

Bank 1

1MB

(2) 256K x 16

None

2MB

(2) 256K x 16

(2) 256K x 16

SCSI TERMINATON SELECTION

Setting

JP4

Termination disabled

Open

Termination enabled

Pins 1 & 2 closed

» Termination switchable through SCSI select utility

Pins 2 & 3 closed

CONNECTIONS

Purpose

Location

Purpose

Location

Chassis fan power

CN2

Chassis fan power

JP3

Chassis fan power

CN3

Chassis fan power

JP4

DIMM CONFIGURATION

Size

Bank 0

Bank 1

Bank 2

Bank 3

8MB

(1) 1M x 64

None

None

None

16MB

(1) 2M x 64

None

None

None

16MB

(1) 1M x 64

(1) 1M x 64

None

None

24MB

(1) 2M x 64

(1) 1M x 64

None

None

24MB

(1) 1M x 64

(1) 1M x 64

(1) 1M x 64

None

32MB

(1) 4M x 64

None

None

None

32MB

(1) 2M x 64

(1) 2M x 64

None

None

32MB

(1) 1M x 64

(1) 1M x 64

(1) 1M x 64

(1) 1M x 64

40MB

(1) 4M x 64

(1) 1M x 64

None

None

48MB

(1) 4M x 64

(1) 2M x 64

None

None

48MB

(1) 2M x 64

(1) 2M x 64

(1) 2M x 64

None

64MB

(1) 2M x 64

(1) 2M x 64

(1) 2M x 64

(1) 2M x 64

64MB

(1) 8M x 64

None

None

None

64MB

(1) 4M x 64

(1) 4M x 64

None

None

72MB

(1) 8M x 64

(1) 1M x 64

None

None

80MB

(1) 8M x 64

(1) 2M x 64

None

None

96MB

(1) 8M x 64

(1) 4M x 64

None

None

96MB

(1) 4M x 64

(1) 4M x 64

(1) 4M x 64

None

DIMM CONFIGURATION (CON'T)

Size

Bank 0

Bank 1

Bank 2

Bank 3

128MB

(1) 16M x 64

None

None

None

128MB

(1) 8M x 64

(1) 8M x 64

None

None

128MB

(1) 4M x 64

(1) 4M x 64

(1) 4M x 64

(1) 4M x 64

136MB

(1) 16M x 64

(1) 1M x 64

None

None

144MB

(1) 16M x 64

(1) 2M x 64

None

None

176MB

(1) 16M x 64

(1) 2M x 64

(1) 2M x 64

(1) 2M x 64

192MB

(1) 16M x 64

(1) 8M x 64

None

None

192MB

(1) 8M x 64

(1) 8M x 64

(1) 8M x 64

None

256MB

(1) 16M x 64

(1) 16M x 64

None

None

256MB

(1) 8M x 64

(1) 8M x 64

(1) 8M x 64

(1) 8M x 64

272MB

(1) 16M x 64

(1) 16M x 64

(1) 1M x 64

(1) 1M x 64

288MB

(1) 16M x 64

(1) 16M x 64

(1) 2M x 64

(1) 2M x 64

320MB

(1) 16M x 64

(1) 16M x 64

(1) 4M x 64

(1) 4M x 64

384MB

(1) 16M x 64

(1) 16M x 64

(1) 16M x 64

None

512MB

(1) 16M x 64

(1) 16M x 64

(1) 16M x 64

(1) 16M x 64

Note: Board accepts EDO memory.

CACHE CONFIGURATION

Note: 256KB/512KB cache is located on the Pentium II CPU.

CPU SPEED SELECTION

CPU speed

Clock speed

Multiplier

JP1/pins 1 & 2

JP1/pins 3 & 4

JP1/pins 5 & 6

JP1/pins 7 & 8

JP5

266MHz

66MHz

4x

Closed

Closed

Closed

Open

1 & 2

300MHz

66MHz

4.5x

Closed

Open

Closed

Open

1 & 2

Note: Pins designated should be in the closed position.