ACTIVEI SYSTEMS, INC.

ADMIRAL

Processor

CX M1/IBM/AM K5/AM K6/Pentium

Processor Speed

90/100/120/133/150/166/200/233MHz

Chip Set

Intel

Video Chip Set

None

Maximum Onboard Memory

256MB (EDO supported)

Maximum Video Memory

None

Cache

256/512KB

BIOS

Award

Dimensions

305mm x 244mm

I/O Options

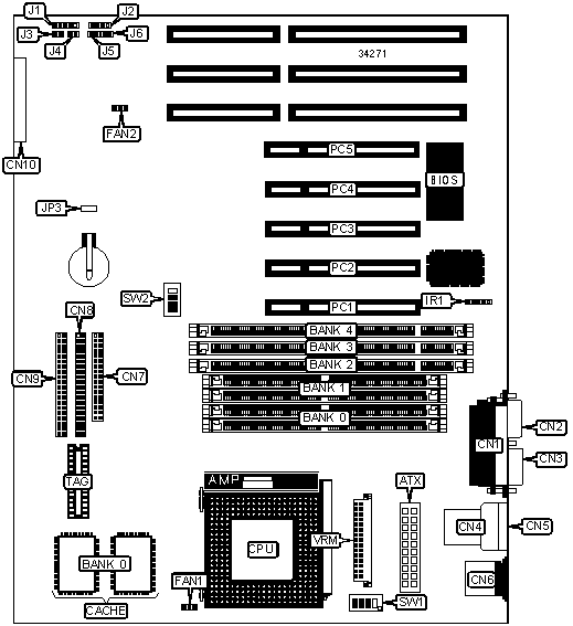
32-bit PCI slots (5), floppy drive interface, IDE interfaces (2), parallel port, PS/2 mouse port, serial ports (2), IR connector, VRM connector, USB connectors (2), ATX power connector, System Management Module

NPU Options

None

CONNECTIONS

Purpose

Location

Purpose

Location

ATX power connector

ATX

Chassis fan power

FAN1

Parallel port

CN1

Chassis fan power

FAN2

Serial port 2

CN2

IR connector

IR1

Serial port 1

CN3

Power LED & keylock

J1

USB connector 1

CN4

Speaker

J2

USB connector 2

CN5

Soft off power supply

J3

PS/2 mouse port

CN6

Reset switch

J4

Floppy drive interface

CN7

Green PC LED

J5

IDE interface 2

CN8

IDE interface LED

J6

IDE interface 1

CN9

32-bit PCI slots

PC1 – PC5

System Management Module

CN10

VRM connector

VRM

USER CONFIGURABLE SETTINGS

Function

Label

Position

»

Factory configured - do not alter (CMOS)

JP3

Unidentified

DRAM CONFIGURATION

Size

Bank 0

Bank 1

Bank 2

Bank 3

Bank 4

8MB

(2) 1M x 36

None

None

None

None

8MB

None

None

(1) 1M x 64

None

None

16MB

(2) 2M x 36

None

None

None

None

16MB

(2) 1M x 36

(2) 1M x 36

None

None

None

16MB

None

None

(1) 2M x 64

None

None

16MB

None

None

(1) 1M x 64

(1) 1M x 64

None

24MB

(2) 2M x 36

(2) 1M x 36

None

None

None

24MB

None

None

(1) 2M x 64

(1) 1M x 64

None

24MB

None

None

(1) 1M x 64

(1) 1M x 64

(1) 1M x 64

24MB

(2) 1M x 36

(2) 1M x 36

None

None

(1) 1M x 64

24MB

(2) 1M x 36

None

None

(1) 1M x 64

(1) 1M x 64

32MB

(2) 4M x 36

None

None

None

None

32MB

(2) 2M x 36

(2) 2M x 36

None

None

None

32MB

None

None

(1) 4M x 64

None

None

32MB

None

None

(1) 2M x 64

(1) 2M x 64

None

32MB

(2) 1M x 36

(2) 1M x 36

None

None

(1) 2M x 64

40MB

(2) 4M x 36

(2) 1M x 36

None

None

None

40MB

None

None

(1) 4M x 64

(1) 1M x 64

None

40MB

(2) 2M x 36

(2) 2M x 36

None

None

(1) 1M x 64

48MB

(2) 4M x 36

(2) 2M x 36

None

None

None

48MB

None

None

(1) 4M x 64

(1) 2M x 64

None

48MB

None

None

(1) 2M x 64

(1) 2M x 64

(1) 2M x 64

DRAM CONFIGURATION (CON’T)

Size

Bank 0

Bank 1

Bank 2

Bank 3

Bank 4

48MB

(2) 2M x 36

(2) 2M x 36

None

None

(1) 2M x 64

48MB

(2) 2M x 36

None

None

(1) 2M x 64

(1) 2M x 64

48MB

(2) 2M x 36

None

(1) 2M x 64

None

(1) 2M x 64

64MB

(2) 8M x 36

None

None

None

None

64MB

(2) 4M x 36

(2) 4M x 36

None

None

None

64MB

None

None

(1) 8M x 64

None

None

72MB

(2) 8M x 36

(2) 1M x 36

None

None

None

72MB

None

None

(1) 8M x 64

(1) 1M x 64

None

72MB

(2) 4M x 36

(2) 4M x 36

None

None

(1) 1M x 64

80MB

(2) 8M x 36

(2) 2M x 36

None

None

None

80MB

None

None

(1) 8M x 64

(1) 2M x 64

None

80MB

(2) 4M x 36

(2) 4M x 36

None

None

(1) 2M x 64

96MB

(2) 8M x 36

(2) 4M x 36

None

None

None

96MB

None

None

(1) 8M x 64

(1) 4M x 64

None

96MB

None

None

(1) 4M x 64

(1) 4M x 64

(1) 4M x 64

96MB

(2) 4M x 36

None

None

(1) 4M x 64

(1) 4M x 64

128MB

(2) 8M x 36

(2) 8M x 36

None

None

None

128MB

(2) 16M x 36

None

None

None

None

128MB

None

None

(1) 8M x 64

(1) 8M x 64

None

128MB

None

None

(1) 16M x 64

None

None

136MB

(2) 16M x 36

(2) 1M x 36

None

None

None

136MB

(2) 8M x 36

(2) 8M x 36

None

None

(1) 1M x 64

144MB

(2) 16M x 36

(2) 2M x 36

None

None

None

144MB

(2) 8M x 36

(2) 8M x 36

None

None

(1) 2M x 64

160MB

(2) 16M x 36

(2) 4M x 36

None

None

None

160MB

(2) 8M x 36

None

(1) 8M x 64

None

(1) 8M x 64

192MB

(2) 16M x 36

(2) 8M x 36

None

None

None

192MB

None

None

(1) 8M x 64

(1) 8M x 64

(1) 8M x 64

192MB

(2) 8M x 36

None

None

(1) 8M x 64

(1) 8M x 64

256MB

(2) 16M x 36

(2) 16M x 36

None

None

None

256MB

None

None

(1) 16M x 64

(1) 16M x 64

None

256MB

None

None

None

(1) 32M x 64

None

256MB

(2) 32M x 36

None

None

None

None

Note: Board accepts EDO memory. Banks 0 & 1 and 2 – 4 are interchangeable.

CACHE CONFIGURATION

Size

Bank 0

TAG

256KB

(2) 32K x 32

Unidentified

512KB

(2) 64K x 32

Unidentified

CPU SPEED SELECTION (CYRIX)

CPU speed

Clock speed

Multiplier

SW2/1

SW2/2

SW2/3

SW2/4

133MHz

55MHz

2x

On

Off

On

On

150MHz

60MHz

2x

On

Off

On

Off

166MHz

66MHz

2x

On

Off

Off

Off

CPU SPEED SELECTION (IBM)

CPU speed

Clock speed

Multiplier

SW2/1

SW2/2

SW2/3

SW2/4

133MHz

55MHz

2x

On

Off

On

On

150MHz

60MHz

2x

On

Off

On

Off

166MHz

66MHz

2x

On

Off

Off

Off

CPU SPEED SELECTION (AMD)

CPU speed

Clock speed

Multiplier

SW2/1

SW2/2

SW2/3

SW2/4

90MHz

60MHz

1.5x

Off

Off

On

Off

100MHz

66MHz

1.5x

Off

Off

Off

Off

120MHz

60MHz

1.5x

Off

Off

On

Off

133MHz

66MHz

1.5x

On

Off

Off

Off

150MHz

60MHz

1.75x

On

On

On

Off

166MHz K5

66MHz

1.75x

On

On

Off

Off

166MHz K6

66MHz

2.5x

On

On

Off

Off

200MHz

66MHz

2.5x

Off

On

Off

Off

233MHz

66MHz

3.5x

Off

Off

Off

Off

CPU SPEED SELECTION (INTEL)

CPU speed

Clock speed

Multiplier

SW2/1

SW2/2

SW2/3

SW2/4

90MHz

60MHz

1.5x

Off

Off

On

Off

100MHz

66MHz

1.5x

Off

Off

Off

Off

120MHz

60MHz

2x

On

Off

On

Off

133MHz

66MHz

2x

On

Off

Off

Off

150MHz

60MHz

2.5x

On

On

On

Off

166MHz

66MHz

2.5x

On

On

Off

Off

200MHz

66MHz

3x

Off

On

Off

Off

233MHz

66MHz

3.5x

Off

Off

Off

Off

CPU VOLTAGE SELECTION

Voltage

SW1/1

SW1/2

SW1/3

SW1/4

2.5v

On

Off

Off

Off

2.8v

Off

On

Off

Off

2.9v

Off

Off

On

Off

3.2v

Off

Off

Off

On

3.3v

N/A

N/A

N/A

N/A

3.5v

N/A

N/A

N/A

N/A