AST RESEARCH, INC.

CUPID DESKTOP ISA 486/25&486/33 (VERSION2) MODEL 202356-004 (REVISION D AND LATER)

Processor

80486DX (on external CPU/Memory module)

Processor Speed

25/33MHz

Chip Set

AST

Max. Onboard DRAM

None (16MB on external CPU/Memory module)

SRAM Cache

None

BIOS

AST

Dimensions

330mm x 218mm

I/O Options

32-bit external CPU/Memory module slot

32-bit external Memory module slot (2)

floppy drive interface, IDE interface

parallel port, serial port (2)

SMART expansion/16-bit ISA expansion slots (3)

NPU Options

4167 (on external CPU/Memory module)

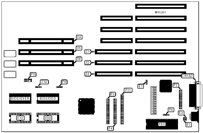
CONNECTIONS

Purpose

Location

Purpose

Location

Serial port 1 (COM1)

CN1

External battery

P8

Parallel port

CN2

IDE interface

P11

IDE interface LED

J14

SMART expansion/16-bit ISA

S1, S2 & S3

Serial port 2 (COM2)

P2

32-bit external CPU/Memory module

S4

Floppy drive interface (A: and B:)

P3

32-bit external Memory module slot

S5

Third floppy drive interface

P4

32-bit external Memory module slot

S6

Front panel switches & LEDs

P5

Optional ROM (even)

U12

Speaker

P6

Optional ROM (odd)

U38

USER CONFIGURABLE SETTINGS

Function

Jumper

Position

»

Password check enabled

E1

pins 2 & 3 closed

 

Password check disabled

E1

pins 1 & 2 closed

»

POST select normal operation

E2

open

 

POST select continuous loop

E2

closed

»

Keyboard select installed

E3

open

 

Keyboard select not installed

E3

closed

USER CONFIGURABLE SETTINGS

Function

Jumper

Position

»

Parity check enabled

E1

closed

 

Parity check disabled

E1

open

Note:AST CPU/Memory module part number is 202397-001, 202397-002, 202397-005, 202397-008,

or 202397-009 for 25MHz systems or 202397-003, 202397-004, 202397-006, 202397-007,

202397-010, or 202397-011 for 33MHz systems.

DRAM CONFIGURATION

Size

Bank 0

Bank 1

2MB

(2) 1M x 9

NONE

4MB

(2) 1M x 9

(2) 1M x 9

8MB

(2) 4M x 9

NONE

10MB

(2) 1M x 9

(2) 4M x 9

16MB

(2) 4M x 9

(2) 4M x 9

Notes:128KB of DRAM is reserved for System and VGA BIOS shadowing and cannot be disabled.

Up to two of the following memory boards may be installed in addition to the CPU/Memory

module: AST part numbers 202275-002, 202275-004, 202275-006, 202387-001,

or 202387-005.