UNIDENTIFIED

RS-232 CARD

Card Type

Serial card

Chipset/Controller

Unknown

I/O Options

Serial ports (2)

Maximum DRAM

N/A

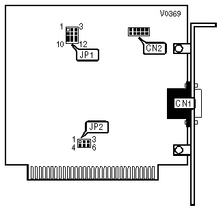
CONNECTIONS

Purpose

Location

Purpose

Location

Serial port 1

CN1

Serial port 2

CN2

SERIAL PORT CONFIGURATION

Port 1 (CN1)

Port 2 (CN2)

JP1

»

COM1

COM2

Pins 2 & 3, 4 & 5 closed

 

COM1

COM3

Pins 2 & 3, 7 & 8 closed

 

COM1

COM4

Pins 2 & 3, 10 & 11 closed

 

COM2

COM1

Pins 1 & 2, 5 & 6 closed

 

COM2

COM3

Pins 5 & 6, 7 & 8 closed

 

COM2

COM4

Pins 5 & 6, 10 & 11 closed

 

COM3

COM1

Pins 1 & 2, 8 & 9 closed

 

COM3

COM2

Pins 4 & 5, 8 & 9 closed

 

COM3

COM4

Pins 8 & 9, 10 & 11 closed

 

COM4

COM1

Pins 1 & 2, 11 & 12 closed

 

COM4

COM2

Pins 4 & 5, 11 & 12 closed

 

COM4

COM3

Pins 7 & 8, 11 & 12 closed

SERIAL PORT INTERRUPT SELECT

Port 1 (CN1)

Port 2 (CN2)

JP2

»

IRQ4

IRQ3

Pins 2 & 3, 4 & 5 closed

 

IRQ3

IRQ4

Pins 1 & 2, 5 & 6 closed