UNIDENTIFIED

AT MULTI I/O AI-3

Card Type

Multi I/O card

Chipset/Controller

N/A

I/O Options

Game port, parallel port, serial ports (2)

Maximum DRAM

N/A

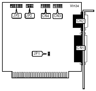
CONNECTIONS

Purpose

Location

Purpose

Location

Parallel port

CN1

Serial port 1

CN3

Serial port 2

CN2

Game port

CN4

SERIAL PORT CONFIGURATION

Port 1 (CN3)

JP3

»

COM1

Pins 1 & 2, 13 & 14

 

COM3

Pins 3 & 4, 13 & 14

 

Disabled

Open

SERIAL PORT CONFIGURATION

Port 2 (CN2)

JP3

»

COM2

Pins 5 & 6, 11 & 12

 

COM4

Pins 7 & 8, 11 & 12

 

Disabled

Open

PARALLEL PORT CONFIGURATION

LPT

JP2

»

1

Pins 1 & 2, 5 & 6 closed

 

2

Pins 3 & 4, 7 & 8 closed

GAME PORT CONFIGURATION

Setting

JP1

»

Enabled

Closed

 

Disabled

Open

FACTORY CONFIGURED - DO NOT ALTER

Jumper

Position

JP3

Pins 9 & 10 closed