TERRATEC PROFIMEDIA
SOUNDSYSTEM MAESTRO 16/96
|
Card Type |
Sound card |
|
Chip Set |
Unidentified |
|
Maximum Onboard Memory |
None |
|
I/O Options |
Audio in (2), audio out (2), CD-ROM audio (3), CD-ROM interface, game/MIDI port, microphone in (2), volume, wavetable |
|
Data Bus |
16-bit ISA |
|
Floppy drives supported |
None |
|
CONNECTIONS | |||
|
Function |
Label |
Function |
Label |
|
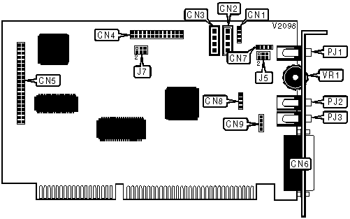
Sony CD - audio in |
CN1 |
Audio in |
CN8 |
|
Panasonic/IDE CD - audio in |
CN2 |
Mic in |
CN9 |
|
Mitsumi CD - audio in |
CN3 |
Audio out |
PJ1 |
|
Wavetable |
CN4 |
Audio in |
PJ2 |
|
IDE CD-ROM interface |
CN5 |
Mic in |
PJ3 |
|
Game/MIDI port |
CN6 |
Volume |
VR1 |
|
Audio out |
CN7 | ||
|
USER CONFIGURABLE SETTINGS | ||
|
Function |
Label |
Position |
|
Preamplifier enabled |
J5 |
Pins 1 & 3, 2 & 4 closed |
|
Preamplifier disabled |
J5 |
Pins 3 & 5, 4 & 6 closed |
|
Internal wavetable |
J7 |
Pins 1 & 3, 2 & 4 closed |
|
External wavetable |
J7 |
Pins 3 & 5, 4 & 6 closed |