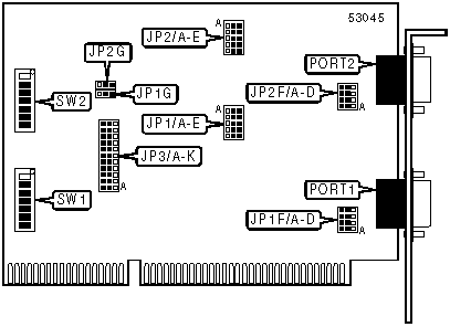
B & B ELECTRONICS
3PXCC1A, 3PXCC1B, 3PXCC2A, 3PXCC2B
|
Card Type |
Serial |
|
Chipset |
16550A (3PXCC1A, 3PXCC2A) 16750 (3PXCC1B, 3PXCC2B) |
|
I/O Options |
Serial ports (2 on 3PXCC2A, 3PXCC2B only) |
|
Data Bus |
8/16 bit ISA |
|
CONNECTIONS | |||
|
Function |
Label |
Function |
Label |
|
RS-232, RS-422, or RS-485 serial port 1 |
PORT1 |
RS-232, RS-422, or RS-485 serial port 2 |
PORT2 |
|
Note:PORT2 has no function on models 3PXCC1A and 3PXCC1B. | |||
|
USER CONFIGURABLE SETTINGS | |||
|
Setting |
Label |
Position | |
| » |
RS-485 receiver disabled when transmitting on port 1 |
JP1/C |
Pins 1 & 2 closed |
|
RS-485 receiver always enabled on port 1 |
JP1/C |
Pins 2 & 3 closed | |
|
RS-485 port 1 transmitter enabled on high RTS only |
JP1/D |
Pins 2 & 3 closed | |
|
RS-485 port 1 transmitter enabled whenever transmission is attempted |
JP1/D |
Pins 1 & 2 closed | |
|
RS-422/485 termination enabled on port 1 |
JP1/E |
Pins 2 & 3 closed | |
|
RS-422/485 termination disabled on port 1 |
JP1/E |
Pins 1 & 2 closed | |
| » |
Serial port 1 clock speed normal |
JP1G |
Pins 2 & 3 closed |
|
Serial port 1 clock speed multiplied by 4 |
JP1G |
Pins 1 & 2 closed | |
| » |
RS-485 receiver disabled when transmitting on port 2 |
JP2/C |
Pins 1 & 2 closed |
|
RS-485 receiver always enabled on port 2 |
JP2/C |
Pins 2 & 3 closed | |
|
RS-485 port 2 transmitter enabled on high RTS only |
JP2/D |
Pins 2 & 3 closed | |
|
RS-485 port 2 transmitter enabled whenever transmission is attempted |
JP2/D |
Pins 1 & 2 closed | |
|
RS-422/485 termination enabled on port 2 |
JP2/E |
Pins 2 & 3 closed | |
|
RS-422/485 termination disabled on port 2 |
JP2/E |
Pins 1 & 2 closed | |
| » |
Serial port 2 clock speed normal |
JP2G |
Pins 2 & 3 closed |
|
Serial port 2 clock speed multiplied by 4 |
JP2G |
Pins 1 & 2 closed | |
|
SERIAL PORT 1 CONFIGURATION | |||||||
|
Setting |
JP1/A |
JP1/B |
JP1/C |
JP1F/A |
JP1F/B |
JP1F/C |
JP1F/D |
|
RS-232 |
Pins 1 & 2 |
N/A |
N/A |
Pins 2 & 3 |
Pins 2 & 3 |
Pins 2 & 3 |
Pins 2 & 3 |
|
RS-422 |
Pins 2 & 3 |
Pins 2 & 3 |
Pins 2 & 3 |
Pins 1 & 2 |
Pins 1 & 2 |
Pins 1 & 2 |
Pins 1 & 2 |
|
RS-485 |
Pins 2 & 3 |
Pins 1 & 2 |
See note |
Pins 1 & 2 |
Pins 1 & 2 |
Pins 1 & 2 |
Pins 1 & 2 |
|
Note:For correct settings of JP1/C for RS-485 mode, see its entry in the User Configurable Settings table. Pins designated are in the closed position. | |||||||
|
SERIAL PORT 2 CONFIGURATION | |||||||
|
Setting |
JP2/A |
JP2/B |
JP2/C |
JP2F/A |
JP2F/B |
JP2F/C |
JP2F/D |
|
RS-232 |
Pins 1 & 2 |
N/A |
N/A |
Pins 2 & 3 |
Pins 2 & 3 |
Pins 2 & 3 |
Pins 2 & 3 |
|
RS-422 |
Pins 2 & 3 |
Pins 2 & 3 |
Pins 2 & 3 |
Pins 1 & 2 |
Pins 1 & 2 |
Pins 1 & 2 |
Pins 1 & 2 |
|
RS-485 |
Pins 2 & 3 |
Pins 1 & 2 |
See note |
Pins 1 & 2 |
Pins 1 & 2 |
Pins 1 & 2 |
Pins 1 & 2 |
|
Note:For correct settings of JP2/C for RS-485 mode, see its entry in the User Configurable Settings table. Pins designated are in the closed position. | |||||||
|
SERIAL PORT 1 INTERRUPT SELECTION | |||||||
|
Setting |
JP3/A |
JP3/B |
JP3/C |
JP3/D |
JP3/E |
JP3/F | |
|
IR/FONT> |
Pins 1 & 2 |
Open |
Open |
Open |
Open |
Open | |
|
IRQ3 |
Open |
Pins 1 & 2 |
Open |
Open |
Open |
Open | |
| » |
IRQ4 |
Open |
Open |
Pins 1 & 2 |
Open |
Open |
Open |
|
IRQ5 |
Open |
Open |
Open |
Pins 1 & 2 |
Open |
Open | |
|
IRQ6 |
Open |
Open |
Open |
Open |
Pins 1 & 2 |
Open | |
|
IRQ7 |
Open |
Open |
Open |
Open |
Open |
Pins 1 & 2 | |
|
IRQ10 |
Open |
Open |
Open |
Open |
Open |
Open | |
|
IRQ11 |
Open |
Open |
Open |
Open |
Open |
Open | |
|
IRQ12 |
Open |
Open |
Open |
Open |
Open |
Open | |
|
IRQ14 |
Open |
Open |
Open |
Open |
Open |
Open | |
|
IRQ15 |
Open |
Open |
Open |
Open |
Open |
Open | |
|
SERIAL PORT 1 INTERRUPT SELECTION (CON’T) | ||||||
|
Setting |
JP3/G |
JP3/H |
JP3/I |
JP3/J |
JP3/K | |
|
IR/FONT> |
Open |
Open |
Open |
Open |
Open | |
|
IRQ3 |
Open |
Open |
Open |
Open |
Open | |
| » |
IRQ4 |
Open |
Open |
Open |
Open |
Open |
|
IRQ5 |
Open |
Open |
Open |
Open |
Open | |
|
IRQ6 |
Open |
Open |
Open |
Open |
Open | |
|
IRQ7 |
Open |
Open |
Open |
Open |
Open | |
|
IRQ10 |
Pins 1 & 2 |
Open |
Open |
Open |
Open | |
|
IRQ11 |
Open |
Pins 1 & 2 |
Open |
Open |
Open | |
|
IRQ12 |
Open |
Open |
Pins 1 & 2 |
Open |
Open | |
|
IRQ14 |
Open |
Open |
Open |
Pins 1 & 2 |
Open | |
|
IRQ15 |
Open |
Open |
Open |
Open |
Pins 1 & 2 | |
|
Note:Pins designated are in the closed position. | ||||||
|
SERIAL PORT 2 INTERRUPT SELECTION | |||||||
|
Setting |
JP3/A |
JP3/B |
JP3/C |
JP3/D |
JP3/E |
JP3/F | |
|
IR/FONT> |
Pins 2 & 3 |
Open |
Open |
Open |
Open |
Open | |
|
IRQ3 |
Open |
Pins 2 & 3 |
Open |
Open |
Open |
Open | |
| » |
IRQ4 |
Open |
Open |
Pins 2 & 3 |
Open |
Open |
Open |
|
IRQ5 |
Open |
Open |
Open |
Pins 2 & 3 |
Open |
Open | |
|
IRQ6 |
Open |
Open |
Open |
Open |
Pins 2 & 3 |
Open | |
|
IRQ7 |
Open |
Open |
Open |
Open |
Open |
Pins 2 & 3 | |
|
IRQ10 |
Open |
Open |
Open |
Open |
Open |
Open | |
|
IRQ11 |
Open |
Open |
Open |
Open |
Open |
Open | |
|
IRQ12 |
Open |
Open |
Open |
Open |
Open |
Open | |
|
IRQ14 |
Open |
Open |
Open |
Open |
Open |
Open | |
|
IRQ15 |
Open |
Open |
Open |
Open |
Open |
Open | |
|
SERIAL PORT 2 INTERRUPT SELECTION (CON’T) | ||||||
|
Setting |
JP3/G |
JP3/H |
JP3/I |
JP3/J |
JP3/K | |
|
IR/FONT> |
Open |
Open |
Open |
Open |
Open | |
|
IRQ3 |
Open |
Open |
Open |
Open |
Open | |
| » |
IRQ4 |
Open |
Open |
Open |
Open |
Open |
|
IRQ5 |
Open |
Open |
Open |
Open |
Open | |
|
IRQ6 |
Open |
Open |
Open |
Open |
Open | |
|
IRQ7 |
Open |
Open |
Open |
Open |
Open | |
|
IRQ10 |
Pins 2 & 3 |
Open |
Open |
Open |
Open | |
|
IRQ11 |
Open |
Pins 2 & 3 |
Open |
Open |
Open | |
|
IRQ12 |
Open |
Open |
Pins 2 & 3 |
Open |
Open | |
|
IRQ14 |
Open |
Open |
Open |
Pins 2 & 3 |
Open | |
|
IRQ15 |
Open |
Open |
Open |
Open |
Pins 2 & 3 | |
|
Note:Pins designated are in the closed position. | ||||||
|
SERIAL PORT 1 ADDRESS SELECTION | ||||||||
|
Setting |
SW1/1 |
SW1/2 |
SW1/3 |
SW1/4 |
SW1/5 |
SW1/6 |
SW1/7 | |
|
000h |
On |
On |
On |
On |
On |
On |
On | |
|
008h |
Off |
On |
On |
On |
On |
On |
On | |
|
010h |
On |
Off |
On |
On |
On |
On |
On | |
|
018h |
Off |
Off |
On |
On |
On |
On |
On | |
|
020h |
On |
On |
Off |
On |
On |
On |
On | |
|
2E8h (COM4:) |
Off |
On |
Off |
Off |
Off |
On |
Off | |
|
2F8h (COM2:) |
Off |
Off |
Off |
Off |
Off |
On |
Off | |
|
3D8h |
Off |
Off |
On |
Off |
Off |
Off |
Off | |
|
3E0h |
On |
On |
Off |
Off |
Off |
Off |
Off | |
|
3E8h (COM3:) |
Off |
On |
Off |
Off |
Off |
Off |
Off | |
|
3F0h |
On |
Off |
Off |
Off |
Off |
Off |
Off | |
| » |
3F8h (COM1:) |
Off |
Off |
Off |
Off |
Off |
Off |
Off |
|
Note: A total of 128 base address settings are available. The switches are a binary representation of the decimal memory addresses. SW1/7 is the Most Significant Bit and switch SW1/1 is the Least Significant Bit. The switches have the following decimal values: SW1/7=512, SW1/6=256, SW1/5=128, SW1/4=64, SW1/3=32, SW1/2=16, SW1/1=8. Turn off the switches and add the values of the switches that are off to obtain the correct memory address. (Off=1, On=0) | ||||||||
|
SERIAL PORT 2 ADDRESS SELECTION | ||||||||
|
Setting |
SW2/1 |
SW2/2 |
SW2/3 |
SW2/4 |
SW2/5 |
SW2/6 |
SW2/7 | |
|
000h |
On |
On |
On |
On |
On |
On |
On | |
|
008h |
Off |
On |
On |
On |
On |
On |
On | |
|
010h |
On |
Off |
On |
On |
On |
On |
On | |
|
018h |
Off |
Off |
On |
On |
On |
On |
On | |
|
020h |
On |
On |
Off |
On |
On |
On |
On | |
|
2E8h (COM4:) |
Off |
On |
Off |
Off |
Off |
On |
Off | |
| » |
2F8h (COM2:) |
Off |
Off |
Off |
Off |
Off |
On |
Off |
|
3D8h |
Off |
Off |
On |
Off |
Off |
Off |
Off | |
|
3E0h |
On |
On |
Off |
Off |
Off |
Off |
Off | |
|
3E8h (COM3:) |
Off |
On |
Off |
Off |
Off |
Off |
Off | |
|
3F0h |
On |
Off |
Off |
Off |
Off |
Off |
Off | |
|
3F8h (COM1:) |
Off |
Off |
Off |
Off |
Off |
Off |
Off | |
|
Note: A total of 128 base address settings are available. The switches are a binary representation of the decimal memory addresses. SW2/7 is the Most Significant Bit and switch SW2/1 is the Least Significant Bit. The switches have the following decimal values: SW2/7=512, SW2/6=256, SW2/5=128, SW2/4=64, SW2/3=32, SW2/2=16, SW2/1=8. Turn off the switches and add the values of the switches that are off to obtain the correct memory address. (Off=1, On=0) | ||||||||