AST RESEARCH, INC.

SIXPACK PREMIUM

Card Type

Memory/Multi I/O

Chipset/Controller

Western Digital

I/O Options

Game port, parallel port, serial ports (2)

Maximum DRAM

1024KB

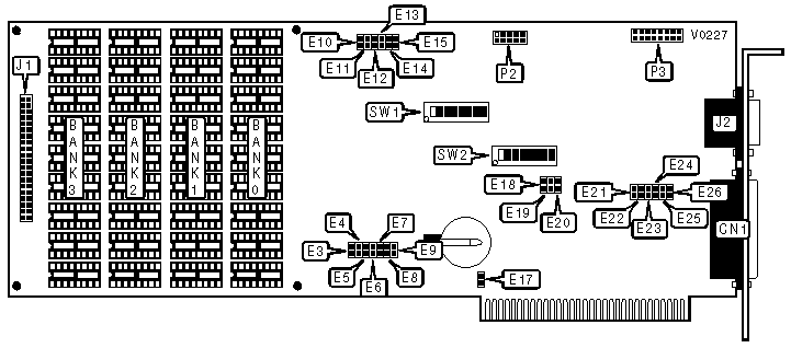
CONNECTIONS

Purpose

Location

Purpose

Location

Parallel port

CN1

Serial port 2

P2

Premium Pak connector

J1

Game port

P3

Serial port 1

J2

 

 

FACTORY CONFIGURED SETTINGS

Switch

Setting

SW1/switch 5

N/A

SW1/switch 6

N/A

SW2/switch 5

N/A

SW2/switch 6

N/A

SERIAL PORT CONFIGURATION

Port 1 (J2)

Port 2 (P2)

E3

E4

E5

»

COM1

COM2

Closed

Open

Closed

 

COM2

Disabled

Open

Closed

Open

 

Disabled

COM2

Open

Open

Closed

 

Disabled

Disabled

Open

Open

Open

SERIAL PORT INTERRUPT SELECTION

Port 1 (J2)

Port 2 (P2)

E18

E19

E20

»

IRQ4

IRQ3

Closed

Open

Closed

 

IRQ3

N/A

Open

Closed

Open

SERIAL PORT NORMAL/FORCED TRUE CONFIGURATION

Port 1

E21

E22

E23

E24

E25

E26

»

Normal

Open

Closed

Open

Closed

Open

Closed

 

Forced True

Closed

Open

Closed

Open

Closed

Open

SERIAL PORT NORMAL/FORCED TRUE CONFIGURATION

Port 2

E10

E11

E12

E13

E14

E15

»

Normal

Open

Closed

Open

Closed

Open

Closed

 

Forced True

Closed

Open

Closed

Open

Closed

Open

PARALLEL PORT SETTINGS

LPT

E6

E7

»

1

Closed

Open

 

2

Open

Closed

 

Disabled

Open

Open

PARALLEL PORT INTERRUPTS

IRQ7

E17

»

Enabled

Closed

 

Disabled

Open

GAME PORT CONFIGURATION

Game Port

E8

»

Enabled

Closed

 

Disabled

Open

CLOCK/CALENDAR CONFIGURATION

Clock/Calendar

E9

»

Enabled

On

 

Disabled

Off

DUAL PAGE MODE SELECTION

Dual Page Mode

SW1/switch 7

»

Enabled

On

 

Disabled

Off

BASE I/O ADDRESS SETTINGS

Address

SW2/1

SW2/2

SW2/3

SW2/4

»

0218h

On

On

On

Off

 

0208h

On

On

On

On

 

0258h

On

Off

On

Off

 

0268h

On

Off

Off

On

 

02A8h

Off

On

Off

On

 

02B8h

Off

On

Off

Off

 

02E8h

Off

Off

Off

On

STARTING MEMORY ADDRESS SETTING

Starting Memory (Mainboard)

SW1/1

SW1/2

SW1/3

SW1/4

»

640KB

Off

On

Off

On

 

576KB

On

Off

Off

On

 

512KB

Off

Off

Off

On

 

448KB

On

On

On

Off

 

384KB

Off

On

On

Off

 

320KB

On

Off

On

Off

 

256KB

Off

Off

On

Off

 

192KB

On

On

Off

Off

 

128KB

Off

On

Off

Off

 

64KB

On

Off

Off

Off

 

0KB

Off

Off

Off

Off

Note:Setting the starting address to 256KB allocates all SixPak Premium memory as expanded memory.

SIXPAK PREMIUM MEMORY SIZE SELECTION

Size

SW2/switch 7

SW2/switch 8

»

Up to 512KB

On

Off

 

Up to 640KB

Off

Off

 

Up to 256KB

Off

On

 

0KB

On

On

DRAM CONFIGURATION

Size

Bank 0

Bank 1

Bank 2

Bank 3

256KB

(9) 41256

None

None

None

512KB

(9) 41256

(9) 41256

None

None

768KB

(9) 41256

(9) 41256

(9) 41256

None

1MB

(9) 41256

(9) 41256

(9) 41256

(9) 41256

PARITY CONFIGURATION

Parity

SW1/switch 8

»

Enabled

On

 

Disabled

Off

CONNECTIONS

Purpose

Location

Premium Pak connector

J1

PREMIUM PAK MEMORY CONFIGURATION

Size

Bank 4

Bank 5

Bank 6

Bank 7

1.25MB

(9) 41256

None

None

None

1.5MB

(9) 41256

(9) 41256

None

None

1.75MB

(9) 41256

(9) 41256

(9) 41256

None

2MB

(9) 41256

(9) 41256

(9) 41256

(9) 41256