MYLEX
BT-747C
|
Card Type |
Hard drive controller card |
|
Hard Drives supported |
Up to 7 SCSI devices |
|
Floppy drives supported |
Two 360KB, 720KB, 1.2MB, or 1.44MB drives |
|
Data Bus |
32-bit EISA |
|
Card Size |
Half-length, full-height card |
|
CONNECTIONS | |||
|
Function |
Location |
Function |
Location |
|
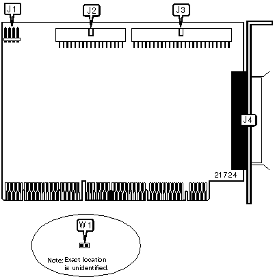
4-pin connector - drive active LED |
J1 |
50-pin SCSI connector - internal |
J3 |
|
34-pin cable connector - floppy drive |
J2 |
50-pin SCSI connector - external |
J4 |
|
USER CONFIGURABLE SETTINGS | |||
|
Function |
Label |
Position | |
| » |
Floppy drive interface enabled |
W1 |
Closed |
|
Floppy drive interface disabled |
W1 |
Open | |